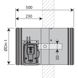
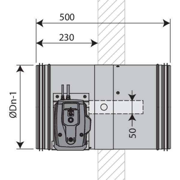
CR2-L500 - Afmetingen

Gamma en afmetingen

ØDn [mm]200250315355400450500560630 
L [mm]500500500500500500500500500 
  • Uitsteken klepblad: X = langs de mechanisme zijde, Y = langs de muurzijde
  • X= ØDn/2 - 265 mm
    Y= ØDn/2 - 259 mm

ØDn [mm]560630
X1550
Y2156
  • ØDn < 315 mm
  CFTH ONE (X) BFLT
P 81 105 101
Q 182 199 110
Z 58 60 80
  • ØDn ≥ 315 mm
  CFTH ONE (X) BFLT BFNT
P 85 105 104 104
Q 182 199 110 110
Z 156 157 179 179

Gewichten Scroll naar rechts/beneden om de volledige tabel te zien

ØDn [mm]200250315355400450500560630
kg6,37,711,213,516,819,723,226,731,3