- Home
- Produits
- Clapets coupe-feu
- CR2-L500
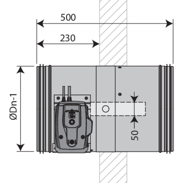
- Dimensions
CR2-L500 - Dimensions
Gamme et dimensions
Poids Faire défiler vers le bas/la droite pour voir tout le tableau
| ØDn [mm] | 200 | 250 | 315 | 355 | 400 | 450 | 500 | 560 | 630 |
|---|---|---|---|---|---|---|---|---|---|
| kg | 6,3 | 7,7 | 11,2 | 13,5 | 16,8 | 19,7 | 23,2 | 26,7 | 31,3 |