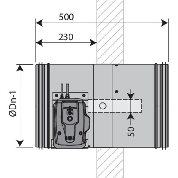
CR2-L500 - Dimensioni

Gamma e dimensioni

ØDn [mm]200250315355400450500560630 
L [mm]500500500500500500500500500 
  • Fuoriuscita della pala: X = sul lato meccanismo, Y = sul lato parete
  • X= ØDn/2 - 265 mm
    Y= ØDn/2 - 259 mm

ØDn [mm]560630
X1550
Y2156
  • ØDn < 315 mm
  CFTH ONE (X) BFLT
P 81 105 101
Q 182 199 110
Z 58 60 80
  • ØDn ≥ 315 mm
  CFTH ONE (X) BFLT BFNT
P 85 105 104 104
Q 182 199 110 110
Z 156 157 179 179

Pesi Scorri verso il basso/destra per visualizzare l'intera tabella

ØDn [mm]200250315355400450500560630
kg6,37,711,213,516,819,723,226,731,3