Open to innovation, closed to fire
back
Home
Products
Fire dampers
Fire damper cartridges
Smoke control dampers
Controllers
Fire safety
Compartmentation
Smoke control
Legal context
Fire dampers and HVAC
About Rf-Technologies
Rf-Technologies
Quality
References
Career
FAQ
My Rf-t
Sign in
Create your account
Forgot your password?
BIM
Calculation Tools
Declarations of performance
Contact
Address and route description
Login request
Sales team
After sales
English (change language)
België
Belgique
Deutschland
United Kingdom
France
Italia
Nederland
Schweiz
Suisse
Svenska
Europe (English)
©2025 Rf-Technologies NV/SA. All rights reserved.
Privacy & Disclaimer
General terms and conditions
Sitemap
Open to innovation, closed to fire
United Kingdom
Choose your language:
België
Belgique
Deutschland
United Kingdom
France
Italia
Nederland
Schweiz
Suisse
Svenska
Europe (English)
Log in
Configurator
About us
Contact us
Open to innovation, closed to fire
CR2-L500
Features
Dimensions
Selection data
Installation
Classification
Documents
Mechanisms
Options and kits
Home
Products
Fire dampers
CR2-L500
Dimensions
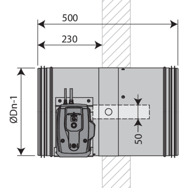
CR2-L500 - Dimensions
Range and dimensions
ØDn [mm]
200
250
315
355
400
450
500
560
630
L [mm]
500
500
500
500
500
500
500
500
500
Exceeding blade: X = on the mechanism side, Y = on the wall side
X= ØDn/2 - 265 mm
Y= ØDn/2 - 259 mm
ØDn [mm]
560
630
X
15
50
Y
21
56
ØDn < 315 mm
CFTH
ONE (X)
BFLT
P
81
105
101
Q
182
199
110
Z
58
60
80
ØDn ≥ 315 mm
CFTH
ONE (X)
BFLT
BFNT
P
85
105
104
104
Q
182
199
110
110
Z
156
157
179
179
Weights
Scroll down/right to view the entire table
ØDn [mm]
200
250
315
355
400
450
500
560
630
kg
6,3
7,7
11,2
13,5
16,8
19,7
23,2
26,7
31,3
Features
Dimensions
Selection data
Installation
Classification
Documents
Mechanisms
Options and kits
To top