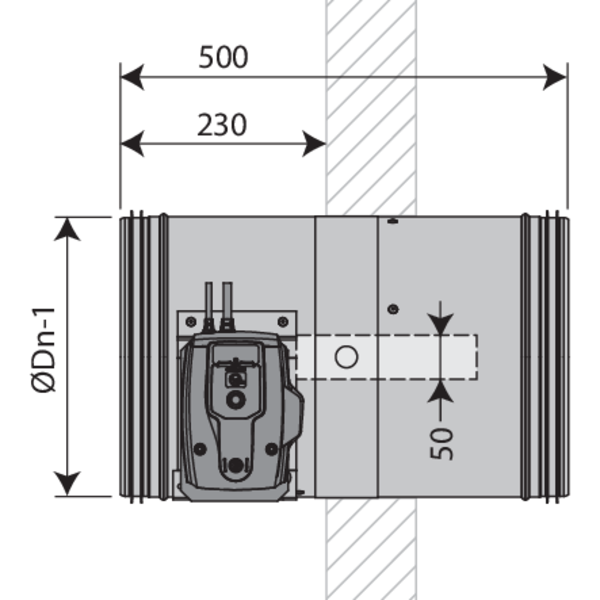
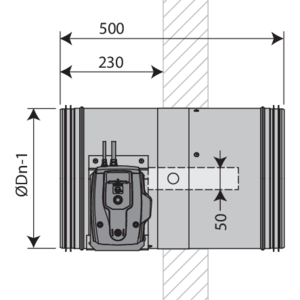
CR2-L500 - Dimensions

Gamme et dimensions

ØDn [mm]200250315355400450500560630 
L [mm]500500500500500500500500500 
  • Dépassement lame: X = du côté du mécanisme, Y = du côté mur
  • X= ØDn/2 - 265 mm
    Y= ØDn/2 - 259 mm

ØDn [mm]560630
X1550
Y2156
  • ØDn < 315 mm
  CFTH UNIQ ME-TA BOBI
P 81 115 149
Q 182 298 259
Z 58 60 60
  • ØDn ≥ 315 mm
  CFTH UNIQ ME-TA BOBI
P 85 115 149
Q 182 298 259
Z 156 157 157

Poids Faire défiler vers le bas/la droite pour voir tout le tableau

ØDn [mm]200250315355400450500560630
kg6,37,711,213,516,819,723,226,731,3