CU2L ATEX - Rektangulärt brand/brandgasspjäll för stora dimensioner upp till 120’

Explosionsskyddat brand/brandgasspjäll för användning i zon 1,2 (gas) och zon 21,22 (brännbart damm) med en förlängning av höljet på ena eller bägge sidorna så att spjällbladet inte sticker ut utanför spjället. Denna variant gör det möjligt att ansluta en cirkulär anslutning (PRJ fläns).

fördelar

  • ATEX certifikat TÜV 14 ATEX 7540 X

Funktioner

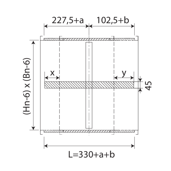
  • Förlängning: a = Hn / 2-230 mm (på sidan av mekanismen); b = Hn / 2-100 mm (på väggsidan)

Komponenter

Komponenter
  1. Anslutningsfläns PG30
  2. Hölje av eldfast material
  3. Spjällblad
  4. Aktiveringsmekanism
  5. Tätning för kalla gaser
  6. Stopplist
  7. Svällande list
  8. Överföring med låsning (öppen el. stängd)
  9. Smältsäkring
  10. Produktidentifikation