CU2L ATEX - Vielseitige rechteckige Brandschutzklappe bis zu 120 Minuten

Explosionsgeschützte Brandschutzklappe zur Verwendung in Zone 1,2 (Gas) und Zone 21,22 (brennbarer Staub) mit einer Verlängerung des Tunnelgehäuses an einer oder beiden Seiten, damit das Klappenblatt nicht über den Tunnel hinausragt. Diese Verlängerung ermöglicht auch die Verwendung einer kreisförmigen Verbindung (PRJ-Flansch).

Vorteile

  • ATEX-Zertifikat TÜV 14 ATEX 7540 X

Kenndaten

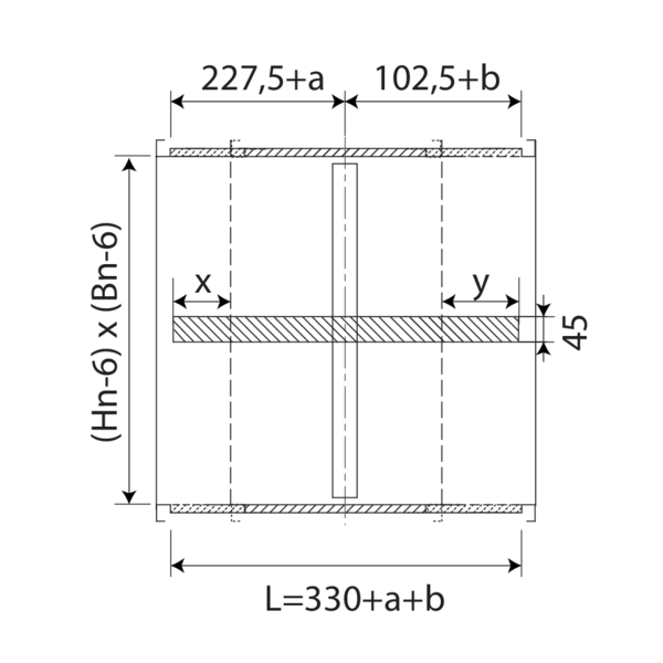
  • Verlängerung: a = Hn/2-230 mm (auf der Seite des Mechanismus); b = Hn/2-100 mm (auf der Wandseite)

Teilen

Teilen
  1. Anschlussflansch PG30
  2. Feuerfestes Gehäuse
  3. Klappenblatt
  4. Antrieb
  5. Umlaufende Dichtung für Kaltrauch
  6. Anschlag für Klappenblatt
  7. Intumeszierendes Dichtband
  8. Getriebe mit Verriegelung (offen/geschlossen)
  9. Schmelzlot
  10. Produktkennzeichnung