CU2L ATEX - Serranda tagliafuoco rettangolare di grandi dimensioni ottimizzata fino a 120 minuti.

Serranda tagliafuoco in esecuzione antideflagrante per l'uso nelle zone 1,2 (gas) e 21,22 (polveri infiammabili), con involucro allungato su uno o entrambi i lati per contenere l'intera pala all'interno dello stesso. La sezione allungata consente l'utilizzo di un raccordo circolare (flangia PRJ).

vantaggi

  • Certificazione ATEX TÜV 14 ATEX 7540 X

Caratteristiche

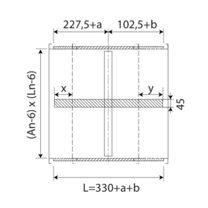
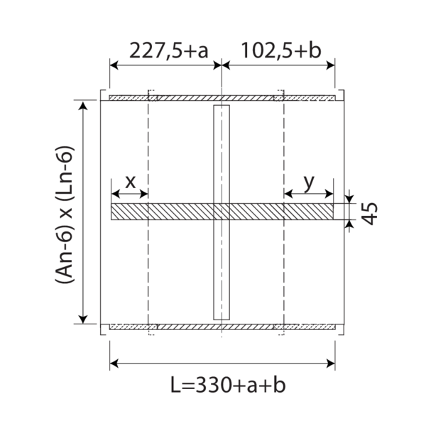
  • Sezione allungata: a = An/2-230 mm (sul lato meccanismo); b = An/2-100 mm (sul lato parete)

Componenti

Componenti
  1. Flangia di connessione PG30
  2. Involucro in materiale refrattario
  3. Pala della serranda
  4. Meccanismo di comando
  5. Tamponatura di fumo a bassa temperatura
  6. Battuta d'arresto della pala
  7. Striscia intumescente
  8. Azionamento con blocco (apertura/chiusura)
  9. Elemento fusibile
  10. Identificazione prodotto