CU2L ATEX - Kerngamma rechthoekige brandklep tot 120’

Explosievrije brandwerende ventilatieklep voor gebruik in zone 1,2 (brandbare gassen) en zone 21,22 (brandbare stof) waarvan de tunnel langs één of beide zijden verlengd is zodat het klepblad niet voorbij de tunnel komt. Hierdoor is het mogelijk om een ronde aansluiting op de rechthoekige klep te voorzien (PRJ-kader).

voordelen

  • ATEX certificaat TÜV 14 ATEX 7540 X

Kenmerken

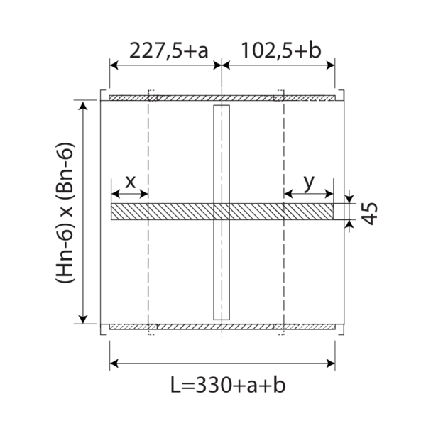
  • Verlenging: a = Hn/2-230 mm (langs de mechanisme zijde); b = Hn/2-100 mm (langs de muurzijde)

Onderdelen

Onderdelen
  1. Aansluitkader PG30
  2. Tunnel in vuurvaste platen
  3. Klepblad
  4. Bedieningsmechanisme
  5. Dichting koude rook
  6. Aanslag klepblad
  7. Opzwellende voeg
  8. Transmissie met blokkering (open/dicht)
  9. Smeltlood
  10. Productidentificatie