CU2-15L - Brand/brandgasspjäll upp till 120’ vid 1500 Pa

Spjäll med höljesförlängning på en eller båda sidor så att spjällbladet inte sticker ut ur tunneln. Denna version gör det möjligt att för att ansluta ett galler eller en böj direkt på spjällflänsen eller för att använda en cirkulär anslutning.

fördelar

  • Brandmontstånd testat vid ett negativt tryck på 1500 Pa

Funktioner

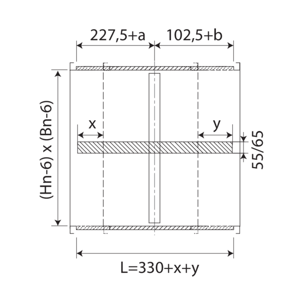
  • Förlängning: a = Hn / 2-230 mm (på sidan av mekanismen); b = Hn / 2-100 mm (på väggsidan)

Komponenter

Komponenter
  1. Anslutningsfläns PG30
  2. Hölje av eldfast material
  3. Spjällblad
  4. Aktiveringsmekanism
  5. Tätning för kalla gaser
  6. Stopplist
  7. Svällande list
  8. Överföring med låsning (öppen el. stängd)
  9. Smältsäkring
  10. Produktidentifikation