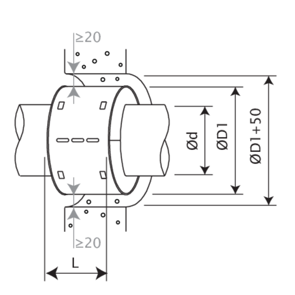
MG2 - Afmetingen

Gamma en afmetingen

Ød [mm]40505663758090100110125
D1 [mm]67778390102123133143153182
L [mm]858585858585858585105
Ød [mm]160         
D1 [mm]215         
L [mm]105         
  • D1 = buitendiameter van de manchet - d = binnendiameter van de manchet, overeenkomend met de buitendiameter van de leiding
  • MG2+T
  • MG2+R

Gewichten Scroll naar rechts/beneden om de volledige tabel te zien

Ød [mm]40505663758090100110125160
kg0,20,20,20,20,30,40,50,60,61,21,5