- Home
- Produkte
- Brandschutzmanschette
- MG2
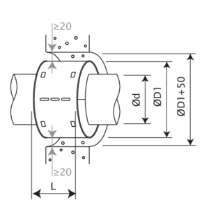
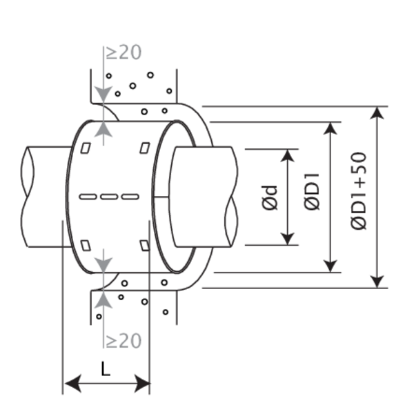
- Abmessungen
MG2 - Abmessungen
Sortiment und Abmessungen
Gewichte Benutzen Sie Bitte die Bildlaufleisten rechts und unten zum Ansehen der kompletten Liste
| Ød [mm] | 40 | 50 | 56 | 63 | 75 | 80 | 90 | 100 | 110 | 125 | 160 |
|---|---|---|---|---|---|---|---|---|---|---|---|
| kg | 0,2 | 0,2 | 0,2 | 0,2 | 0,3 | 0,4 | 0,5 | 0,6 | 0,6 | 1,2 | 1,5 |