Open to innovation, closed to fire
back
Home
Products
Fire dampers
Fire damper cartridges
Smoke control dampers
Transfer shutter
Controllers
Fire resistant grilles
Fire resistant collars
Sealing material
Fire safety
Compartmentation
Smoke control
Legal context
Fire dampers and HVAC
About Rf-Technologies
Rf-Technologies
Quality
References
Career
FAQ
My Rf-t
Sign in
Create your account
Forgot your password?
BIM
Calculation Tools
Declarations of performance
Contact
Address and route description
Login request
Sales team
After sales
English (change language)
België
Belgique
Deutschland
United Kingdom
France
Italia
Nederland
Schweiz
Suisse
Svenska
Europe (English)
©2025 Rf-Technologies NV/SA. All rights reserved.
Privacy & Disclaimer
General terms and conditions
Sitemap
Open to innovation, closed to fire
Europe (English)
Choose your language:
België
Belgique
Deutschland
United Kingdom
France
Italia
Nederland
Schweiz
Suisse
Svenska
Europe (English)
Log in
Configurator
About us
Contact us
Open to innovation, closed to fire
MG2
Features
Dimensions
Installation
Classification
Documents
Home
Products
Fire resistant collars
MG2
Dimensions
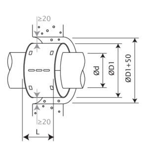
MG2 - Dimensions
Range and dimensions
Ød [mm]
40
50
56
63
75
80
90
100
110
125
D1 [mm]
67
77
83
90
102
123
133
143
153
182
L [mm]
85
85
85
85
85
85
85
85
85
105
Ød [mm]
160
D1 [mm]
215
L [mm]
105
D1 = outside diameter of the collar - d = inside diameter of the collar, corresponding to the outside diameter of the pipe
Weights
Scroll down/right to view the entire table
Ød [mm]
40
50
56
63
75
80
90
100
110
125
160
kg
0,2
0,2
0,2
0,2
0,3
0,4
0,5
0,6
0,6
1,2
1,5
Features
Dimensions
Installation
Classification
Documents
To top