Open to innovation, closed to fire
retour
Home
Produits
Clapets coupe-feu
Clapets coupe-feu terminaux
Volets de désenfumage
Sécurité incendie
Compartimentage
Désenfumage
Contexte légal
Clapet coupe-feu et CVC
Qui est Rf-Technologies
Rf-Technologies
Qualité
Références clients
Offres d'emploi
My Rf-t
S'identifier
Créer un compte
Mot de passe oublié ?
BIM
Outils de calcul
Déclarations des performances
Contact
Adresse et itinéraire
Demander un code d'accès
Équipe de vente
Après vente
Français (change language)
België
Belgique
Deutschland
United Kingdom
France
Italia
Nederland
Schweiz
Suisse
Svenska
Europe (English)
©2025 Rf-Technologies NV/SA. Tous droits réservés.
Données personnelles & Dispositions générales
Conditions générales de vente
Plan du site
Open to innovation, closed to fire
Suisse
Choose your language:
België
Belgique
Deutschland
United Kingdom
France
Italia
Nederland
Schweiz
Suisse
Svenska
Europe (English)
Se connecter
Configurator
Contactez-nous
Open to innovation, closed to fire
MG2
Caractéristiques
Dimensions
Installation
Classement
Documents
Home
Produits
Manchons coupe-feu
MG2
Dimensions
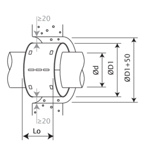
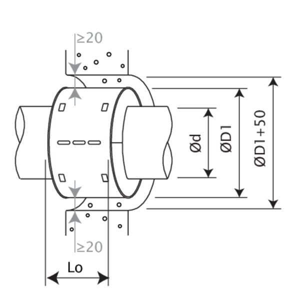
MG2 - Dimensions
Gamme et dimensions
Ød [mm]
40
50
56
63
75
80
90
100
110
125
D1 [mm]
67
77
83
90
102
123
133
143
153
182
L [mm]
85
85
85
85
85
85
85
85
85
105
Ød [mm]
160
D1 [mm]
215
L [mm]
105
D1 = diamètre extérieur du manchon - d = diamètre intérieur du manchon, correspondant au diamètre extérieur du tuyau
Poids
Faire défiler vers le bas/la droite pour voir tout le tableau
Ød [mm]
40
50
56
63
75
80
90
100
110
125
160
kg
0,2
0,2
0,2
0,2
0,3
0,4
0,5
0,6
0,6
1,2
1,5
Caractéristiques
Dimensions
Installation
Classement
Documents
To top