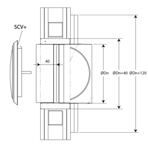
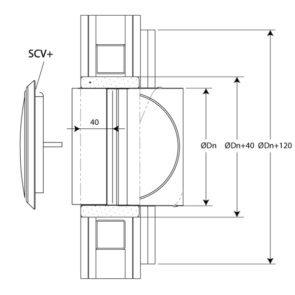
SCV+90 - Installatie

Bediening: manuele opening

2
Ontgrendelen van de klepbladen door de twee blokkeerveren licht in te drukken.
3
Klepbladen vergrendelen door het smeltlood in de houder te klikken.

Bediening: manuele sluiting

2
Ontgrendel (sluit) de klepbladen door ze naar elkaar toe te duwen en het smeltlood zacht zijdelings te ontgrendelen.

Plaatsing in massieve wand en vloer, afdichting mortel

Het product werd getest en goedgekeurd in:
  • Cellenbeton ≥ 100 mm | EI 90 (ve i o) S - (300Pa) | Mortel | Installatiemethode: ingebouwd in kanaal, 0-360° | SCV+90 Ø 100-200 mm
  • Cellenbeton ≥ 150 mm | EI 90 (ho i o) S - (300Pa) | Mortel | Installatiemethode: ingebouwd in kanaal, 0-360° | SC(V)+90

Plaatsing in flexibele wand met steenwol, gips en afdekplaten van toepassing voor SC(V)+90

Het product werd getest en goedgekeurd in:
  • Metal stud gipsplatenwand Type F (EN 520) ≥ 100 mm | EI 90 (ve i o) S - (300Pa) | Steenwol ≥ 40 kg/m³ + gips + afdekplaten | Installatiemethode: ingebouwd in kanaal, 0-360° | SC(V)+90

Plaatsing in flexibele en massieve wand, afdichting met harde steenwolplaten met coating - SC(V)+90

Het product werd getest en goedgekeurd in:
2
De opening in de wand rond het kanaal waarin de vlinderklep zit, wordt afgedicht met 2 harde steenwolplaten van 50mm die eenzijdig voorzien zijn van 1mm brandwerende coating (type PROMASTOP-CB 50 / PROMASTOP-CB/CC 50 / HILTI CFS-CT B).
3
Deze platen moeten geschrankt geplaatst worden en de voegen moeten rondom rond bedekt worden met vulpasta (type PROMASTOP-CC / HILTI CFS-S-ACR / Mulcol Multimastic SP).
5
Het kanaal dient te worden voorzien van een laag (>1,5mm) endotherme vulpasta (type PROMASTOP-CC / HILTI CFS-CT) op een breedte van 100 mm aan de kant van het uitstekende klepblad.
6
Het kanaal met de vlinderklep moet niet centraal in de opening (met maximale afmetingen kanaal + 600 mm) geplaatst worden. De afstand tussen de vlinderklep en de rand van de opening is maximaal 400 mm.

Algemene opmerkingen

  • Kijk na of het klepblad vrij kan bewegen.
  • De vlinderklep moet bereikbaar zijn voor inspectie en onderhoud.
  • Bij montage dienen de veiligheidsafstanden t.o.v. andere constructie-elementen gerespecteerd te worden. Tenzij anders vermeld.

Productspecifieke opmerkingen

  • De plaatsing dient steeds te gebeuren conform het installatievoorschrift en het classificatierapport.
  • De behaalde resultaten in gestandaardiseerde draagconstructies volgens EN 1366-2 gelden ook voor gelijksoortige draagconstructies met een brandweerstand, dikte en dichtheid gelijk aan of groter dan de draagconstructie van de test. Meer informatie over standaard draagconstructies: https://www.rft.eu/nl-nl/pagina/brandveiligheid/wettelijke-context/standaard-draagconstructies
  • Montagezin: de montage kan met de klepas in elke stand (0-360°)
  • Richting van de luchtstroom: willekeurig
  • Bij het uitvoeren van niet-vermelde montage is Rf-Technologies niet verantwoordelijk en vervalt de garantie!