SCV+90 - Installazione

Funzionamento: apertura manuale

2
Premere con attenzione i due ganci di bloccaggio per liberare le pale.
3
Inserire l'elemento fusibile nel supporto per bloccare le pale.

Funzionamento: chiusura manuale

2
Sbloccare (chiudere) le pale della serranda premendole una verso l'altra. Liberare con attenzione l'elemento fusibile premendolo lateralmente.

Installazione in pareti rigide e a pavimento, sigillatura a malta

Il prodotto è stato testato e approvato in::
  • Calcestruzzo aerato ≥ 100 mm | EI 90 (ve i o) S - (300Pa) | Malta | Tipo di installazione: a incasso all'interno di un canale, 0-360° | SCV+90 Ø 100-200 mm
  • Calcestruzzo aerato ≥ 150 mm | EI 90 (ho i o) S - (300Pa) | Malta | Tipo di installazione: a incasso all'interno di un canale, 0-360° | SC(V)+90

Installazione in parete leggera con sigillatura in in lana di roccia, gesso e pannelli di copertura applicabile a SC(V)+90

Il prodotto è stato testato e approvato in::
  • Pannello di cartongesso con telaio metallico tipo F (EN 520) ≥ 100 mm | EI 90 (ve i o) S - (300Pa) | Lana di roccia ≥ 40 kg / m³ + gesso + pannelli di copertura | Tipo di installazione: a incasso all'interno di un canale, 0-360° | SC(V)+90

Installazione in parete leggera e in parete rigida, sigillatura con pannelli rigidi in lana di roccia con rivestimento - SC(V)+90

Il prodotto è stato testato e approvato in::
2
L'apertura nella parete attorno al canale di ventilazione in cui è montata la cartuccia della serranda tagliafuoco è sigillata con 2 strati di pannelli di lana di roccia spessi 50 mm, con rivestimento resistente al fuoco su un lato (tipo PROMASTOP-CB 50 / PROMASTOP-CB/CC 50 / HILTI CFS-CT B).
3
Le giunzioni su questi due strati devono essere installate sfalsate e coperte lungo il bordo con il rivestimento (tipo PROMASTOP-CC / HILTI CFS-S-ACR / Mulcol Multimastic SP).
5
Il canale è provvisto di uno strato (>1,5 mm) di rivestimento endotermico (tipo PROMASTOP-CC / HILTI CFS-CT) per una larghezza di 100 mm sul lato dal quale fuoriesce la pala della serranda aperta.
6
Il canale di ventilazione in cui è inserita la serranda non deve essere centrato nell'apertura (con dimensioni max. del canale + 600 mm). La distanza massima tra la serranda e il bordo dell'apertura è di 400 mm.

Note generali

  • Verificare se la pala può muoversi liberamente.
  • La cartuccia della serranda tagliafuoco deve restare accessibile per ispezione e manutenzione.
  • Rispettare le distanze di sicurezza da altri elementi costruttivi.

Note specifiche sul prodotto

  • L'installazione deve essere conforme al manuale di installazionee al rapporto di classificazione.
  • I risultati ottenuti nelle strutture di supporto standardizzate secondo la norma EN 1366-2 si applicano anche a strutture di supporto simili con resistenza al fuoco, spessore e densità pari o superiore alla struttura di supporto del test. Ulteriori informazioni sulle strutture di supporto standardizzate: https://www.rft.eu/en-eu/page/fire-safety/legal-context/european-regulations/standardised-constructions
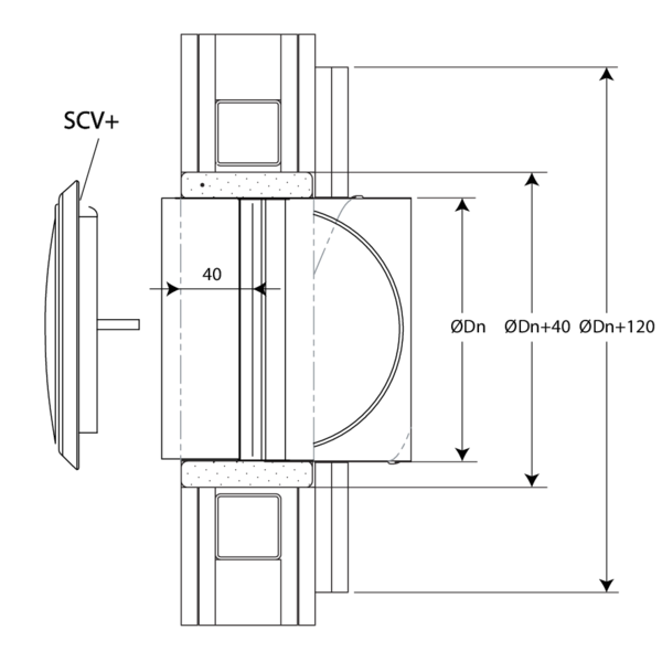
  • Senso di montaggio: montaggio possibile con l'asse in qualsiasi posizione (0-360°)
  • Direzione del flusso d'aria: discrezionale
  • Rf-Technologies declina ogni responsabilità in caso di utilizzo e movimentazione del prodotto in modi diversi da quelli descritti nel presente manuale; una tale eventualità determinerà inoltre l'annullamento di qualsiasi garanzia!