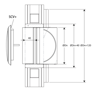
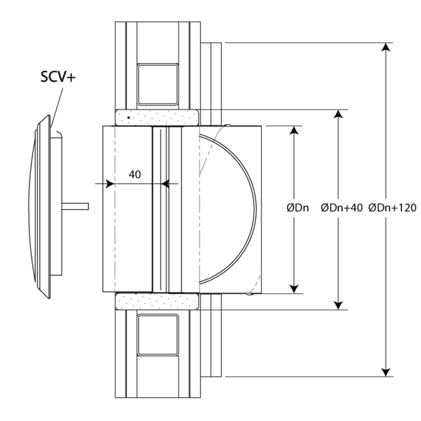
SCV+90 - Installation

Commande : ouverture manuelle

2
Poussez les deux pattes d'arrêts pour débloquer les lames.
3
Encliquetez le fusible dans le support pour verrouiller les lames.

Commande : fermeture manuelle

2
Déclenchez (fermez) les lames en les poussant l'une vers l'autre et en exerçant une pression légère sur le fusible.

Montage en paroi massive et dalle massive, mortier de calfeutrement

Le produit a été testé et approuvé en :
  • Béton cellulaire ≥ 100 mm | EI 90 (ve i o) S - (300Pa) | Mortier | Type de pose : encastré en gaine traversant, 0-360° | SCV+90 Ø 100-200 mm
  • Béton cellulaire ≥ 150 mm | EI 90 (ho i o) S - (300Pa) | Mortier | Type de pose : encastré en gaine traversant, 0-360° | SC(V)+90

Montage en paroi flexible avec calfeutrement en laine de roche, plâtre et talons applicable pour SC(V)+90

Le produit a été testé et approuvé en :
  • Ossature métallique et plaques de plâtre Type F (EN 520) ≥ 100 mm | EI 90 (ve i o) S - (300Pa) | Laine de roche ≥ 40 kg/m³ + plâtre + talons | Type de pose : encastré en gaine traversant, 0-360° | SC(V)+90

Montage en paroi flexible et massive, calfeutrement avec des panneaux de laine de roche rigides et enduit - SC(V)+90

Le produit a été testé et approuvé en :
2
Le colmatage de la réservation dans la paroi autour de la gaine dans laquelle se trouve le clapet terminal s'effectue au moyen de 2 couches de panneaux de laine de roche d'épaisseur 50mm recouverte d'enduit coupe-feu sur une face (type PROMASTOP-CB 50 / PROMASTOP-CB/CC 50 / HILTI CFS-CT B).
3
Les 2 couches sont posées à joints décalés et ces joints sont recouverts sur tout le contour du panneau d'enduit de type PROMASTOP-CC / HILTI CFS-S-ACR / Mulcol Multimastic SP.
5
La gaine est recouverte d'une couche (>1,5 mm) d'enduit endothermique (type PROMASTOP-CC / HILTI CFS-CT) sur 100 mm du côté où la lame dépasse en position ouverte.
6
La gaine contenant le clapet ne doit pas être centrée dans la réservation (de dimensions maximales gaine + 600 mm). Une distance maximale de 400 mm doit être respectée par rapport au bord de la réservation.

Remarques générales

  • Vérifiez le libre mouvement de la lame mobile.
  • Le clapet terminal doit être accessible pour inspection et entretien.
  • Respectez les distances de sécurité par rapport aux autres éléments constructifs.

Remarques spécifiques aux produits

  • L'installation doit être conforme au rapport de classement et à la notice technique.
  • Les résultats obtenus dans les structures porteuses normalisées selon la norme EN 1366-2 s'appliquent également aux structures porteuses similaires dont la résistance au feu, l'épaisseur et la densité sont égales ou supérieures à celles de la structure porteuse de l'essai. Plus d'informations sur les structures porteuses normalisées : https://www.rft.eu/fr-be/page/contexte-legal/reglementation-europeenne/parois-normalisees
  • Sens de montage: avec l'axe orienté de 0 à 360°
  • Direction du flux d'air: indifférent
  • Si les manipulations ne se déroulent pas conformément à la présente notice, Rf-Technologies ne peut pas être tenu responsable et les conditions de garantie ne seront pas d'application!