SC+90 - Installazione

Funzionamento: apertura manuale

2
Premere con attenzione i due ganci di bloccaggio per liberare le pale.
3
Inserire l'elemento fusibile nel supporto per bloccare le pale.

Funzionamento: chiusura manuale

2
Sbloccare (chiudere) le pale della serranda premendole una verso l'altra. Liberare con attenzione l'elemento fusibile premendolo lateralmente.

Cablaggio elettrico

1
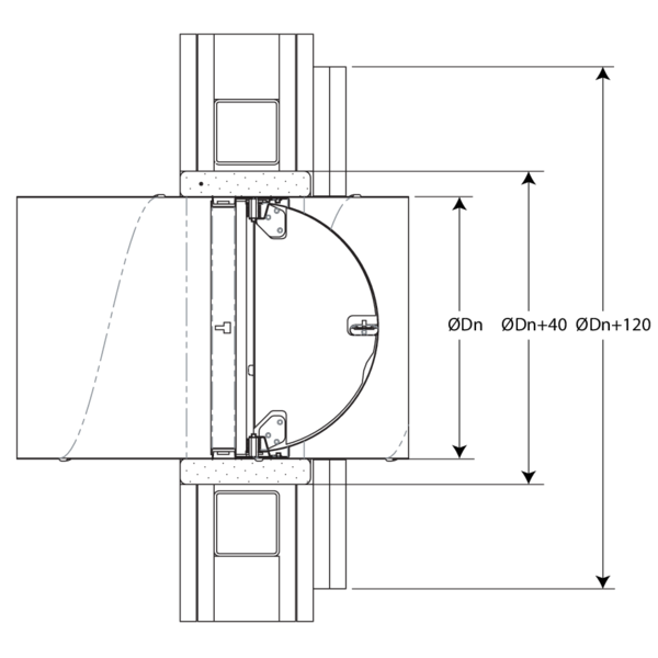
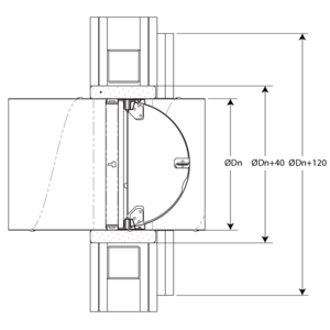
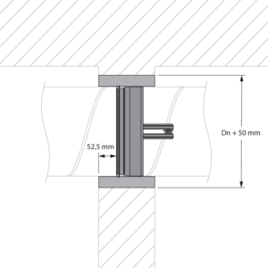
È possibile montare un interruttore di fine corsa (FCU) sul corpo in metallo. Lo scopo è determinare a distanza la posizione della cartuccia della serranda tagliafuoco circolare. 1 mA...6 A 5VCC...250VCA. COM: nero; N.C.: grigio; N.A.: blu. Alimentazione elettrica: Max 250 V; Potenza assorbita: Max 6 A; Grado di protezione: IP65; Lunghezza del cavo: 500 mm.

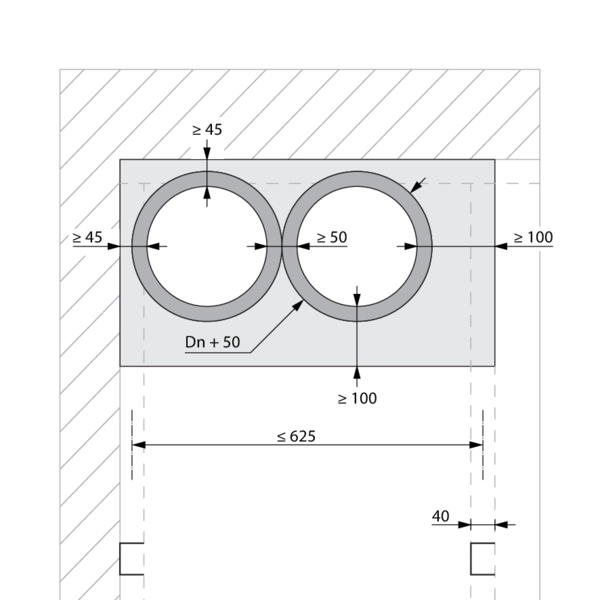
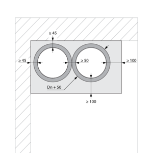
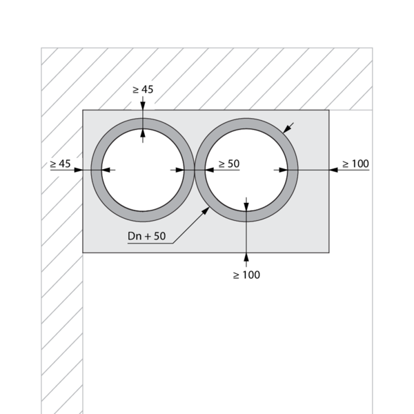
Installazione a una distanza minima da un'altra serranda o da una struttura di supporto adiacente

1
Secondo gli standard di prova europei, una serranda antincendio deve essere installata ad una distanza minima di 75 mm dalla parete adiacente e a 200 mm da un'altra serranda, a meno che la soluzione non sia stata testata per una distanza minore. Questa gamma di serrande tagliafuoco Rf-t è stata testata con successo e può essere installata in un telaio di supporto verticale ad una distanza inferiore al valore minimo stabilito dagli standard in alcune situazioni di installazione - vedi oltre.
2
In caso di installazione a una distanza inferiore (possibile solo con determinati metodi di montaggio), si applica la seguente limitazione:
È possibile installare un massimo di 2 serrande circolari orizzontalmente a una distanza minima l'una dall'altra.

Installazione in parete rigida, sigillatura con pannelli rigidi in lana di roccia con rivestimento - SC+90

Il prodotto è stato testato e approvato in::
  • Calcestruzzo aerato ≥ 100 mm | EI 90 (ve i o) S - (300Pa) | Lana di roccia + rivestimento ≥ 140 kg/m³ + canale rivestito | Tipo di installazione: a incasso all'interno di un canale, 0-360° | SC+90 Ø 100-200 mm
2
L'apertura nella parete attorno al canale di ventilazione in cui è montata la cartuccia della serranda tagliafuoco è sigillata con 2 strati di pannelli di lana di roccia spessi 50 mm, con rivestimento resistente al fuoco su un lato (tipo PROMASTOP-CB 50 / PROMASTOP-CB/CC 50 / HILTI CFS-CT B).
3
Le giunzioni su questi due strati devono essere installate sfalsate e coperte lungo il bordo con il rivestimento (tipo PROMASTOP-CC / HILTI CFS-S-ACR).
5
Il canale è provvisto di uno strato (>1,5 mm) di rivestimento endotermico (tipo PROMASTOP-CC / HILTI CFS-CT) per una larghezza di 100 mm sul lato dal quale fuoriesce la pala della serranda aperta.
6
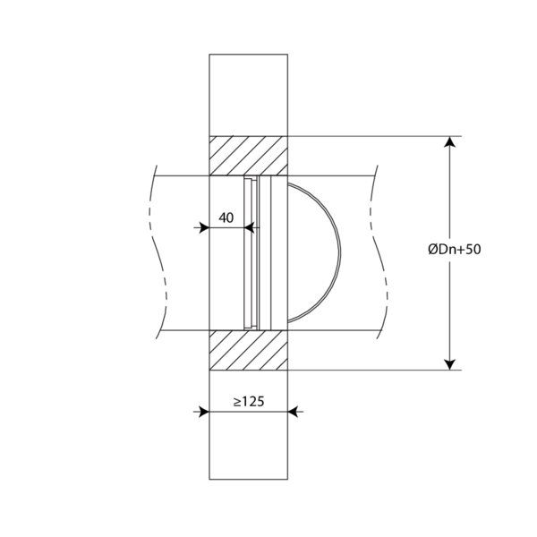
Il canale di ventilazione in cui è inserita la serranda non deve essere centrato nell'apertura (con dimensioni max. del canale + 600 mm). La distanza massima tra la serranda e il bordo dell'apertura è di 400 mm.

Installazione in parete rigida con sigillatura in gesso - SC+90

Il prodotto è stato testato e approvato in::
  • Calcestruzzo aerato ≥ 125 mm | EI 90 (ve i o) S - (300Pa) | Gesso | Tipo di installazione: a incasso all'interno di un canale, 0-360°. Distanze minime autorizzate. | SC+90 Ø 100-200 mm

Installazione in parete rigida con sigillatura in gesso + 2 x 12,5 mm pannelli in cartongesso tipo F - SC+90

Il prodotto è stato testato e approvato in::
  • Calcestruzzo aerato ≥ 100 mm | EI 90 (ve i o) S - (300Pa) | Gesso + 2 x 12.5 mm pannelli in cartongesso tipo F (EN520) | Tipo di installazione: a incasso all'interno di un canale, 0-360°. Distanze minime autorizzate. | SC+90 Ø 100-200 mm

Installazione in parete leggera, sigillatura con pannelli rigidi in lana di roccia con rivestimento - SC+90

Il prodotto è stato testato e approvato in::
  • Pannello di cartongesso con telaio metallico tipo F (EN 520) ≥ 100 mm | EI 90 (ve i o) S - (300Pa) | Lana di roccia + rivestimento ≥ 140 kg/m³ + canale rivestito | Tipo di installazione: a incasso all'interno di un canale, 0-360° | SC+90 Ø 100-200 mm
2
L'apertura nella parete attorno al canale di ventilazione in cui è montata la cartuccia della serranda tagliafuoco è sigillata con 2 strati di pannelli di lana di roccia spessi 50 mm, con rivestimento resistente al fuoco su un lato (tipo PROMASTOP-CB 50 / PROMASTOP-CB/CC 50 / HILTI CFS-CT B).
3
Le giunzioni su questi due strati devono essere installate sfalsate e coperte lungo il bordo con il rivestimento (tipo PROMASTOP-CC / HILTI CFS-S-ACR).
5
Il canale è provvisto di uno strato (>1,5 mm) di rivestimento endotermico (tipo PROMASTOP-CC / HILTI CFS-CT) per una larghezza di 100 mm sul lato dal quale fuoriesce la pala della serranda aperta.
6
Il canale di ventilazione in cui è inserita la serranda non deve essere centrato nell'apertura (con dimensioni max. del canale + 600 mm). La distanza massima tra la serranda e il bordo dell'apertura è di 400 mm.

Installazione in parete leggera con sigillatura in gesso + 2 x 12,5 mm pannelli in cartongesso tipo F - SC+90

Il prodotto è stato testato e approvato in::
  • Pannello di cartongesso con telaio metallico tipo F (EN 520) ≥ 100 mm | EI 90 (ve i o) S - (300Pa) | Gesso + 2 x 12.5 mm pannelli in cartongesso tipo F (EN520) | Tipo di installazione: a incasso all'interno di un canale, 0-360°. Distanze minime autorizzate. | SC+90 Ø 100-200 mm

Installazione in parete leggera con sigillatura in lana di roccia, in gesso e pannelli di copertura - SC+90

Il prodotto è stato testato e approvato in::
  • Pannello di cartongesso con telaio metallico tipo F (EN 520) ≥ 100 mm | EI 90 (ve i o) S - (300Pa) | Lana di roccia ≥ 40 kg / m³ + gesso + pannelli di copertura | Tipo di installazione: a incasso all'interno di un canale, 0-360° | SC+90 Ø 100-200 mm

Installazione in pareti e pavimenti rigidi con sigillatura in malta - SC+60, SC+90 e SC+120

Il prodotto è stato testato e approvato in::
  • Calcestruzzo aerato ≥ 150 mm | EI 90 (ho i o) S - (300Pa) | Malta | Tipo di installazione: a incasso all'interno di un canale, 0-360° | SC+90 Ø 100-200 mm
  • Calcestruzzo aerato ≥ 100 mm | EI 90 (ve i o) S - (300Pa) | Malta | Tipo di installazione: a incasso all'interno di un canale, 0-360° | SC+90 Ø 100-200 mm

Note generali

  • Verificare se la pala può muoversi liberamente.
  • La cartuccia della serranda tagliafuoco deve restare accessibile per ispezione e manutenzione.
  • Rispettare le distanze di sicurezza da altri elementi costruttivi.

Note specifiche sul prodotto

  • L'installazione deve essere conforme al manuale di installazionee al rapporto di classificazione.
  • I risultati ottenuti nelle strutture di supporto standardizzate secondo la norma EN 1366-2 si applicano anche a strutture di supporto simili con resistenza al fuoco, spessore e densità pari o superiore alla struttura di supporto del test. Ulteriori informazioni sulle strutture di supporto standardizzate: https://www.rft.eu/en-eu/page/fire-safety/legal-context/european-regulations/standardised-constructions
  • Senso di montaggio: montaggio possibile con l'asse in qualsiasi posizione (0-360°)
  • Direzione del flusso d'aria: discrezionale
  • Rf-Technologies declina ogni responsabilità in caso di utilizzo e movimentazione del prodotto in modi diversi da quelli descritti nel presente manuale; una tale eventualità determinerà inoltre l'annullamento di qualsiasi garanzia!