SC+90 - Installation

Commande : ouverture manuelle

2
Poussez les deux pattes d'arrêts pour débloquer les lames.
3
Encliquetez le fusible dans le support pour verrouiller les lames.

Commande : fermeture manuelle

2
Déclenchez (fermez) les lames en les poussant l'une vers l'autre et en exerçant une pression légère sur le fusible.

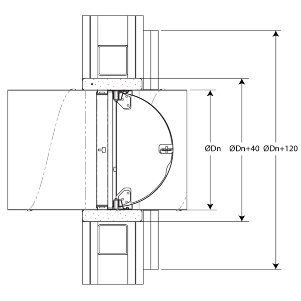
Câblage électrique

1
Un contact de position fin de course électrique (FCU) peut être installé sur le corps en acier pour signaler la position de la lame à distance. 1mA...6A DC 5V....AC250V. COM : noir ; NF : gris ; NO : bleu. Tension d'utilisation: Max 250V; Courant d'utilisation: Max 6A; Dégré de protection: IP65; Longueur du câble: 500 mm.

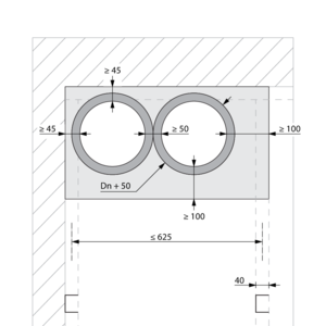
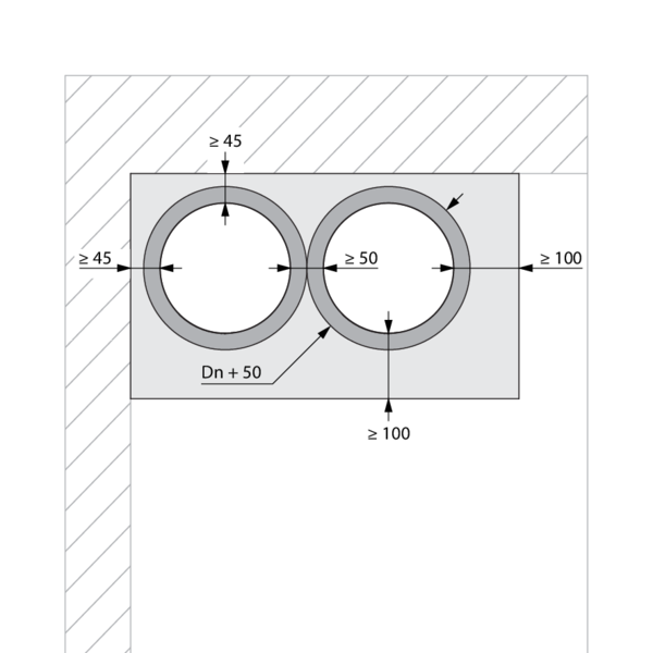
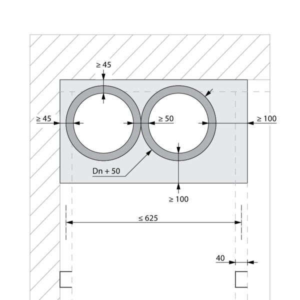
Installation à distance minimale d'un autre clapet ou d'une paroi adjacente

1
Selon la norme d’essai européenne, un clapet coupe-feu doit être installé à une distance minimale de 75 mm d’une paroi adjacente et de 200 mm d’un autre clapet, sauf si la solution a été testée à une distance inférieure. Cette gamme de clapets Rf-t a été testée avec succès et peut être installée en paroi verticale à une distance inférieure au minimum imposé par la norme dans certaines situations d'installation - voir plus loin.
2
En cas d'installation à une distance inférieure (uniquement possible avec certaines méthodes d'installation), la restriction suivante s'applique :
Au maximum 2 clapets circulaires peuvent être installés horizontalement à distance minimale l’un de l’autre.

Montage en paroi massive, calfeutrement avec des panneaux de laine de roche rigides et enduit - SC+90

Le produit a été testé et approuvé en :
  • Béton cellulaire ≥ 100 mm | EI 90 (ve i o) S - (300Pa) | Panneaux de laine de roche + enduit ≥ 140 kg/m³ + enduit sur gaine | Type de pose : encastré en conduit traversant, 0-360° | SC+90 Ø 100-200 mm
2
Le colmatage de la réservation dans la paroi autour de la gaine dans laquelle se trouve le clapet terminal s'effectue au moyen de 2 couches de panneaux de laine de roche d'épaisseur 50mm recouverte d'enduit coupe-feu sur une face (type PROMASTOP-CB 50 / PROMASTOP-CB/CC 50 / HILTI CFS-CT B).
3
Les 2 couches sont posées à joints décalés et ces joints sont recouverts sur tout le contour du panneau d'enduit de type PROMASTOP-CC / HILTI CFS-S-ACR.
5
La gaine est recouverte d'une couche (>1,5 mm) d'enduit endothermique (type PROMASTOP-CC / HILTI CFS-CT) sur 100 mm du côté où la lame dépasse en position ouverte.
6
La gaine contenant le clapet ne doit pas être centrée dans la réservation (de dimensions maximales gaine + 600 mm). Une distance maximale de 400 mm doit être respectée par rapport au bord de la réservation.

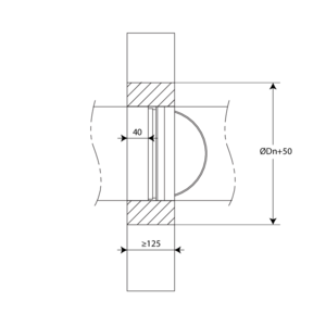
Montage en paroi massive, calfeutrement plâtre - SC+90

Le produit a été testé et approuvé en :
  • Béton cellulaire ≥ 125 mm | EI 90 (ve i o) S - (300Pa) | Plâtre | Type de pose : encastré en conduit traversant, 0-360°. Distances minimales autorisées. | SC+90 Ø 100-200 mm

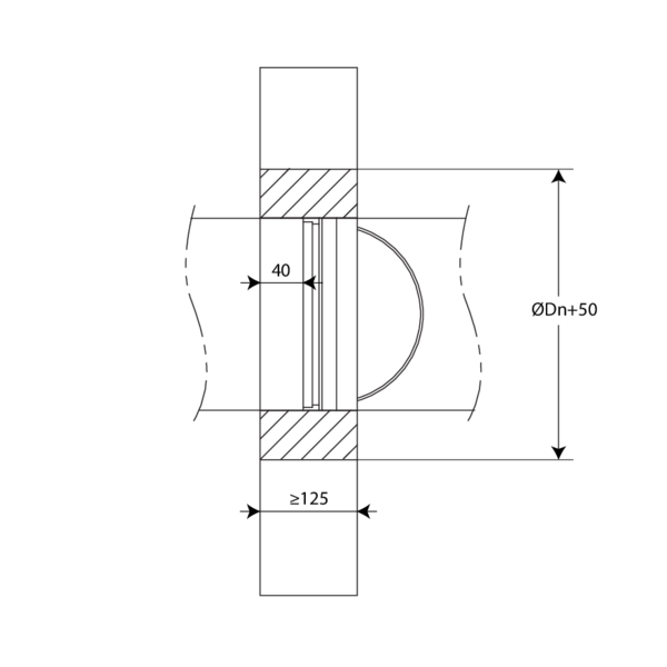
Montage en paroi massive, calfeutrement plâtre + 2 x 12,5 mm plaques de plâtre type F - SC+90

Le produit a été testé et approuvé en :
  • Béton cellulaire ≥ 100 mm | EI 90 (ve i o) S - (300Pa) | Plâtre + 2 x 12.5 mm plaques de plâtre Type F (EN520) | Type de pose : encastré en conduit traversant, 0-360°. Distances minimales autorisées. | SC+90 Ø 100-200 mm

Montage en paroi flexible, calfeutrement avec des panneaux de laine de roche rigides et enduit - SC+90

Le produit a été testé et approuvé en :
  • Ossature métallique et plaques de plâtre Type F (EN 520) ≥ 100 mm | EI 90 (ve i o) S - (300Pa) | Panneaux de laine de roche + enduit ≥ 140 kg/m³ + enduit sur gaine | Type de pose : encastré en conduit traversant, 0-360° | SC+90 Ø 100-200 mm
2
Le colmatage de la réservation dans la paroi autour de la gaine dans laquelle se trouve le clapet terminal s'effectue au moyen de 2 couches de panneaux de laine de roche d'épaisseur 50mm recouverte d'enduit coupe-feu sur une face (type PROMASTOP-CB 50 / PROMASTOP-CB/CC 50 / HILTI CFS-CT B).
3
Les 2 couches sont posées à joints décalés et ces joints sont recouverts sur tout le contour du panneau d'enduit de type PROMASTOP-CC / HILTI CFS-S-ACR.
5
La gaine est recouverte d'une couche (>1,5 mm) d'enduit endothermique (type PROMASTOP-CC / HILTI CFS-CT) sur 100 mm du côté où la lame dépasse en position ouverte.
6
La gaine contenant le clapet ne doit pas être centrée dans la réservation (de dimensions maximales gaine + 600 mm). Une distance maximale de 400 mm doit être respectée par rapport au bord de la réservation.

Montage en paroi flexible, calfeutrement plâtre + 2 x 12,5 mm plaques de plâtre type F - SC+90

Le produit a été testé et approuvé en :
  • Ossature métallique et plaques de plâtre Type F (EN 520) ≥ 100 mm | EI 90 (ve i o) S - (300Pa) | Plâtre + 2 x 12.5 mm plaques de plâtre Type F (EN520) | Type de pose : encastré en conduit traversant, 0-360°. Distances minimales autorisées. | SC+90 Ø 100-200 mm

Montage en paroi flexible, calfeutrement en laine de roche, plâtre et talons - SC+90

Le produit a été testé et approuvé en :
  • Ossature métallique et plaques de plâtre Type F (EN 520) ≥ 100 mm | EI 90 (ve i o) S - (300Pa) | Laine de roche ≥ 40 kg/m³ + plâtre + talons | Type de pose : encastré en conduit traversant, 0-360° | SC+90 Ø 100-200 mm

Montage en paroi et dalle massive, calfeutrement mortier - SC+60, SC+90 et SC+120

Le produit a été testé et approuvé en :
  • Béton cellulaire ≥ 150 mm | EI 90 (ho i o) S - (300Pa) | Mortier | Type de pose : encastré en conduit traversant, 0-360° | SC+90 Ø 100-200 mm
  • Béton cellulaire ≥ 100 mm | EI 90 (ve i o) S - (300Pa) | Mortier | Type de pose : encastré en conduit traversant, 0-360° | SC+90 Ø 100-200 mm

Remarques générales

  • Vérifiez le libre mouvement de la lame mobile.
  • Le clapet terminal doit être accessible pour inspection et entretien.
  • Respectez les distances de sécurité par rapport aux autres éléments constructifs.

Remarques spécifiques aux produits

  • L'installation doit être conforme au rapport de classement et à la notice technique.
  • Les résultats obtenus dans les structures porteuses normalisées selon la norme EN 1366-2 s'appliquent également aux structures porteuses similaires dont la résistance au feu, l'épaisseur et la densité sont égales ou supérieures à celles de la structure porteuse de l'essai. Plus d'informations sur les structures porteuses normalisées : https://www.rft.eu/fr-be/page/contexte-legal/reglementation-europeenne/parois-normalisees
  • Sens de montage: avec l'axe orienté de 0 à 360°
  • Direction du flux d'air: indifférent
  • Si les manipulations ne se déroulent pas conformément à la présente notice, Rf-Technologies ne peut pas être tenu responsable et les conditions de garantie ne seront pas d'application!