SC+90 - Installation

Operation: manual opening

2
Press the two blocking hooks carefully to unlock the blades.
3
Click the fusible link into the holder to lock the blades.

Operation: manual closing

2
Unlock (close) the damper blades by pushing them towards each other. Carefully unlock the fusible link by pushing it sidewards.

Electrical wiring

1
An end of range switch (FCU) can be mounted on the metal body. The purpose is to determine the position of the circular fire damper cartridge from a distance. 1mA...6A DC 5V....AC250V. COM: black; NF: grey; NO: blue. Power supply: Max 250V; Power consumption : Max 6A; Degree of protection: IP65; Length of cable: 500 mm.

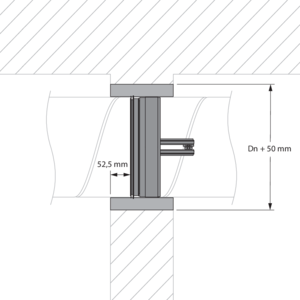
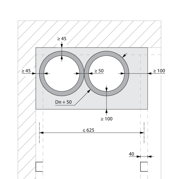
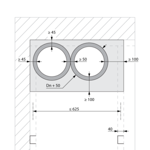
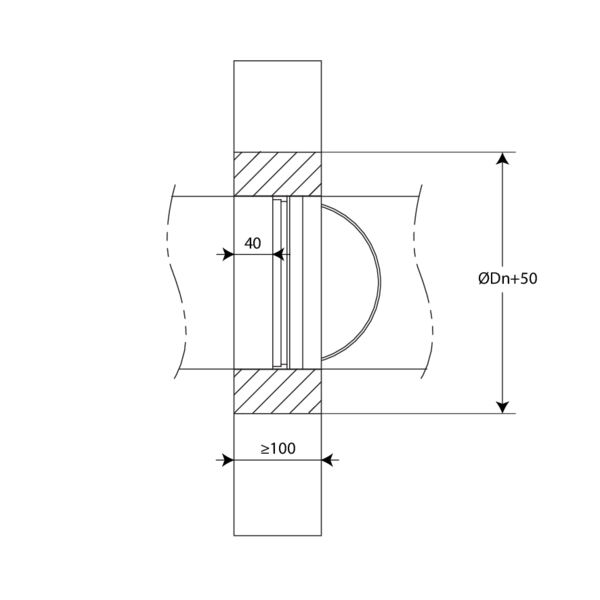
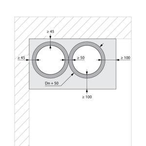
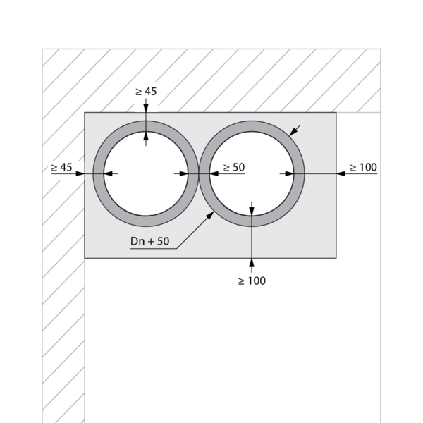
Installation at a minimal distance from another damper or from an adjacent supporting construction

1
According to the European test standard, a fire damper must be installed at a minimum distance of 75 mm from an adjacent wall and 200 mm from another damper, unless the solution was tested at a shorter distance. This range of Rf-t fire dampers has been successfully tested and in several installation methods can be installed in a vertical supporting construction, at a distance below the minimum set by the standard - see below.
2
If installation at a shorter distance (only possible for certain installation methods) take in account following restriction:
A maximum of 2 circular dampers can be installed horizontally at a minimum distance from one another.

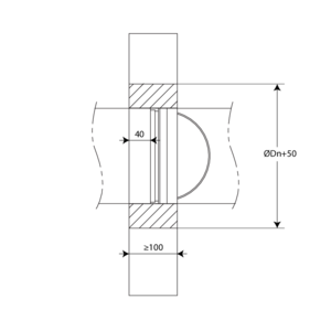
Installation in rigid wall, sealing with rigid stone wool boards with coating - SC+90

The product was tested and approved in:
  • Aerated concrete ≥ 100 mm | EI 90 (ve i o) S - (300Pa) | Stone wool + coating ≥ 140 kg/m³ + coated duct | Type of installation: built-in inside a duct, 0-360° | SC+90 Ø 100-200 mm
2
The opening in the wall around the duct in which the fire damper cartridge is mounted, is sealed with 2 layers of 50 mm-thick stone wool panels with fire resistant coating on one side (type PROMASTOP-CB 50 / PROMASTOP-CB/CC 50 / HILTI CFS-CT B).
3
The joints on these 2 layers must be installed staggered and covered all around the edge with coating (type PROMASTOP-CC / HILTI CFS-S-ACR).
5
The duct is coated with a layer (>1,5 mm) of endothermic coating (type PROMASTOP-CC / HILTI CFS-CT) on a width of 100 mm at the side the open damper blade exceeds.
6
The duct in which the damper is inserted doesn't need be centered in the opening (with max dimensions duct + 600 mm). The maximal distance between the damper and the edge of the opening is 400 mm.

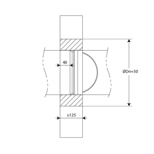
Installation in rigid wall with gypsum sealing - SC+90

The product was tested and approved in:
  • Aerated concrete ≥ 125 mm | EI 90 (ve i o) S - (300Pa) | Gypsum | Type of installation: built-in inside a duct, 0-360°. Minimal distances authorised. | SC+90 Ø 100-200 mm

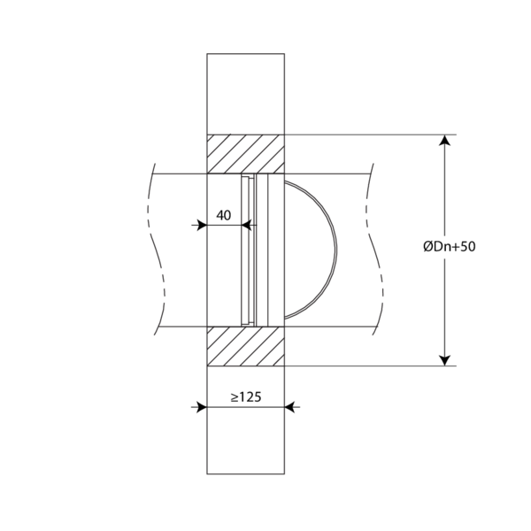
Installation in rigid wall with gypsum sealing + 2 x 12.5 mm gypsum plasterboard type F - SC+90

The product was tested and approved in:
  • Aerated concrete ≥ 100 mm | EI 90 (ve i o) S - (300Pa) | Gypsum + 2 x 12.5 mm gypsum plasterboard Type F (EN520) | Type of installation: built-in inside a duct, 0-360°. Minimal distances authorised. | SC+90 Ø 100-200 mm

Installation in flexible wall, sealing with rigid stone wool boards with coating - SC+90

The product was tested and approved in:
  • Metal studs gypsum plasterboard Type F (EN 520) ≥ 100 mm | EI 90 (ve i o) S - (300Pa) | Stone wool + coating ≥ 140 kg/m³ + coated duct | Type of installation: built-in inside a duct, 0-360° | SC+90 Ø 100-200 mm
2
The opening in the wall around the duct in which the fire damper cartridge is mounted, is sealed with 2 layers of 50 mm-thick stone wool panels with fire resistant coating on one side (type PROMASTOP-CB 50 / PROMASTOP-CB/CC 50 / HILTI CFS-CT B).
3
The joints on these 2 layers must be installed staggered and covered all around the edge with coating (type PROMASTOP-CC / HILTI CFS-S-ACR).
5
The duct is coated with a layer (>1,5 mm) of endothermic coating (type PROMASTOP-CC / HILTI CFS-CT) on a width of 100 mm at the side the open damper blade exceeds.
6
The duct in which the damper is inserted doesn't need be centered in the opening (with max dimensions duct + 600 mm). The maximal distance between the damper and the edge of the opening is 400 mm.

Installation in flexible wall with gypsum sealing + 2 x 12.5 mm gypsum plasterboard type F - SC+90

The product was tested and approved in:
  • Metal studs gypsum plasterboard Type F (EN 520) ≥ 100 mm | EI 90 (ve i o) S - (300Pa) | Gypsum + 2 x 12.5 mm gypsum plasterboard Type F (EN520) | Type of installation: built-in inside a duct, 0-360°. Minimal distances authorised. | SC+90 Ø 100-200 mm

Installation in flexible wall with stonewool sealing, gypsum and cover plates - SC+90

The product was tested and approved in:
  • Metal studs gypsum plasterboard Type F (EN 520) ≥ 100 mm | EI 90 (ve i o) S - (300Pa) | Stone wool ≥ 40 kg/m³ + gypsum + cover plates | Type of installation: built-in inside a duct, 0-360° | SC+90 Ø 100-200 mm

Installation in rigid wall and floor with mortar sealing - SC+60, SC+90 and SC+120

The product was tested and approved in:
  • Aerated concrete ≥ 150 mm | EI 90 (ho i o) S - (300Pa) | Mortar | Type of installation: built-in inside a duct, 0-360° | SC+90 Ø 100-200 mm
  • Aerated concrete ≥ 100 mm | EI 90 (ve i o) S - (300Pa) | Mortar | Type of installation: built-in inside a duct, 0-360° | SC+90 Ø 100-200 mm

General remarks

  • Verify if the blade can move freely.
  • The fire damper cartridge must remain accessible for inspection and maintenance.
  • Please observe safety distances with respect to other construction elements.

Product-specific remarks

  • The installation must comply with the installation manual and the classification report.
  • The results obtained in standardised supporting structures according to EN 1366-2 also apply to similar supporting structures with a fire resistance, thickness and density equal to or greater than the supporting structure of the test. More information on standardised supporting structures: https://www.rft.eu/en-gb/page/legal-context/european-regulations/standardised-constructions
  • Mounting direction: mounting possible with the axis in any position (0-360°)
  • Direction of the airflow: discretionary
  • If the product is manipulated in any other way than described in this manual, Rf-Technologies will decline any responsibility and the guarantee will expire!