- Home
- Produits
- Clapets coupe-feu terminaux
- SC+90
- Installation
SC+90 - Installation
Câblage électrique
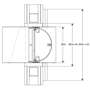
Un contact de position fin de course électrique (FCU) peut être installé sur le corps en acier pour signaler la position de la lame à distance. 1mA...6A DC 5V....AC250V.
COM : noir ; NF : gris ; NO : bleu.
Tension d'utilisation: Max 250V; Courant d'utilisation: Max 6A; Dégré de protection: IP65; Longueur du câble: 500 mm.
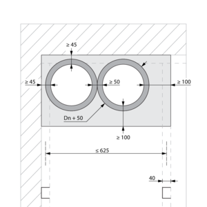
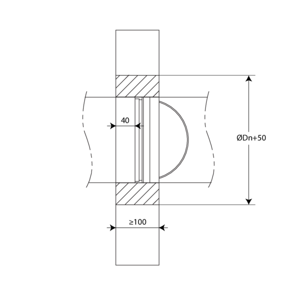
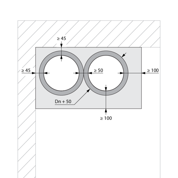
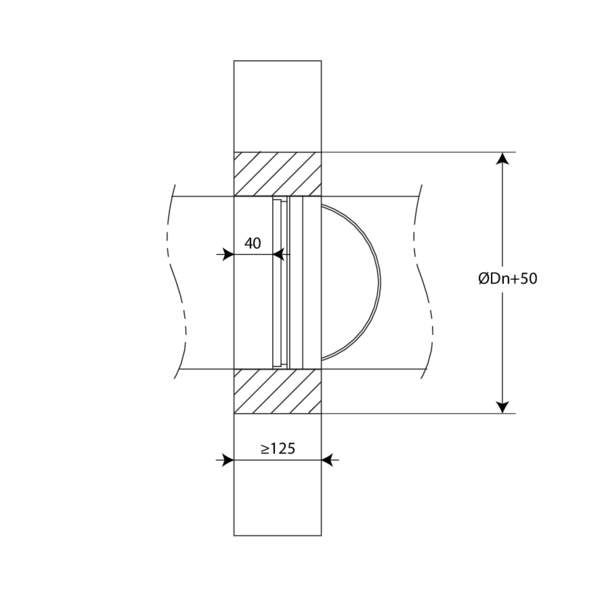
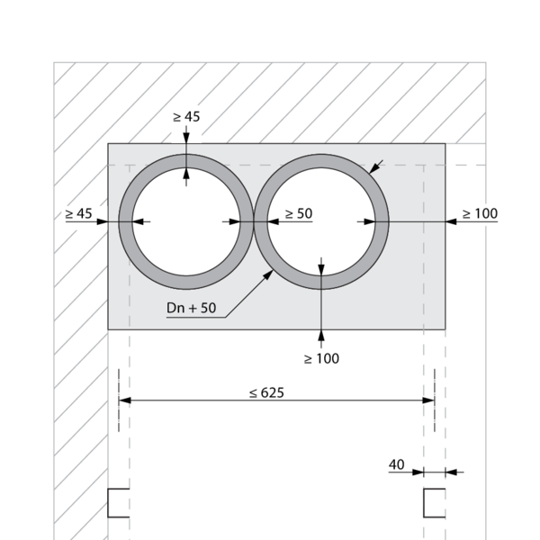
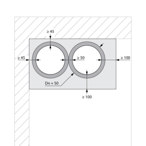
Installation à distance minimale d'un autre clapet ou d'une paroi adjacente
Selon la norme d’essai européenne, un clapet coupe-feu doit être installé à une distance minimale de 75 mm d’une paroi adjacente et de 200 mm d’un autre clapet, sauf si la solution a été testée à une distance inférieure.
Cette gamme de clapets Rf-t a été testée avec succès et peut être installée en paroi verticale à une distance inférieure au minimum imposé par la norme dans certaines situations d'installation - voir plus loin.
Montage en paroi massive, calfeutrement avec des panneaux de laine de roche rigides et enduit - SC+90
Le produit a été testé et approuvé en :
- Béton cellulaire ≥ 100 mm | EI 90 (ve i o) S - (300Pa) | Panneaux de laine de roche + enduit ≥ 140 kg/m³ + enduit sur gaine | Type de pose : encastré en conduit traversant, 0-360° | SC+90 Ø 100-200 mm
Le colmatage de la réservation dans la paroi autour de la gaine dans laquelle se trouve le clapet terminal s'effectue au moyen de 2 couches de panneaux de laine de roche d'épaisseur 50mm recouverte d'enduit coupe-feu sur une face (type PROMASTOP-CB 50 / PROMASTOP-CB/CC 50 / HILTI CFS-CT B).
Les 2 couches sont posées à joints décalés et ces joints sont recouverts sur tout le contour du panneau d'enduit de type PROMASTOP-CC / HILTI CFS-S-ACR.
Montage en paroi flexible, calfeutrement avec des panneaux de laine de roche rigides et enduit - SC+90
Le produit a été testé et approuvé en :
- Ossature métallique et plaques de plâtre Type F (EN 520) ≥ 100 mm | EI 90 (ve i o) S - (300Pa) | Panneaux de laine de roche + enduit ≥ 140 kg/m³ + enduit sur gaine | Type de pose : encastré en conduit traversant, 0-360° | SC+90 Ø 100-200 mm
Le colmatage de la réservation dans la paroi autour de la gaine dans laquelle se trouve le clapet terminal s'effectue au moyen de 2 couches de panneaux de laine de roche d'épaisseur 50mm recouverte d'enduit coupe-feu sur une face (type PROMASTOP-CB 50 / PROMASTOP-CB/CC 50 / HILTI CFS-CT B).
Les 2 couches sont posées à joints décalés et ces joints sont recouverts sur tout le contour du panneau d'enduit de type PROMASTOP-CC / HILTI CFS-S-ACR.
Montage en paroi flexible, calfeutrement plâtre + 2 x 12,5 mm plaques de plâtre type F - SC+90
Le produit a été testé et approuvé en :
- Ossature métallique et plaques de plâtre Type F (EN 520) ≥ 100 mm | EI 90 (ve i o) S - (300Pa) | Plâtre + 2 x 12.5 mm plaques de plâtre Type F (EN520) | Type de pose : encastré en conduit traversant, 0-360°. Distances minimales autorisées. | SC+90 Ø 100-200 mm
Montage en paroi et dalle massive, calfeutrement mortier - SC+60, SC+90 et SC+120
Le produit a été testé et approuvé en :
- Béton cellulaire ≥ 150 mm | EI 90 (ho i o) S - (300Pa) | Mortier | Type de pose : encastré en conduit traversant, 0-360° | SC+90 Ø 100-200 mm
- Béton cellulaire ≥ 100 mm | EI 90 (ve i o) S - (300Pa) | Mortier | Type de pose : encastré en conduit traversant, 0-360° | SC+90 Ø 100-200 mm
Remarques générales
- Vérifiez le libre mouvement de la lame mobile.
- Le clapet terminal doit être accessible pour inspection et entretien.
- Respectez les distances de sécurité par rapport aux autres éléments constructifs.
Remarques spécifiques aux produits
- L'installation doit être conforme au rapport de classement et à la notice technique.
- Les résultats obtenus dans les structures porteuses normalisées selon la norme EN 1366-2 s'appliquent également aux structures porteuses similaires dont la résistance au feu, l'épaisseur et la densité sont égales ou supérieures à celles de la structure porteuse de l'essai. Plus d'informations sur les structures porteuses normalisées : https://www.rft.eu/fr-be/page/contexte-legal/reglementation-europeenne/parois-normalisees
- Sens de montage: avec l'axe orienté de 0 à 360°
- Direction du flux d'air: indifférent
- Si les manipulations ne se déroulent pas conformément à la présente notice, Rf-Technologies ne peut pas être tenu responsable et les conditions de garantie ne seront pas d'application!