VUW120 - Afmetingen

Gamma en afmetingen

Hn\Bn [mm]300x3001500x1000
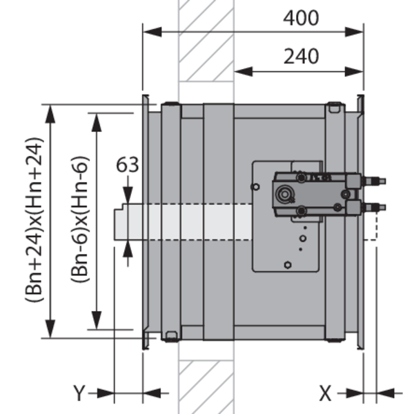
  • Bn/Hn per stap van 50 mm
  • Uitsteken klepblad: X = langs de mechanisme zijde, Y = langs de muurzijde
  • X = Hn/2 – 274 mm
    Y = Hn/2 – 148 mm

Hn [mm]3003504004505005506006507007508008509009501000
X-----1265176101126151176201226
Y2275277102127152177202227252277302327352
  • VUW120 + BEN
  BEN
P 103
Q 90
Z 80
  • VUW120 + BEN + BOX
  BEN + BOX
P 193
Q 205
Z 152

Gewichten Scroll naar rechts/beneden om de volledige tabel te zien

Hn\Bn [mm]30035040045050055060065070075080085090095010001050110011501200125013001350140014501500
300kg15,417,018,520,121,623,224,726,327,829,430,932,534,035,637,138,740,241,843,344,946,448,049,551,152,6
350kg17,018,720,322,023,625,327,028,630,332,033,635,337,038,640,342,043,645,347,048,650,352,053,655,357,0
400kg18,520,322,023,825,627,429,231,032,734,536,338,139,941,743,445,247,048,850,652,354,155,957,759,561,3
450kg20,021,923,825,727,629,531,433,335,237,139,040,942,844,746,648,550,452,354,256,157,959,961,863,665,5
500kg21,523,525,527,529,531,633,635,637,639,641,643,645,747,749,751,753,755,757,859,861,863,865,867,869,8
550kg23,025,127,229,431,533,635,837,940,042,244,346,448,650,752,855,057,159,261,463,565,667,869,972,074,1
600kg24,426,728,931,233,435,737,940,442,744,947,249,451,753,956,258,460,762,965,267,469,771,974,276,478,7
650kg25,928,330,733,035,437,840,442,745,147,549,852,254,656,959,361,764,066,468,871,173,575,978,280,683,0
700kg27,429,932,434,937,440,142,645,147,550,052,555,057,560,062,464,967,469,972,474,877,379,882,384,887,3
750kg28,931,534,136,739,642,244,847,450,052,655,257,860,463,065,668,270,873,476,078,681,283,886,489,091,6
800kg30,433,235,938,841,544,347,049,752,455,157,860,663,366,068,771,474,176,979,682,385,087,790,493,195,9
850kg31,934,837,840,743,546,349,252,054,857,760,563,366,269,071,874,777,580,383,286,088,891,794,597,3100,2
900kg33,436,639,642,545,548,451,454,357,360,263,266,169,372,375,278,281,184,187,089,992,995,998,8101,7104,7
950kg35,238,241,344,447,450,553,656,659,762,865,869,172,275,378,381,484,587,590,693,796,799,8102,9105,9109,0
1000kg36,739,943,046,249,452,655,858,962,165,368,771,975,178,381,584,787,891,094,297,4100,6103,8106,9110,1113,3