- Home
- Products
- Smoke control dampers
- VUW120
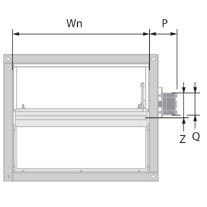
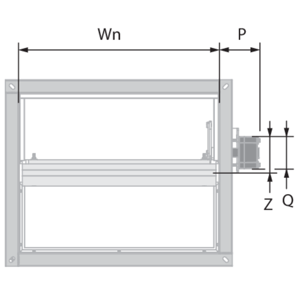
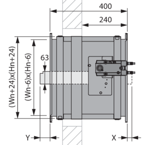
- Dimensions
VUW120 - Dimensions
Range and dimensions
Weights Scroll down/right to view the entire table
| Hn\Wn [mm] | 300 | 350 | 400 | 450 | 500 | 550 | 600 | 650 | 700 | 750 | 800 | 850 | 900 | 950 | 1000 | 1050 | 1100 | 1150 | 1200 | 1250 | 1300 | 1350 | 1400 | 1450 | 1500 | |
|---|---|---|---|---|---|---|---|---|---|---|---|---|---|---|---|---|---|---|---|---|---|---|---|---|---|---|
| 300 | kg | 15,4 | 17,0 | 18,5 | 20,1 | 21,6 | 23,2 | 24,7 | 26,3 | 27,8 | 29,4 | 30,9 | 32,5 | 34,0 | 35,6 | 37,1 | 38,7 | 40,2 | 41,8 | 43,3 | 44,9 | 46,4 | 48,0 | 49,5 | 51,1 | 52,6 |
| 350 | kg | 17,0 | 18,7 | 20,3 | 22,0 | 23,6 | 25,3 | 27,0 | 28,6 | 30,3 | 32,0 | 33,6 | 35,3 | 37,0 | 38,6 | 40,3 | 42,0 | 43,6 | 45,3 | 47,0 | 48,6 | 50,3 | 52,0 | 53,6 | 55,3 | 57,0 |
| 400 | kg | 18,5 | 20,3 | 22,0 | 23,8 | 25,6 | 27,4 | 29,2 | 31,0 | 32,7 | 34,5 | 36,3 | 38,1 | 39,9 | 41,7 | 43,4 | 45,2 | 47,0 | 48,8 | 50,6 | 52,3 | 54,1 | 55,9 | 57,7 | 59,5 | 61,3 |
| 450 | kg | 20,0 | 21,9 | 23,8 | 25,7 | 27,6 | 29,5 | 31,4 | 33,3 | 35,2 | 37,1 | 39,0 | 40,9 | 42,8 | 44,7 | 46,6 | 48,5 | 50,4 | 52,3 | 54,2 | 56,1 | 57,9 | 59,9 | 61,8 | 63,6 | 65,5 |
| 500 | kg | 21,5 | 23,5 | 25,5 | 27,5 | 29,5 | 31,6 | 33,6 | 35,6 | 37,6 | 39,6 | 41,6 | 43,6 | 45,7 | 47,7 | 49,7 | 51,7 | 53,7 | 55,7 | 57,8 | 59,8 | 61,8 | 63,8 | 65,8 | 67,8 | 69,8 |
| 550 | kg | 23,0 | 25,1 | 27,2 | 29,4 | 31,5 | 33,6 | 35,8 | 37,9 | 40,0 | 42,2 | 44,3 | 46,4 | 48,6 | 50,7 | 52,8 | 55,0 | 57,1 | 59,2 | 61,4 | 63,5 | 65,6 | 67,8 | 69,9 | 72,0 | 74,1 |
| 600 | kg | 24,4 | 26,7 | 28,9 | 31,2 | 33,4 | 35,7 | 37,9 | 40,4 | 42,7 | 44,9 | 47,2 | 49,4 | 51,7 | 53,9 | 56,2 | 58,4 | 60,7 | 62,9 | 65,2 | 67,4 | 69,7 | 71,9 | 74,2 | 76,4 | 78,7 |
| 650 | kg | 25,9 | 28,3 | 30,7 | 33,0 | 35,4 | 37,8 | 40,4 | 42,7 | 45,1 | 47,5 | 49,8 | 52,2 | 54,6 | 56,9 | 59,3 | 61,7 | 64,0 | 66,4 | 68,8 | 71,1 | 73,5 | 75,9 | 78,2 | 80,6 | 83,0 |
| 700 | kg | 27,4 | 29,9 | 32,4 | 34,9 | 37,4 | 40,1 | 42,6 | 45,1 | 47,5 | 50,0 | 52,5 | 55,0 | 57,5 | 60,0 | 62,4 | 64,9 | 67,4 | 69,9 | 72,4 | 74,8 | 77,3 | 79,8 | 82,3 | 84,8 | 87,3 |
| 750 | kg | 28,9 | 31,5 | 34,1 | 36,7 | 39,6 | 42,2 | 44,8 | 47,4 | 50,0 | 52,6 | 55,2 | 57,8 | 60,4 | 63,0 | 65,6 | 68,2 | 70,8 | 73,4 | 76,0 | 78,6 | 81,2 | 83,8 | 86,4 | 89,0 | 91,6 |
| 800 | kg | 30,4 | 33,2 | 35,9 | 38,8 | 41,5 | 44,3 | 47,0 | 49,7 | 52,4 | 55,1 | 57,8 | 60,6 | 63,3 | 66,0 | 68,7 | 71,4 | 74,1 | 76,9 | 79,6 | 82,3 | 85,0 | 87,7 | 90,4 | 93,1 | 95,9 |
| 850 | kg | 31,9 | 34,8 | 37,8 | 40,7 | 43,5 | 46,3 | 49,2 | 52,0 | 54,8 | 57,7 | 60,5 | 63,3 | 66,2 | 69,0 | 71,8 | 74,7 | 77,5 | 80,3 | 83,2 | 86,0 | 88,8 | 91,7 | 94,5 | 97,3 | 100,2 |
| 900 | kg | 33,4 | 36,6 | 39,6 | 42,5 | 45,5 | 48,4 | 51,4 | 54,3 | 57,3 | 60,2 | 63,2 | 66,1 | 69,3 | 72,3 | 75,2 | 78,2 | 81,1 | 84,1 | 87,0 | 89,9 | 92,9 | 95,9 | 98,8 | 101,7 | 104,7 |
| 950 | kg | 35,2 | 38,2 | 41,3 | 44,4 | 47,4 | 50,5 | 53,6 | 56,6 | 59,7 | 62,8 | 65,8 | 69,1 | 72,2 | 75,3 | 78,3 | 81,4 | 84,5 | 87,5 | 90,6 | 93,7 | 96,7 | 99,8 | 102,9 | 105,9 | 109,0 |
| 1000 | kg | 36,7 | 39,9 | 43,0 | 46,2 | 49,4 | 52,6 | 55,8 | 58,9 | 62,1 | 65,3 | 68,7 | 71,9 | 75,1 | 78,3 | 81,5 | 84,7 | 87,8 | 91,0 | 94,2 | 97,4 | 100,6 | 103,8 | 106,9 | 110,1 | 113,3 |