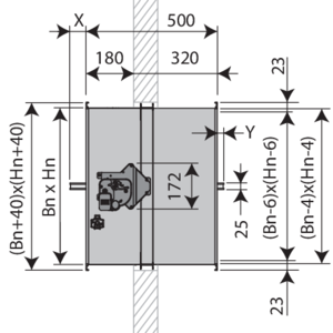
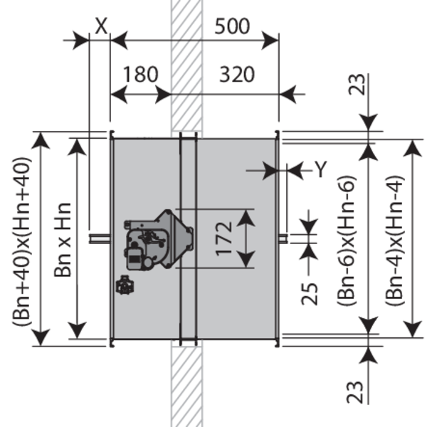
CU-LT-L500 - Afmetingen

Gamma en afmetingen

Hn\Bn [mm]200x100800x600
  • Overbrenging en mechanisme steken uit bij Hn ≤ 150 mm
  • Uitsteken klepblad: X = langs de mechanisme zijde, Y = langs de muurzijde
  • X= (Hn-6)/2 - 230
    Y= (Hn-6)/2 - 270

Hn [mm]500550600
X174267
Y-227
  • Hn < 400 mm
  MFUSP ONE (X) BFLT
P 101 97 81
Q 122 136 80
Z 61 75 40
  • Hn ≥ 400 mm
  MFUSP ONE (X) BFLT
P 101 97 81
Q 123 191 80
Z 28 27 40

Gewichten Scroll naar rechts/beneden om de volledige tabel te zien

Hn\Bn [mm]200250300350400450500550600650700750800
100kg4,04,55,05,56,06,57,07,57,98,48,99,49,9
150kg4,65,15,76,26,87,37,98,49,09,610,110,711,2
200kg5,25,86,47,07,68,28,89,410,110,711,311,912,5
250kg5,86,57,17,88,59,19,810,411,111,812,413,113,8
300kg6,47,17,88,69,310,010,711,412,212,913,614,315,0
350kg7,07,88,69,310,110,911,712,413,214,014,815,516,3
400kg7,68,59,310,110,911,812,613,414,315,115,916,817,6
450kg8,29,110,010,911,812,713,614,415,316,217,118,018,9
500kg8,89,810,711,712,613,614,515,416,417,318,319,220,1
550kg9,410,411,412,413,414,415,416,417,418,419,420,421,4
600kg10,111,112,213,214,315,316,417,418,519,520,621,622,7