- Home
- Prodotti
- Serrande tagliafuoco
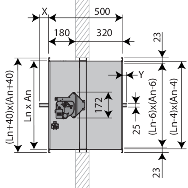
- CU-LT-L500
- Dimensioni
CU-LT-L500 - Dimensioni
Gamma e dimensioni
Pesi Scorri verso il basso/destra per visualizzare l'intera tabella
| An\Ln [mm] | 200 | 250 | 300 | 350 | 400 | 450 | 500 | 550 | 600 | 650 | 700 | 750 | 800 | |
|---|---|---|---|---|---|---|---|---|---|---|---|---|---|---|
| 100 | kg | 4,0 | 4,5 | 5,0 | 5,5 | 6,0 | 6,5 | 7,0 | 7,5 | 7,9 | 8,4 | 8,9 | 9,4 | 9,9 |
| 150 | kg | 4,6 | 5,1 | 5,7 | 6,2 | 6,8 | 7,3 | 7,9 | 8,4 | 9,0 | 9,6 | 10,1 | 10,7 | 11,2 |
| 200 | kg | 5,2 | 5,8 | 6,4 | 7,0 | 7,6 | 8,2 | 8,8 | 9,4 | 10,1 | 10,7 | 11,3 | 11,9 | 12,5 |
| 250 | kg | 5,8 | 6,5 | 7,1 | 7,8 | 8,5 | 9,1 | 9,8 | 10,4 | 11,1 | 11,8 | 12,4 | 13,1 | 13,8 |
| 300 | kg | 6,4 | 7,1 | 7,8 | 8,6 | 9,3 | 10,0 | 10,7 | 11,4 | 12,2 | 12,9 | 13,6 | 14,3 | 15,0 |
| 350 | kg | 7,0 | 7,8 | 8,6 | 9,3 | 10,1 | 10,9 | 11,7 | 12,4 | 13,2 | 14,0 | 14,8 | 15,5 | 16,3 |
| 400 | kg | 7,6 | 8,5 | 9,3 | 10,1 | 10,9 | 11,8 | 12,6 | 13,4 | 14,3 | 15,1 | 15,9 | 16,8 | 17,6 |
| 450 | kg | 8,2 | 9,1 | 10,0 | 10,9 | 11,8 | 12,7 | 13,6 | 14,4 | 15,3 | 16,2 | 17,1 | 18,0 | 18,9 |
| 500 | kg | 8,8 | 9,8 | 10,7 | 11,7 | 12,6 | 13,6 | 14,5 | 15,4 | 16,4 | 17,3 | 18,3 | 19,2 | 20,1 |
| 550 | kg | 9,4 | 10,4 | 11,4 | 12,4 | 13,4 | 14,4 | 15,4 | 16,4 | 17,4 | 18,4 | 19,4 | 20,4 | 21,4 |
| 600 | kg | 10,1 | 11,1 | 12,2 | 13,2 | 14,3 | 15,3 | 16,4 | 17,4 | 18,5 | 19,5 | 20,6 | 21,6 | 22,7 |