SCV+60 - Installazione

Funzionamento: apertura manuale

2
Premere con attenzione i due ganci di bloccaggio per liberare le pale.
3
Inserire l'elemento fusibile nel supporto per bloccare le pale.

Funzionamento: chiusura manuale

2
Sbloccare (chiudere) le pale della serranda premendole una verso l'altra. Liberare con attenzione l'elemento fusibile premendolo lateralmente.

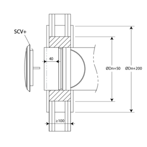
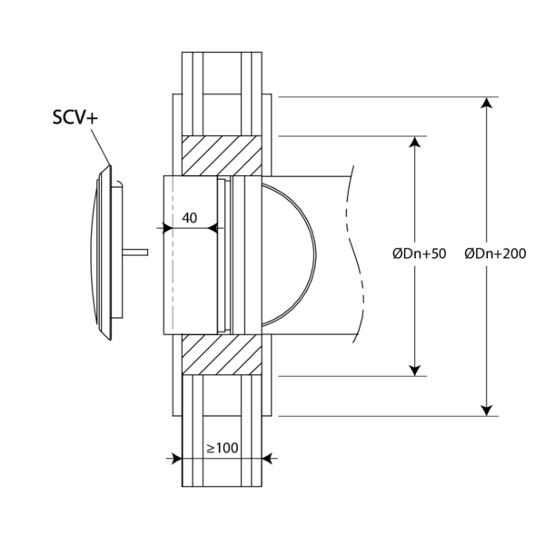
Installazione in pareti rigide e a pavimento, sigillatura a malta

Il prodotto è stato testato e approvato in::
  • Calcestruzzo aerato ≥ 100 mm | EI 60 (ve i o) S - (300Pa) | Malta | Tipo di installazione: a incasso all'interno di un canale, 0-360° | SCV+60 Ø 100-200 mm
  • Calcestruzzo aerato ≥ 150 mm | EI 60 (ho i o) S - (300Pa) | Malta | Tipo di installazione: a incasso all'interno di un canale, 0-360° | SC(V)+60

Installazione in parete leggera applicabile a SCV+60, SC+60L

Il prodotto è stato testato e approvato in::
  • Pannello di cartongesso con telaio metallico tipo A (EN 520) ≥ 100 mm | EI 60 (ve i o) S - (300Pa) | Lana di roccia ≥ 40 kg / m³ + pannelli di copertura | Tipo di installazione: a incasso all'interno di un canale, 0-360° | SC(V)+60

Installazione in parete leggera con sigillatura in gesso applicabile a SC(V)+60

Il prodotto è stato testato e approvato in::
  • Pannello di cartongesso con telaio metallico tipo A (EN 520) ≥ 100 mm | EI 60 (ve i o) S - (300Pa) | Gesso | Tipo di installazione: a incasso all'interno di un canale, 0-360° | SC(V)+60

Note generali

  • Verificare se la pala può muoversi liberamente.
  • La cartuccia della serranda tagliafuoco deve restare accessibile per ispezione e manutenzione.
  • Rispettare le distanze di sicurezza da altri elementi costruttivi.

Note specifiche sul prodotto

  • L'installazione deve essere conforme al manuale di installazionee al rapporto di classificazione.
  • I risultati ottenuti nelle strutture di supporto standardizzate secondo la norma EN 1366-2 si applicano anche a strutture di supporto simili con resistenza al fuoco, spessore e densità pari o superiore alla struttura di supporto del test. Ulteriori informazioni sulle strutture di supporto standardizzate: https://www.rft.eu/en-eu/page/fire-safety/legal-context/european-regulations/standardised-constructions
  • Senso di montaggio: montaggio possibile con l'asse in qualsiasi posizione (0-360°)
  • Direzione del flusso d'aria: discrezionale
  • Rf-Technologies declina ogni responsabilità in caso di utilizzo e movimentazione del prodotto in modi diversi da quelli descritti nel presente manuale; una tale eventualità determinerà inoltre l'annullamento di qualsiasi garanzia!