SCV+60 - Installation

Operation: manual opening

2
Press the two blocking hooks carefully to unlock the blades.
3
Click the fusible link into the holder to lock the blades.

Operation: manual closing

2
Unlock (close) the damper blades by pushing them towards each other. Carefully unlock the fusible link by pushing it sidewards.

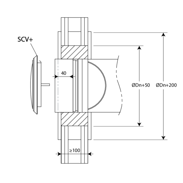
Installation in rigid wall and floor, sealing mortar

The product was tested and approved in:
  • Aerated concrete ≥ 100 mm | EI 60 (ve i o) S - (300Pa) | Mortar | Type of installation: built-in inside a duct, 0-360° | SCV+60 Ø 100-200 mm
  • Aerated concrete ≥ 150 mm | EI 60 (ho i o) S - (300Pa) | Mortar | Type of installation: built-in inside a duct, 0-360° | SC(V)+60

Installation in flexible wall applicable for SCV+60, SC+60L

The product was tested and approved in:
  • Metal studs gypsum plasterboard Type A (EN 520) ≥ 100 mm | EI 60 (ve i o) S - (300Pa) | Stone wool ≥ 40 kg/m³ + cover plates | Type of installation: built-in inside a duct, 0-360° | SC(V)+60

Installation in flexible wall with gypsum sealing applicable for SC(V)+60

The product was tested and approved in:
  • Metal studs gypsum plasterboard Type A (EN 520) ≥ 100 mm | EI 60 (ve i o) S - (300Pa) | Gypsum | Type of installation: built-in inside a duct, 0-360° | SC(V)+60

General remarks

  • Verify if the blade can move freely.
  • The fire damper cartridge must remain accessible for inspection and maintenance.
  • Please observe safety distances with respect to other construction elements.

Product-specific remarks

  • The installation must comply with the installation manual and the classification report.
  • The results obtained in standardised supporting structures according to EN 1366-2 also apply to similar supporting structures with a fire resistance, thickness and density equal to or greater than the supporting structure of the test. More information on standardised supporting structures: https://www.rft.eu/en-gb/page/legal-context/european-regulations/standardised-constructions
  • Mounting direction: mounting possible with the axis in any position (0-360°)
  • Direction of the airflow: discretionary
  • If the product is manipulated in any other way than described in this manual, Rf-Technologies will decline any responsibility and the guarantee will expire!