SCV+60 - Installation

Commande : ouverture manuelle

2
Poussez les deux pattes d'arrêts pour débloquer les lames.
3
Encliquetez le fusible dans le support pour verrouiller les lames.

Commande : fermeture manuelle

2
Déclenchez (fermez) les lames en les poussant l'une vers l'autre et en exerçant une pression légère sur le fusible.

Montage en paroi massive et dalle massive, mortier de calfeutrement

Le produit a été testé et approuvé en :
  • Béton cellulaire ≥ 100 mm | EI 60 (ve i o) S - (300Pa) | Mortier | Type de pose : encastré en conduit traversant, 0-360° | SCV+60 Ø 100-200 mm
  • Béton cellulaire ≥ 150 mm | EI 60 (ho i o) S - (300Pa) | Mortier | Type de pose : encastré en conduit traversant, 0-360° | SC(V)+60

Montage en paroi flexible applicable pour SCV+60, SC+60L

Le produit a été testé et approuvé en :
  • Ossature métallique et plaques de plâtre Type A (EN 520) ≥ 100 mm | EI 60 (ve i o) S - (300Pa) | Laine de roche ≥ 40 kg/m³ + talons | Type de pose : encastré en conduit traversant, 0-360° | SC(V)+60

Montage en paroi flexible avec calfeutrement plâtre applicable pour SC(V)+60

Le produit a été testé et approuvé en :
  • Ossature métallique et plaques de plâtre Type A (EN 520) ≥ 100 mm | EI 60 (ve i o) S - (300Pa) | Plâtre | Type de pose : encastré en conduit traversant, 0-360° | SC(V)+60

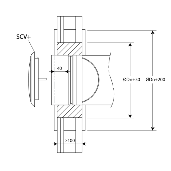
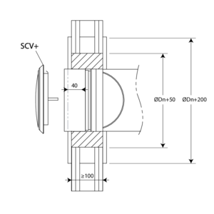
Remarques générales

  • Vérifiez le libre mouvement de la lame mobile.
  • Le clapet terminal doit être accessible pour inspection et entretien.
  • Respectez les distances de sécurité par rapport aux autres éléments constructifs.

Remarques spécifiques aux produits

  • L'installation doit être conforme au rapport de classement et à la notice technique.
  • Les résultats obtenus dans les structures porteuses normalisées selon la norme EN 1366-2 s'appliquent également aux structures porteuses similaires dont la résistance au feu, l'épaisseur et la densité sont égales ou supérieures à celles de la structure porteuse de l'essai. Plus d'informations sur les structures porteuses normalisées : https://www.rft.eu/fr-be/page/contexte-legal/reglementation-europeenne/parois-normalisees
  • Sens de montage: avec l'axe orienté de 0 à 360°
  • Direction du flux d'air: indifférent
  • Si les manipulations ne se déroulent pas conformément à la présente notice, Rf-Technologies ne peut pas être tenu responsable et les conditions de garantie ne seront pas d'application!