- Home
- Produits
- Clapets coupe-feu
- CR60
- Installation
CR60 - Installation
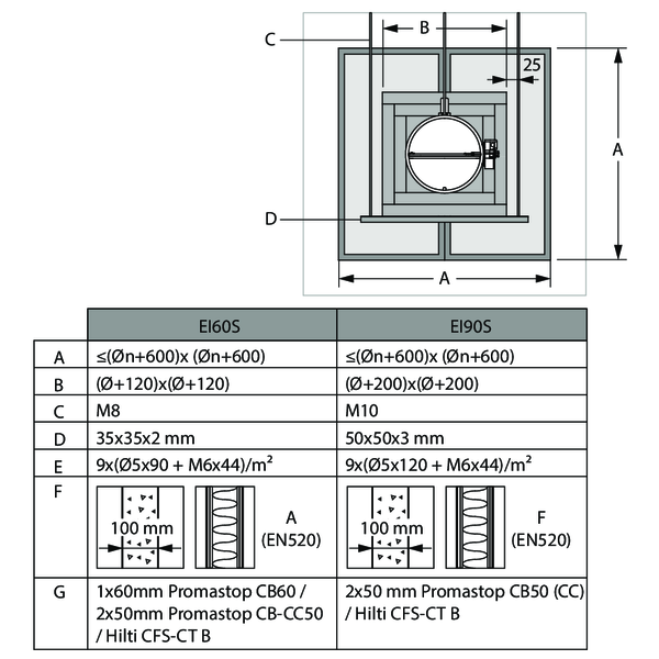
Installation à distance minimale d'un autre clapet ou d'une paroi adjacente
Principe
Selon la norme d’essai européenne EN 1366-2, un clapet coupe-feu doit être installé à une distance minimale de 75 mm d’une paroi/dalle adjacente et de 200 mm d’un autre clapet, sauf si la solution a été testée à une distance inférieure. Cette gamme de clapets Rf-t a été testée avec succès et peut être installée, en paroi verticale ou en dalle, à une distance inférieure au minimum imposé par la norme.
Pour les clapets circulaires, la distance minimale est fixée à 30 mm.
Selon la norme d’essai européenne EN 1366-2, un clapet coupe-feu doit être installé à une distance minimale de 75 mm d’une paroi/dalle adjacente et de 200 mm d’un autre clapet, sauf si la solution a été testée à une distance inférieure. Cette gamme de clapets Rf-t a été testée avec succès et peut être installée, en paroi verticale ou en dalle, à une distance inférieure au minimum imposé par la norme.
Pour les clapets circulaires, la distance minimale est fixée à 30 mm.
Solution certifiée
La solution certifiée pour les clapets Rf-t se compose des éléments suivants : A : colmatage universel distance minimale; B : colmatage selon déclaration des performances.
A. Colmatage de la réservation du côté des distances minimales par rapport à une paroi/dalle adjacente ou un autre clapet coupe-feu : des panneaux rigides de laine de roche (150 kg/m³) sont appliqués sur une profondeur de min. 400 mm, dont 150 mm sur le côté mécanique de la paroi. Les panneaux de laine de roche doivent au moins affleurer le mur.
La surface de ce colmatage est fixée entre les axes (centres) des clapets.
B. Colmatage du reste de la réservation selon les solutions existantes (déclaration des performances).
Cela est également applicable pour les clapets circulaires posés à distance minimales l’un de l’autre (entre 30 et 200 mm) mais plus de 75 mm d’une paroi.
Des informations détaillées pour chaque combinaison paroi/colmatage se trouvent sous les méthodes d'installation respectives.
La solution certifiée pour les clapets Rf-t se compose des éléments suivants : A : colmatage universel distance minimale; B : colmatage selon déclaration des performances.
A. Colmatage de la réservation du côté des distances minimales par rapport à une paroi/dalle adjacente ou un autre clapet coupe-feu : des panneaux rigides de laine de roche (150 kg/m³) sont appliqués sur une profondeur de min. 400 mm, dont 150 mm sur le côté mécanique de la paroi. Les panneaux de laine de roche doivent au moins affleurer le mur.
La surface de ce colmatage est fixée entre les axes (centres) des clapets.
B. Colmatage du reste de la réservation selon les solutions existantes (déclaration des performances).
Cela est également applicable pour les clapets circulaires posés à distance minimales l’un de l’autre (entre 30 et 200 mm) mais plus de 75 mm d’une paroi.
Des informations détaillées pour chaque combinaison paroi/colmatage se trouvent sous les méthodes d'installation respectives.
Limitations
Le clapet peut être monté avec l'axe horizontal ou orienté à 45° au maximum.
Au maximum 3 clapets circulaires peuvent être installés à distance minimale l’un de l’autre, tant verticalement que horizontalement (avec un groupe de maximum 4 clapets).
Remarque : pour le colmatage à l’aide de panneaux de laine de roche coupe-feu, le nombre maximal de clapets dépend également de la surface maximale autorisée pour le matériau de colmatage sélectionné. Pour cette information, nous vous référons aux instructions du fabricant.
Remarque : des conditions distinctes s'appliquent à l'installation dans une paroi flexible (contre cloison) et dans une paroi CLT. Des informations détaillées peuvent être trouvées dans les méthodes d'installation correspondantes.
Le clapet peut être monté avec l'axe horizontal ou orienté à 45° au maximum.
Au maximum 3 clapets circulaires peuvent être installés à distance minimale l’un de l’autre, tant verticalement que horizontalement (avec un groupe de maximum 4 clapets).
Remarque : pour le colmatage à l’aide de panneaux de laine de roche coupe-feu, le nombre maximal de clapets dépend également de la surface maximale autorisée pour le matériau de colmatage sélectionné. Pour cette information, nous vous référons aux instructions du fabricant.
Remarque : des conditions distinctes s'appliquent à l'installation dans une paroi flexible (contre cloison) et dans une paroi CLT. Des informations détaillées peuvent être trouvées dans les méthodes d'installation correspondantes.
Montage en paroi et dalle massive
Le produit a été testé et approuvé en :
- Béton cellulaire ≥ 100 mm | EI 90 (ve i o) S - (500 Pa) | Mortier / Plâtre | Type de pose : encastré, 0-360°. Distances minimales autorisées avec axe jusqu'à 45°. | Ø 100-315 mm
- Béton cellulaire ≥ 100 mm | EI 90 (ho i o) S - (500 Pa) | Mortier | Type de pose : encastré, 0-360°. Distances minimales autorisées. | Ø 100-315 mm
Installez et fixez les clapets dans la réservation.
Colmatez la réservation du côté des distances minimales à l’aide de panneaux rigides de laine de roche (≥ 150 kg/m³) sur une profondeur de 400 mm (150 mm du côté mécanique de la paroi).
La surface de ce colmatage est fixée entre les axes (centres) des clapets.
Attention : la réservation est colmatée selon le classement existant (voir point suivant) dans le cas où : - 2 clapets coupe-feu sont placés à distance minimale l’un de l’autre mais à distance normale (≥ 75 mm) des parois. - Un seul clapet coupe-feu est placé à distance minimale (≤ 75 mm) d’une paroi ou d’une dalle.
Colmatez la réservation du côté des distances minimales à l’aide de panneaux rigides de laine de roche (≥ 150 kg/m³) sur une profondeur de 400 mm (150 mm du côté mécanique de la paroi).
La surface de ce colmatage est fixée entre les axes (centres) des clapets.
Attention : la réservation est colmatée selon le classement existant (voir point suivant) dans le cas où : - 2 clapets coupe-feu sont placés à distance minimale l’un de l’autre mais à distance normale (≥ 75 mm) des parois. - Un seul clapet coupe-feu est placé à distance minimale (≤ 75 mm) d’une paroi ou d’une dalle.
Montage en paroi flexible (ossature métallique et plaques de plâtre)
Le produit a été testé et approuvé en :
- Ossature métallique et plaques de plâtre Type A (EN 520) ≥ 100 mm | EI 60 (ve i o) S - (500 Pa) | Laine de roche ≥ 40 kg/m³ + talons | Type de pose : encastré, 0-360°. Distances minimales autorisées avec axe jusqu'à 45°. | Ø 100-250 mm
Assemblez la paroi légère en prévoyant un chevêtre autour de la réservation.
Dans la réservation autour des clapets (Dn + 50 mm), le vide entre les plaques de plâtre cartonné est rempli de laine de roche d’une densité minimale de 40 kg/m³.
Dans la réservation autour des clapets (Dn + 50 mm), le vide entre les plaques de plâtre cartonné est rempli de laine de roche d’une densité minimale de 40 kg/m³.
Installez et fixez les clapets dans la réservation.
Colmatez la réservation du côté des distances minimales à l’aide de panneaux rigides de laine de roche (≥ 150 kg/m³) sur une profondeur de 400 mm (150 mm du côté mécanique de la paroi).
La surface de ce colmatage est fixée entre les axes (centres) des clapets.
Attention : la réservation est colmatée selon le classement existant (voir point suivant) dans le cas où : - 2 clapets coupe-feu sont placés à distance minimale l’un de l’autre mais à distance normale (≥ 75 mm) des parois. - Un seul clapet coupe-feu est placé à distance minimale (≤ 75 mm) d’une paroi ou d’une dalle.
Colmatez la réservation du côté des distances minimales à l’aide de panneaux rigides de laine de roche (≥ 150 kg/m³) sur une profondeur de 400 mm (150 mm du côté mécanique de la paroi).
La surface de ce colmatage est fixée entre les axes (centres) des clapets.
Attention : la réservation est colmatée selon le classement existant (voir point suivant) dans le cas où : - 2 clapets coupe-feu sont placés à distance minimale l’un de l’autre mais à distance normale (≥ 75 mm) des parois. - Un seul clapet coupe-feu est placé à distance minimale (≤ 75 mm) d’une paroi ou d’une dalle.
Montage en paroi flexible - ossature métallique et plâtre
Le produit a été testé et approuvé en :
- Ossature métallique et plaques de plâtre Type A (EN 520) ≥ 100 mm | EI 60 (ve i o) S - (500 Pa) | Plâtre | Type de pose : encastré, 0-360°. Distances minimales autorisées avec axe jusqu'à 45°. | Ø 100-315 mm
- Ossature métallique et plaques de plâtre Type F (EN 520) ≥ 100 mm | EI 90 (ve i o) S - (500 Pa) | Plâtre | Type de pose : encastré, 0-360°. Distances minimales autorisées avec axe jusqu'à 45°. | Ø 100-315 mm
Assemblez la paroi légère en prévoyant un chevêtre autour de la réservation.
Lors du montage d'un seul clapet coupe-feu à distance minimale du plafond, il n'est pas nécessaire, du point de vue de la protection incendie, de prévoir un chevêtre autour de la réservation.
Dans la réservation autour des clapets, le vide entre les plaques de plâtre est partiellement rempli (jusque Dn + 80 mm) de laine de roche d’une densité minimale de 40 kg/m³.
Lors du montage d'un seul clapet coupe-feu à distance minimale du plafond, il n'est pas nécessaire, du point de vue de la protection incendie, de prévoir un chevêtre autour de la réservation.
Dans la réservation autour des clapets, le vide entre les plaques de plâtre est partiellement rempli (jusque Dn + 80 mm) de laine de roche d’une densité minimale de 40 kg/m³.
Installez et fixez les clapets dans la réservation.
Colmatez la réservation du côté des distances minimales à l’aide de panneaux rigides de laine de roche (≥ 150 kg/m³) sur une profondeur de 400 mm (150 mm du côté mécanique de la paroi).
La surface de ce colmatage est fixée entre les axes (centres) des clapets.
Attention : la réservation est colmatée selon le classement existant (voir point suivant) dans le cas où : - 2 clapets coupe-feu sont placés à distance minimale l’un de l’autre mais à distance normale (≥ 75 mm) des parois. - Un seul clapet coupe-feu est placé à distance minimale (≤ 75 mm) d’une paroi ou d’une dalle.
Colmatez la réservation du côté des distances minimales à l’aide de panneaux rigides de laine de roche (≥ 150 kg/m³) sur une profondeur de 400 mm (150 mm du côté mécanique de la paroi).
La surface de ce colmatage est fixée entre les axes (centres) des clapets.
Attention : la réservation est colmatée selon le classement existant (voir point suivant) dans le cas où : - 2 clapets coupe-feu sont placés à distance minimale l’un de l’autre mais à distance normale (≥ 75 mm) des parois. - Un seul clapet coupe-feu est placé à distance minimale (≤ 75 mm) d’une paroi ou d’une dalle.
Montage en paroi flexible - ossature métallique et mortier
Le produit a été testé et approuvé en :
- Ossature métallique et plaques de plâtre Type A (EN 520) ≥ 100 mm | EI 60 (ve i o) S - (300 Pa) | Mortier | Type de pose : encastré, 0-360°. Distances minimales autorisées avec axe jusqu'à 45°. | Ø 100-315 mm
- Ossature métallique et plaques de plâtre Type F (EN 520) ≥ 100 mm | EI 90 (ve i o) S - (300 Pa) | Mortier | Type de pose : encastré, 0-360°. Distances minimales autorisées avec axe jusqu'à 45°. | Ø 100-315 mm
Installez et fixez les clapets dans la réservation.
Colmatez la réservation du côté des distances minimales à l’aide de panneaux rigides de laine de roche (≥ 150 kg/m³) sur une profondeur de 400 mm (150 mm du côté mécanique de la paroi).
La surface de ce colmatage est fixée entre les axes (centres) des clapets.
Attention : la réservation est colmatée selon le classement existant (voir point suivant) dans le cas où : - 2 clapets coupe-feu sont placés à distance minimale l’un de l’autre mais à distance normale (≥ 75 mm) des parois. - Un seul clapet coupe-feu est placé à distance minimale (≤ 75 mm) d’une paroi ou d’une dalle.
Colmatez la réservation du côté des distances minimales à l’aide de panneaux rigides de laine de roche (≥ 150 kg/m³) sur une profondeur de 400 mm (150 mm du côté mécanique de la paroi).
La surface de ce colmatage est fixée entre les axes (centres) des clapets.
Attention : la réservation est colmatée selon le classement existant (voir point suivant) dans le cas où : - 2 clapets coupe-feu sont placés à distance minimale l’un de l’autre mais à distance normale (≥ 75 mm) des parois. - Un seul clapet coupe-feu est placé à distance minimale (≤ 75 mm) d’une paroi ou d’une dalle.
Montage en paroi de gaines techniques, calfeutrement au plâtre
Le produit a été testé et approuvé en :
- Ossature métallique et plaques de plâtre Type A (EN 520) ≥ 75 mm | EI 30 (ve i o) S - (500 Pa) | Plâtre | Type de pose : encastré 0/180°. Distances minimales autorisées. | Ø 100-315 mm
Montage en paroi de gaines techniques, calfeutrement avec des panneaux de laine de roche rigides et enduit
Le produit a été testé et approuvé en :
- Ossature métallique et plaques de plâtre Type F (EN 520) ≥ 75 mm | EI 30 (ve i o) S - (300 Pa) | Panneaux de laine de roche + enduit ≥ 140 kg/m³ | Type de pose : encastré 0/180°. Distances minimales autorisées. | Ø 100-315 mm
Le colmatage s'effectue au moyen de 2 couches de panneaux de laine minérale d'épaisseur 50 mm. Les 2 couches sont posées à joints décalés et ces joints sont recouverts sur tout le contour d'enduit.
Montage en paroi CLT avec bloc d'installation IFW
Le produit a été testé et approuvé en :
- Bois lamellé-croisé ≥ 100 mm | EI 60 (ve i o) S - (300 Pa) | Bloc d'installation IFW | Type de pose : encastré, 0-360°. Distances minimales autorisées. | Ø 100-315 mm
Montage en paroi CLT, calfeutrement avec des panneaux de laine de roche enduits d'un enduit dur
Montage en paroi carreaux de plâtre
Le produit a été testé et approuvé en :
- Carreaux de plâtre ≥ 70 mm | EI 90 (ve i o) S - (500 Pa) | Colle carreaux de plâtre | Type de pose : encastré, 0-360°. Distances minimales autorisées avec axe jusqu'à 45°. | Ø 100-315 mm
Installez et fixez les clapets dans la réservation.
Colmatez la réservation du côté des distances minimales à l’aide de panneaux rigides de laine de roche (≥ 150 kg/m³) sur une profondeur de 400 mm (150 mm du côté mécanique de la paroi).
La surface de ce colmatage est fixée entre les axes (centres) des clapets.
Attention : la réservation est colmatée selon le classement existant (voir point suivant) dans le cas où : - 2 clapets coupe-feu sont placés à distance minimale l’un de l’autre mais à distance normale (≥ 75 mm) des parois. - Un seul clapet coupe-feu est placé à distance minimale (≤ 75 mm) d’une paroi ou d’une dalle.
Colmatez la réservation du côté des distances minimales à l’aide de panneaux rigides de laine de roche (≥ 150 kg/m³) sur une profondeur de 400 mm (150 mm du côté mécanique de la paroi).
La surface de ce colmatage est fixée entre les axes (centres) des clapets.
Attention : la réservation est colmatée selon le classement existant (voir point suivant) dans le cas où : - 2 clapets coupe-feu sont placés à distance minimale l’un de l’autre mais à distance normale (≥ 75 mm) des parois. - Un seul clapet coupe-feu est placé à distance minimale (≤ 75 mm) d’une paroi ou d’une dalle.
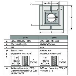
Montage en paroi flexible et massive, calfeutrement avec des panneaux de laine de roche rigides et enduit
Le produit a été testé et approuvé en :
- Béton cellulaire ≥ 100 mm | EI 90 (ve i o) S - (300 Pa) | Panneaux de laine de roche + enduit ≥ 140 kg/m³ | CR60 | Type de pose : encastré, 0-360°. Distances minimales autorisées avec axe jusqu'à 45°. | Ø 100-315 mm
- Ossature métallique et plaques de plâtre Type A (EN 520) ≥ 100 mm | EI 60 (ve i o) S - (300 Pa) | Panneaux de laine de roche + enduit ≥ 140 kg/m³ | CR60 | Type de pose : encastré, 0-360°. Distances minimales autorisées avec axe jusqu'à 45°. | Ø 100-315 mm
- Ossature métallique et plaques de plâtre Type F (EN 520) ≥ 100 mm | EI 90 (ve i o) S - (300 Pa) | Panneaux de laine de roche + enduit ≥ 140 kg/m³ | CR60 | Type de pose : encastré, 0-360°. Distances minimales autorisées avec axe jusqu'à 45°. | Ø 100-315 mm
- Béton cellulaire ≥ 100 mm | EI 60 (ve i o) S - (300 Pa) | Panneaux de laine de roche Mulcol Multimastic FB1 + enduit | Type de pose : encastré, 0-360°. | Ø 100-315 mm
- Ossature métallique et plaques de plâtre Type F (EN 520) ≥ 100 mm | EI 60 (ve i o) S - (300 Pa) | Panneaux de laine de roche Mulcol Multimastic FB1 + enduit | Type de pose : encastré, 0-360°. | Ø 100-315 mm
Dans le cas d'une paroi flexible, prévoir un chevêtre autour de la réservation. Exception : en cas de colmatage avec des panneaux de type Promastop ou Hilti, il n'est pas nécessaire, du point de vue de la protection incendie, de prévoir un chevêtre autour de la réservation.
Le colmatage s'effectue au moyen de 2 couches de panneaux de laine minérale d'épaisseur 50 mm recouverte d'enduit coupe-feu sur une face (type PROMASTOP-CB 50 / PROMASTOP-CB/CC 50 / HILTI CFS-CT B / Mulcol Multimastic FB1 / PYRO-SAFE® FLAMMOTECT-A).
Les 2 couches sont posées à joints décalés et ces joints sont recouverts sur tout le contour du panneau d'enduit de type PROMASTOP-CC / HILTI CFS-S-ACR / Mulcol Multimastic SP / PYRO-SAFE® FLAMMOTECT-A.
Le clapet peut mais ne doit pas être centré dans la réservation (de dimensions maximales clapet + 600 mm). Une distance maximale de 400 mm doit être respectée par rapport au bord de la réservation.
Assemblez la paroi légère en prévoyant un chevêtre autour de la réservation.
Lors du montage d'un seul clapet coupe-feu à distance minimale du plafond, il n'est pas nécessaire, du point de vue de la protection incendie, de prévoir un chevêtre autour de la réservation.
Installez et fixez les clapets dans la réservation.
Lors du montage d'un seul clapet coupe-feu à distance minimale du plafond, il n'est pas nécessaire, du point de vue de la protection incendie, de prévoir un chevêtre autour de la réservation.
Installez et fixez les clapets dans la réservation.
Colmatez la réservation du côté des distances minimales à l’aide de panneaux rigides de laine de roche (≥ 150 kg/m³) sur une profondeur de 400 mm (150 mm du côté mécanique de la paroi).
La surface de ce colmatage est fixée entre les axes (centres) des clapets.
Attention : la réservation est colmatée selon le classement existant (voir point suivant) dans le cas où : - 2 clapets coupe-feu sont placés à distance minimale l’un de l’autre mais à distance normale (≥ 75 mm) des parois. - Un seul clapet coupe-feu est placé à distance minimale (≤ 75 mm) d’une paroi ou d’une dalle.
La surface de ce colmatage est fixée entre les axes (centres) des clapets.
Attention : la réservation est colmatée selon le classement existant (voir point suivant) dans le cas où : - 2 clapets coupe-feu sont placés à distance minimale l’un de l’autre mais à distance normale (≥ 75 mm) des parois. - Un seul clapet coupe-feu est placé à distance minimale (≤ 75 mm) d’une paroi ou d’une dalle.
Montage en dalle massive, calfeutrement avec des panneaux de laine de roche rigides et enduit
Le produit a été testé et approuvé en :
- Béton cellulaire ≥ 150 mm | EI 90 (ho i o) S - (300 Pa) | Panneaux de laine de roche + enduit ≥ 140 kg/m³ | CR60 | Type de pose : encastré, 0-360°. Distances minimales autorisées. | Ø 100-315 mm
Le colmatage s'effectue au moyen de 2 couches de panneaux de laine minérale d'épaisseur 50 mm recouverte d'enduit coupe-feu sur une face (type PROMASTOP-CB 50 / PROMASTOP-CB/CC 50 / HILTI CFS-CT B).
Les 2 couches sont posées à joints décalés et ces joints sont recouverts sur tout le contour du panneau d'enduit de type PROMASTOP-CC / HILTI CFS-S-ACR.
Pose déportée de la paroi, calfeutrement et isolation avec des panneaux de laine de roche rigides et enduit
Le produit a été testé et approuvé en :
- Béton cellulaire ≥ 100 mm | EI 60 (ve i o) S - (300 Pa) | Gaine galvanisé + panneaux de laine de roche + enduit ≥ 140 kg/m³ 1x60 mm | CR60 | Type de pose : pose déportée, 0/180°. Distances minimales autorisées. | Ø 100-315 mm
- Béton cellulaire ≥ 100 mm | EI 90 (ve i o) S - (300 Pa) | Gaine galvanisé + panneaux de laine de roche + enduit ≥ 140 kg/m³ 2x50 mm | CR60 | Type de pose : pose déportée, 0/180°. Distances minimales autorisées. | Ø 100-315 mm
- Ossature métallique et plaques de plâtre Type F (EN 520) ≥ 100 mm | EI 90 (ve i o) S - (300 Pa) | Gaine galvanisé + panneaux de laine de roche + enduit ≥ 140 kg/m³ 2x50 mm | CR60 | Type de pose : pose déportée, 0/180°. Distances minimales autorisées. | Ø 100-315 mm
- Ossature métallique et plaques de plâtre Type A (EN 520) ≥ 100 mm | EI 60 (ve i o) S - (300 Pa) | Gaine galvanisé + panneaux de laine de roche + enduit ≥ 140 kg/m³ 1x60 mm | CR60 | Type de pose : pose déportée, 0/180°. Distances minimales autorisées. | Ø 100-315 mm
Une réservation de dimensions maximales « A » est réalisée au travers de la paroi.
Pour une cloison légère, prévoir l’assemblage de la paroi selon «Montage en paroi flexible et massive - calfeutrement panneaux de laine minérale coupe-feu» ci-avant.
Le clapet est monté déporté sur gaine traversante en tôle d’acier galvanisé. Le clapet est soutenu par un collier de serrage du même diamètre que le clapet, maintenu par des tiges filetées « C ». Un supportage est mis en oeuvre au pas de 1500 mm. Les suspentes sont composées de tiges filetées « C » et de rails de supportage « D ». Une distance d’environ 25 mm est respectée entre les tiges filetées et les faces verticales du caisson en laine de roche « B ».
Pour une cloison légère, prévoir l’assemblage de la paroi selon «Montage en paroi flexible et massive - calfeutrement panneaux de laine minérale coupe-feu» ci-avant.
Le clapet est monté déporté sur gaine traversante en tôle d’acier galvanisé. Le clapet est soutenu par un collier de serrage du même diamètre que le clapet, maintenu par des tiges filetées « C ». Un supportage est mis en oeuvre au pas de 1500 mm. Les suspentes sont composées de tiges filetées « C » et de rails de supportage « D ». Une distance d’environ 25 mm est respectée entre les tiges filetées et les faces verticales du caisson en laine de roche « B ».
La réservation autour de la gaine dans la paroi est remplie par une épaisseur de panneaux de laine de roche de type Promastop CB(/CC) / Hilti CFS-CT B « G » revêtus sur les chants d’enduit PROMASTOP-CC / HILTI CFS-S ACR permettant leur fixation.
La gaine traversante est recouverte de panneaux de laine de roche « G » revêtus sur une face d’enduit coupe-feu pour adhérer à la gaine et fixés à la gaine par vis et rondelles « E ».
Le corps du clapet est également ainsi protégé sur une longueur de 171 mm. Une réservation est opérée dans le panneau de laine de roche à hauteur du mécanisme afin de garantir l’accès à celui-ci.
Les vides entre le tunnel du clapet et les panneaux de laine de roche sont remplis par des panneaux de laine de roche «G» supplémentaires, enduits de coating PROMASTOP-CC / HILTI CFS-S ACR.
Le corps du clapet est également ainsi protégé sur une longueur de 171 mm. Une réservation est opérée dans le panneau de laine de roche à hauteur du mécanisme afin de garantir l’accès à celui-ci.
Les vides entre le tunnel du clapet et les panneaux de laine de roche sont remplis par des panneaux de laine de roche «G» supplémentaires, enduits de coating PROMASTOP-CC / HILTI CFS-S ACR.
Les jonctions entre panneaux, entre panneaux et paroi, ainsi que les vis et les rondelles sont enduits par un coating de type PROMASTOP-CC / HILTI CFS-S ACR.
Colmatez la réservation du côté des distances minimales à l’aide de panneaux rigides de laine de roche (150 kg/m³) sur une profondeur de 250 mm (épaisseur de la paroi + additionnel à l'arrière de la paroi).
Lorsque la distance entre le clapet et la paroi est supérieure à 75 mm, le colmatage de la réservation entre clapet et paroi est réalisé selon le classement pré-existant.
Lorsque la distance entre le clapet et la paroi est supérieure à 75 mm, le colmatage de la réservation entre clapet et paroi est réalisé selon le classement pré-existant.
Pose déportée de la paroi, calfeutrement au mortier et isolation avec des panneaux de laine de roche rigides et enduit
Le produit a été testé et approuvé en :
- Béton cellulaire ≥ 100 mm | EI 90 (ve i o) S - (300 Pa) | Gaine galvanisé + panneaux de laine de roche + enduit ≥ 140 kg/m³ 2x50 mm + mortier | Type de pose : pose déportée, 0/180°. Distances minimales autorisées. | Ø 100-315 mm
Une réservation de dimensions maximales « A » est réalisée au travers de la paroi.
Le clapet est monté déporté sur gaine traversante en tôle d’acier galvanisé. Le clapet est soutenu par un collier de serrage du même diamètre que le clapet, maintenu par des tiges filetées « C ». Un supportage est mis en oeuvre au pas de 1500 mm. Les suspentes sont composées de tiges filetées « C » et de rails de supportage « D ». Une distance d’environ 25 mm est respectée entre les tiges filetées et les faces verticales du caisson en laine de roche « B ».
Le clapet est monté déporté sur gaine traversante en tôle d’acier galvanisé. Le clapet est soutenu par un collier de serrage du même diamètre que le clapet, maintenu par des tiges filetées « C ». Un supportage est mis en oeuvre au pas de 1500 mm. Les suspentes sont composées de tiges filetées « C » et de rails de supportage « D ». Une distance d’environ 25 mm est respectée entre les tiges filetées et les faces verticales du caisson en laine de roche « B ».
La gaine traversante est recouverte de panneaux de laine de roche « G » revêtus sur une face d’enduit coupe-feu pour adhérer à la gaine et fixés à la gaine par vis et rondelles « E ».
Le corps du clapet est également ainsi protégé sur une longueur de 171 mm. Une réservation est opérée dans le panneau de laine de roche à hauteur du mécanisme afin de garantir l’accès à celui-ci.
Les vides entre le tunnel du clapet et les panneaux de laine de roche sont remplis par des panneaux de laine de roche «G» supplémentaires, enduits de coating PROMASTOP-CC / HILTI CFS-S ACR.
Le corps du clapet est également ainsi protégé sur une longueur de 171 mm. Une réservation est opérée dans le panneau de laine de roche à hauteur du mécanisme afin de garantir l’accès à celui-ci.
Les vides entre le tunnel du clapet et les panneaux de laine de roche sont remplis par des panneaux de laine de roche «G» supplémentaires, enduits de coating PROMASTOP-CC / HILTI CFS-S ACR.
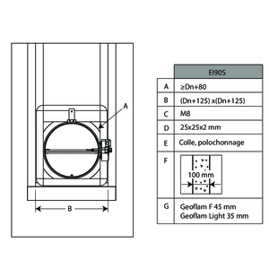
Pose déportée de la paroi + GEOFLAM
Le produit a été testé et approuvé en :
- Béton cellulaire ≥ 100 mm | EI 90 (ve i o) S - (500 Pa) | Gaine galvanisé + GEOFLAM® F 45 mm + mortier | Type de pose : pose déportée, 0/180°. Distances minimales autorisées. | Ø 100-315 mm
- Béton cellulaire ≥ 100 mm | EI 90 (ve i o) S - (500 Pa) | Gaine galvanisé + GEOFLAM® Light 35 mm + mortier | Type de pose : pose déportée, 0/180°. Distances minimales autorisées. | Ø 100-315 mm
Le clapet est monté déporté sur une gaine traversante en tôle d’acier galvanisé. Un supportage est mis en oeuvre au pas de 1000 mm.
Les suspentes sont composées de tiges filetées « C » et de rails de supportage « D ». Une distance d’environ 25 mm est respectée entre les tiges filetées et les faces verticales du gaine « B ».
Les suspentes sont composées de tiges filetées « C » et de rails de supportage « D ». Une distance d’environ 25 mm est respectée entre les tiges filetées et les faces verticales du gaine « B ».
La réservation autour de la gaine dans la paroi est remplie par du mortier standard. La gaine traversante est recouvert de plaques de staff de référence GEOFLAM F d’épaisseur 45 mm ou GEOFLAM Light d’épaisseur 35 mm « G ».
Les plaques sont fixées entre elles autour de la gaine par colle et polochonnage « E ». Le corps du clapet est également ainsi protégé sur une longueur de 171 mm.
Les plaques sont fixées entre elles autour de la gaine par colle et polochonnage « E ». Le corps du clapet est également ainsi protégé sur une longueur de 171 mm.
La protection en staff GEOFLAM F / GEOFLAM Light s’arrête à 20 mm du mur. L’espace libre entre le mur et la protection en staff est comblé par bourrage de polochons (mélange de plâtre et de filasse).
Ce bourrage est également appliqué sur la jonction entre la gaine et le tunnel du clapet.
Ce bourrage est également appliqué sur la jonction entre la gaine et le tunnel du clapet.
Les tiges filetées sont protégées par ½ coquilles en staff Ø 90 mm et maintenues entre elles par colle et polochonnage.
La traverse est protégée par un profilé en « U » de protection en GEOFLAM 100 x 60 mm, collé à la sous-face du gaine par du plâtre pour collage de type GEOCOL (GEOSTAFF).
La traverse est protégée par un profilé en « U » de protection en GEOFLAM 100 x 60 mm, collé à la sous-face du gaine par du plâtre pour collage de type GEOCOL (GEOSTAFF).
Colmatez la réservation du côté des distances minimales à l’aide de panneaux rigides de laine de roche (150 kg/m³) sur une profondeur de 250 mm (épaisseur de la paroi + additionnel à l'arrière de la paroi).
Inspection du clapet via l'option UL ou via l'ouverture du fusible du mécanisme ONE
Une ouverture d'inspection (uniquement disponible en cas de commande de l'option 'UL') permet de déterminer visuellement la position et l'état du clapet à l'aide d'un endoscope. Pour les clapets coupe-feu équipés du mécanisme ONE, il est également possible d'effectuer cette inspection par caméra à travers la réservation du fusible thermique.
Option UL :
Retirez le bouchon de fermeture étanche du clapet.
Option UL :
Retirez le bouchon de fermeture étanche du clapet.
Introduisez la caméra de l'endoscope (par exemple Inspecam Rf-t) dans la réservation et inspectez l'intérieur du clapet.
Après inspection, remettez le bouchon de fermeture soigneusement en place. La position est importante pour le maintien de l'étanchéité à l'air du clapet.
Tirer simultanément le fusible et la protection en caoutchouc pour l'extraire du mécanisme.
Introduisez la caméra de l'endoscope (par exemple Inspecam Rf-t) dans la réservation et inspectez l'intérieur du clapet.
Replacez la fusible thermique dans le mécanisme jusqu'à ce qu'il s'enclique. Fermez le compartiment de la pile avec la protection en caoutchouc.
Introduisez la caméra de l'endoscope (par exemple Inspecam Rf-t) dans la réservation et inspectez l'intérieur du clapet.
Replacez la fusible thermique dans le mécanisme jusqu'à ce qu'il s'enclique. Fermez le compartiment de la pile avec la protection en caoutchouc.
Remarques générales
- L'installation doit être conforme au rapport de classement et à la notice technique.
- Orientation de l'axe: voir déclaration des performances.
- Évitez l’obstruction des gaines connectées.
- Installation du produit: toujours avec la lame fermée.
- Vérifiez le libre mouvement de la lame mobile.
- Respectez les distances de sécurité par rapport aux autres éléments constructifs. Le mécanisme de déclenchement doit également rester accessible : prévoyez pour cela un espace libre de 200 mm autour du boîtier.
- La classe d'étanchéité à l'air est maintenue si l'installation du clapet se fait conformément à la notice technique.
- Les clapets coupe-feu Rf-t sont toujours testés dans des châssis de supports standardisés conformément à la EN 1366-2. Les résultats obtenus sont valables pour tous les châssis de supports similaires qui ont une résistance au feu, une épaisseur et une densité similaire ou supérieure à celles du test.
- Si l'épaisseur du mur dépasse l'épaisseur minimale indiquée dans nos instructions d'installation, les conditions suivantes s'appliquent à la profondeur du joint : - Pour les parois flexibles et les parois en système de panneaux sandwich, le joint doit toujours être appliqué sur toute la profondeur de la paroi. - Pour les parois massives, les dalles massives et les parois en blocs de plâtre, la profondeur de calfeutrement minimale indiquée dans nos instructions de pose (souvent égale à l'épaisseur minimale de la paroi) est suffisante. Appliquer le joint à la hauteur du clapet (à partir de l'indication de la limite du mur).
- Lors de l'installation d'un clapet coupe-feu dans une paroi métallique flexible, certaines méthodes d'installation ne nécessitent pas la mise en place de profilés de renforcement autour de la réservation de la paroi du point de vue de la protection contre l'incendie (voir ci-dessous). Il convient de toujours suivre les instructions générales du fabricant de ces systèmes de parois lors de la construction de ce type de paroi.
- Le clapet doit être accessible pour inspection et entretien.
- Prévoyez au moins 2 contrôles visuels chaque année.