- Home
- Producten
- Brandwerende kleppen
- CR60
- Installatie
CR60 - Installatie
Plaatsing op minimale afstanden van een andere brandklep of van een aanpalende wand/vloer
Principe
Volgens de Europese testnorm EN 1366-2 bedraagt de minimaal vereiste afstand tussen 2 brandkleppen 200 mm en tussen een brandklep en een andere (draag)constructie 75 mm. Enkel als de klep op een kortere afstand van andere elementen werd getest, dan mag ze ook zo geplaatst worden. Deze brandklep van Rf-Technologies werd met succes getest en mag geïnstalleerd worden op een kortere afstand dan het door de norm vastgelegde minimum, zowel in verticale wand als in vloer/plafond.
Voor ronde brandkleppen bedraagt de minimale afstand 30 mm.
Volgens de Europese testnorm EN 1366-2 bedraagt de minimaal vereiste afstand tussen 2 brandkleppen 200 mm en tussen een brandklep en een andere (draag)constructie 75 mm. Enkel als de klep op een kortere afstand van andere elementen werd getest, dan mag ze ook zo geplaatst worden. Deze brandklep van Rf-Technologies werd met succes getest en mag geïnstalleerd worden op een kortere afstand dan het door de norm vastgelegde minimum, zowel in verticale wand als in vloer/plafond.
Voor ronde brandkleppen bedraagt de minimale afstand 30 mm.
Gecertificeerde oplossing
De gecertificeerde oplossing voor de Rf-t kleppen bestaat uit volgende elementen: A: Universele afdichting voor minimale afstanden; B: Afdichting volgens de reeds bestaande classificaties (zie Prestatieverklaring).
A. Afdichting van de opening aan de zijde met minimale afstanden t.o.v. een constructiedeel of een andere brandklep: harde steenwolplaten (150 kg/m³) over een diepte van min. 400 mm, waarvan 150 mm aan de mechanismezijde van de wand. Aan de niet-mechanismezijde van de wand moeten de steenwolplaten minstens gelijk met de wand uitkomen.
De oppervlakte van deze afdichting wordt bepaald tussen de centrale assen van de kleppen.
B. De overige afdichtingen kunnen worden uitgevoerd volgens de bestaande oplossingen (prestatieverklaring).
Dit is ook van toepassing voor ronde kleppen die dicht bij elkaar worden geplaatst (tussen 30 en 200 mm) maar op meer dan 75 mm afstand van een constructiedeel.
Gedetailleerde informatie voor elke combinatie wand/afdichting vindt u bij de betreffende installatiemethodes.
De gecertificeerde oplossing voor de Rf-t kleppen bestaat uit volgende elementen: A: Universele afdichting voor minimale afstanden; B: Afdichting volgens de reeds bestaande classificaties (zie Prestatieverklaring).
A. Afdichting van de opening aan de zijde met minimale afstanden t.o.v. een constructiedeel of een andere brandklep: harde steenwolplaten (150 kg/m³) over een diepte van min. 400 mm, waarvan 150 mm aan de mechanismezijde van de wand. Aan de niet-mechanismezijde van de wand moeten de steenwolplaten minstens gelijk met de wand uitkomen.
De oppervlakte van deze afdichting wordt bepaald tussen de centrale assen van de kleppen.
B. De overige afdichtingen kunnen worden uitgevoerd volgens de bestaande oplossingen (prestatieverklaring).
Dit is ook van toepassing voor ronde kleppen die dicht bij elkaar worden geplaatst (tussen 30 en 200 mm) maar op meer dan 75 mm afstand van een constructiedeel.
Gedetailleerde informatie voor elke combinatie wand/afdichting vindt u bij de betreffende installatiemethodes.
Beperkingen
De klep mag geplaatst worden met as horizontaal of tot maximaal 45°.
Er mogen maximaal 3 ronde kleppen naast elkaar op een minimale afstand geïnstalleerd worden, zowel verticaal als horizontaal (met een cluster van maximaal 4 kleppen).
Opmerking: bij het afdichten met brandwerende steenwolplaten is het maximale aantal kleppen ook afhankelijk van de maximale oppervlakte toegestaan voor het geselecteerde afdichtingsmateriaal. Voor deze informatie verwijzen wij u naar de instructies van de fabrikant.
Opmerking: voor inbouw in flexibele schachtwand en CLT wand gelden aparte voorwaarden. Gedetailleerde informatie vindt u bij de betreffende installatiemethodes.
De klep mag geplaatst worden met as horizontaal of tot maximaal 45°.
Er mogen maximaal 3 ronde kleppen naast elkaar op een minimale afstand geïnstalleerd worden, zowel verticaal als horizontaal (met een cluster van maximaal 4 kleppen).
Opmerking: bij het afdichten met brandwerende steenwolplaten is het maximale aantal kleppen ook afhankelijk van de maximale oppervlakte toegestaan voor het geselecteerde afdichtingsmateriaal. Voor deze informatie verwijzen wij u naar de instructies van de fabrikant.
Opmerking: voor inbouw in flexibele schachtwand en CLT wand gelden aparte voorwaarden. Gedetailleerde informatie vindt u bij de betreffende installatiemethodes.
Plaatsing in massieve wand en vloer
Het product werd getest en goedgekeurd in:
- Cellenbeton ≥ 100 mm | EI 90 (ve i o) S - (500 Pa) | Mortel / Gips | Installatiemethode: ingebouwd, 0-360°. Minimum afstand toegestaan met as tot 45°. | Ø 100-315 mm
- Cellenbeton ≥ 100 mm | EI 90 (ho i o) S - (500 Pa) | Mortel | Installatiemethode: ingebouwd, 0-360°. Minimum afstand toegestaan. | Ø 100-315 mm
De brandkleppen mogen geïnstalleerd worden op een kortere afstand (≥ 30 mm) van een wand of van een andere klep.
Installeer de brandkleppen in de opening.
Dicht de opening aan de zijde met minimale afstanden af met harde steenwolplaten (≥ 150 kg/m³) over een diepte van 400 mm (150 mm aan de mechanismezijde van de wand).
De oppervlakte van deze afdichting wordt bepaald tussen de centrale assen van de kleppen.
Opgelet: de opening wordt afgedicht volgens de bestaande classificatie (zie het volgende punt) in het geval dat: - Twee brandkleppen worden geplaatst op minimale afstand van elkaar, maar op een standaard afstand van de wand/vloer. - Één enkele brandklep wordt geplaatst op minimale afstand (≤ 75 mm) van een wand of vloer.
Dicht de opening aan de zijde met minimale afstanden af met harde steenwolplaten (≥ 150 kg/m³) over een diepte van 400 mm (150 mm aan de mechanismezijde van de wand).
De oppervlakte van deze afdichting wordt bepaald tussen de centrale assen van de kleppen.
Opgelet: de opening wordt afgedicht volgens de bestaande classificatie (zie het volgende punt) in het geval dat: - Twee brandkleppen worden geplaatst op minimale afstand van elkaar, maar op een standaard afstand van de wand/vloer. - Één enkele brandklep wordt geplaatst op minimale afstand (≤ 75 mm) van een wand of vloer.
Plaatsing in flexibele wand (metal stud en gipskartonplaten)
Het product werd getest en goedgekeurd in:
- Metal stud gipsplatenwand Type A (EN 520) ≥ 100 mm | EI 60 (ve i o) S - (500 Pa) | Steenwol ≥ 40 kg/m³ + afdekplaten | Installatiemethode: ingebouwd, 0-360°. Minimum afstand toegestaan met as tot 45°. | Ø 100-250 mm
De brandkleppen mogen geïnstalleerd worden op een kortere afstand (≥ 30 mm) van een wand of van een andere klep.
Monteer de lichte wand en voorzie horizontale en verticale studs waar nodig rond de opening.
In de opening rond de kleppen (Dn + 50 mm) wordt de ruimte tussen de gipskartonnen platen gevuld met steenwol met een minimale dichtheid van 40 kg/m³.
In de opening rond de kleppen (Dn + 50 mm) wordt de ruimte tussen de gipskartonnen platen gevuld met steenwol met een minimale dichtheid van 40 kg/m³.
Installeer de brandkleppen in de opening.
Dicht de opening aan de zijde met minimale afstanden af met harde steenwolplaten (≥ 150 kg/m³) over een diepte van 400 mm (150 mm aan de mechanismezijde van de wand).
De oppervlakte van deze afdichting wordt bepaald tussen de centrale assen van de kleppen.
Opgelet: de opening wordt afgedicht volgens de bestaande classificatie (zie het volgende punt) in het geval dat: - Twee brandkleppen worden geplaatst op minimale afstand van elkaar, maar op een standaard afstand van de wand/vloer. - Één enkele brandklep wordt geplaatst op minimale afstand (≤ 75 mm) van een wand of vloer.
Dicht de opening aan de zijde met minimale afstanden af met harde steenwolplaten (≥ 150 kg/m³) over een diepte van 400 mm (150 mm aan de mechanismezijde van de wand).
De oppervlakte van deze afdichting wordt bepaald tussen de centrale assen van de kleppen.
Opgelet: de opening wordt afgedicht volgens de bestaande classificatie (zie het volgende punt) in het geval dat: - Twee brandkleppen worden geplaatst op minimale afstand van elkaar, maar op een standaard afstand van de wand/vloer. - Één enkele brandklep wordt geplaatst op minimale afstand (≤ 75 mm) van een wand of vloer.
Plaatsing in flexibele wand - metal stud en gips
Het product werd getest en goedgekeurd in:
- Metal stud gipsplatenwand Type A (EN 520) ≥ 100 mm | EI 60 (ve i o) S - (500 Pa) | Gips | Installatiemethode: ingebouwd, 0-360°. Minimum afstand toegestaan met as tot 45°. | Ø 100-315 mm
- Metal stud gipsplatenwand Type F (EN 520) ≥ 100 mm | EI 90 (ve i o) S - (500 Pa) | Gips | Installatiemethode: ingebouwd, 0-360°. Minimum afstand toegestaan met as tot 45°. | Ø 100-315 mm
De brandkleppen mogen geïnstalleerd worden op een kortere afstand (≥ 30 mm) van een wand of van een andere klep.
Monteer de lichte wand en voorzie horizontale en verticale studs waar nodig rond de opening.
Bij plaatsing van één enkele brandklep op kortere afstand van het plafond, is het, vanuit brandtechnisch oogpunt, niet noodzakelijk om studs rond de opening te voorzien.
In de opening rond de kleppen wordt de ruimte tussen de gipskartonnen platen deels (tot Dn + 80 mm) gevuld met steenwol met een minimale dichtheid van 40 kg/m³.
Bij plaatsing van één enkele brandklep op kortere afstand van het plafond, is het, vanuit brandtechnisch oogpunt, niet noodzakelijk om studs rond de opening te voorzien.
In de opening rond de kleppen wordt de ruimte tussen de gipskartonnen platen deels (tot Dn + 80 mm) gevuld met steenwol met een minimale dichtheid van 40 kg/m³.
Installeer de brandkleppen in de opening.
Dicht de opening aan de zijde met minimale afstanden af met harde steenwolplaten (≥ 150 kg/m³) over een diepte van 400 mm (150 mm aan de mechanismezijde van de wand).
De oppervlakte van deze afdichting wordt bepaald tussen de centrale assen van de kleppen.
Opgelet: de opening wordt afgedicht volgens de bestaande classificatie (zie het volgende punt) in het geval dat: - Twee brandkleppen worden geplaatst op minimale afstand van elkaar, maar op een standaard afstand van de wand/vloer. - Één enkele brandklep wordt geplaatst op minimale afstand (≤ 75 mm) van een wand of vloer.
Dicht de opening aan de zijde met minimale afstanden af met harde steenwolplaten (≥ 150 kg/m³) over een diepte van 400 mm (150 mm aan de mechanismezijde van de wand).
De oppervlakte van deze afdichting wordt bepaald tussen de centrale assen van de kleppen.
Opgelet: de opening wordt afgedicht volgens de bestaande classificatie (zie het volgende punt) in het geval dat: - Twee brandkleppen worden geplaatst op minimale afstand van elkaar, maar op een standaard afstand van de wand/vloer. - Één enkele brandklep wordt geplaatst op minimale afstand (≤ 75 mm) van een wand of vloer.
Plaatsing in flexibele wand - metal stud en mortel
Het product werd getest en goedgekeurd in:
- Metal stud gipsplatenwand Type A (EN 520) ≥ 100 mm | EI 60 (ve i o) S - (300 Pa) | Mortel | Installatiemethode: ingebouwd, 0-360°. Minimum afstand toegestaan met as tot 45°. | Ø 100-315 mm
- Metal stud gipsplatenwand Type F (EN 520) ≥ 100 mm | EI 90 (ve i o) S - (300 Pa) | Mortel | Installatiemethode: ingebouwd, 0-360°. Minimum afstand toegestaan met as tot 45°. | Ø 100-315 mm
De brandkleppen mogen geïnstalleerd worden op een kortere afstand (≥ 30 mm) van een wand of van een andere klep.
Installeer de brandkleppen in de opening.
Dicht de opening aan de zijde met minimale afstanden af met harde steenwolplaten (≥ 150 kg/m³) over een diepte van 400 mm (150 mm aan de mechanismezijde van de wand).
De oppervlakte van deze afdichting wordt bepaald tussen de centrale assen van de kleppen.
Opgelet: de opening wordt afgedicht volgens de bestaande classificatie (zie het volgende punt) in het geval dat: - Twee brandkleppen worden geplaatst op minimale afstand van elkaar, maar op een standaard afstand van de wand/vloer. - Één enkele brandklep wordt geplaatst op minimale afstand (≤ 75 mm) van een wand of vloer.
Dicht de opening aan de zijde met minimale afstanden af met harde steenwolplaten (≥ 150 kg/m³) over een diepte van 400 mm (150 mm aan de mechanismezijde van de wand).
De oppervlakte van deze afdichting wordt bepaald tussen de centrale assen van de kleppen.
Opgelet: de opening wordt afgedicht volgens de bestaande classificatie (zie het volgende punt) in het geval dat: - Twee brandkleppen worden geplaatst op minimale afstand van elkaar, maar op een standaard afstand van de wand/vloer. - Één enkele brandklep wordt geplaatst op minimale afstand (≤ 75 mm) van een wand of vloer.
Plaatsing in flexibele schachtwand, afdichting met gips
Het product werd getest en goedgekeurd in:
- Metal stud gipsplatenwand Type A (EN 520) ≥ 75 mm | EI 30 (ve i o) S - (500 Pa) | Gips | Installatiemethode: ingebouwd 0/180°. Minimum afstand toegestaan. | Ø 100-315 mm
Plaatsing in flexibele schachtwand, afdichting met harde steenwolplaten met coating
Het product werd getest en goedgekeurd in:
- Metal stud gipsplatenwand Type F (EN 520) ≥ 75 mm | EI 30 (ve i o) S - (300 Pa) | Gecoate steenwol + coating ≥ 140 kg/m³ | Installatiemethode: ingebouwd 0/180°. Minimum afstand toegestaan. | Ø 100-315 mm
De opening rond de klep wordt afgedicht met 2 harde steenwolplaten van 50 mm. Deze platen moeten geschrankt geplaatst worden en de voegen moeten rondom rond bedekt worden met vulpasta.
De brandklep moet niet centraal in de opening (met maximale afmetingen Ø brandklep + 800 mm) geplaatst worden. De afstand tussen de brandklep en de rand van de opening is maximaal 400 mm.
Plaatsing in CLT wand met IFW inbouwblok
Het product werd getest en goedgekeurd in:
- Kruislaaghout ≥ 100 mm | EI 60 (ve i o) S - (300 Pa) | Inbouwblok IFW | Installatiemethode: ingebouwd, 0-360°. Minimum afstand toegestaan. | Ø 100-315 mm
Plaatsing in CLT wand, afdichting met harde steenwolplaten met coating
Plaatsing in gipsblokkenwand
Het product werd getest en goedgekeurd in:
- Gipsblokken ≥ 70 mm | EI 90 (ve i o) S - (500 Pa) | Blokkenlijm | Installatiemethode: ingebouwd, 0-360°. Minimum afstand toegestaan met as tot 45°. | Ø 100-315 mm
De brandkleppen mogen geïnstalleerd worden op een kortere afstand van een wand of van een andere klep.
Installeer de brandkleppen in de opening.
Dicht de opening aan de zijde met minimale afstanden af met harde steenwolplaten (≥ 150 kg/m³) over een diepte van 400 mm (150 mm aan de mechanismezijde van de wand).
De oppervlakte van deze afdichting wordt bepaald tussen de centrale assen van de kleppen.
Opgelet: de opening wordt afgedicht volgens de bestaande classificatie (zie het volgende punt) in het geval dat: - Twee brandkleppen worden geplaatst op minimale afstand van elkaar, maar op een standaard afstand van de wand/vloer. - Één enkele brandklep wordt geplaatst op minimale afstand (≤ 75 mm) van een wand of vloer.
Dicht de opening aan de zijde met minimale afstanden af met harde steenwolplaten (≥ 150 kg/m³) over een diepte van 400 mm (150 mm aan de mechanismezijde van de wand).
De oppervlakte van deze afdichting wordt bepaald tussen de centrale assen van de kleppen.
Opgelet: de opening wordt afgedicht volgens de bestaande classificatie (zie het volgende punt) in het geval dat: - Twee brandkleppen worden geplaatst op minimale afstand van elkaar, maar op een standaard afstand van de wand/vloer. - Één enkele brandklep wordt geplaatst op minimale afstand (≤ 75 mm) van een wand of vloer.
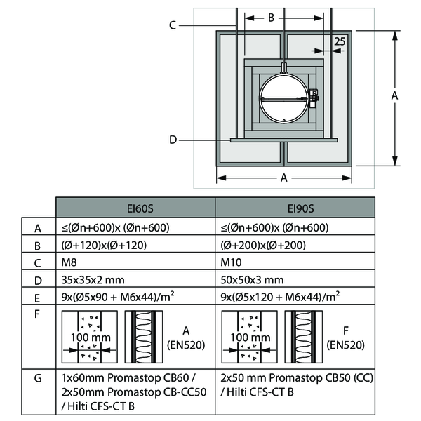
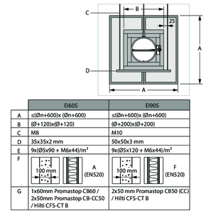
Plaatsing in flexibele en massieve wand, afdichting met harde steenwolplaten met coating
Het product werd getest en goedgekeurd in:
- Cellenbeton ≥ 100 mm | EI 90 (ve i o) S - (300 Pa) | Gecoate steenwol + coating ≥ 140 kg/m³ | CR60 | Installatiemethode: ingebouwd, 0-360°. Minimum afstand toegestaan met as tot 45°. | Ø 100-315 mm
- Metal stud gipsplatenwand Type A (EN 520) ≥ 100 mm | EI 60 (ve i o) S - (300 Pa) | Gecoate steenwol + coating ≥ 140 kg/m³ | CR60 | Installatiemethode: ingebouwd, 0-360°. Minimum afstand toegestaan met as tot 45°. | Ø 100-315 mm
- Metal stud gipsplatenwand Type F (EN 520) ≥ 100 mm | EI 90 (ve i o) S - (300 Pa) | Gecoate steenwol + coating ≥ 140 kg/m³ | CR60 | Installatiemethode: ingebouwd, 0-360°. Minimum afstand toegestaan met as tot 45°. | Ø 100-315 mm
- Cellenbeton ≥ 100 mm | EI 60 (ve i o) S - (300 Pa) | Gecoate steenwol Mulcol Multimastic FB1 + coating | Installatiemethode: ingebouwd, 0-360°. | Ø 100-315 mm
- Metal stud gipsplatenwand Type F (EN 520) ≥ 100 mm | EI 60 (ve i o) S - (300 Pa) | Gecoate steenwol Mulcol Multimastic FB1 + coating | Installatiemethode: ingebouwd, 0-360°. | Ø 100-315 mm
Voorzie bij een flexibele wand horizontale en verticale studs rond de opening. Uitzondering: bij afdichting met platen van het type Promastop of Hilti is het, vanuit brandtechnisch oogpunt, niet noodzakelijk om studs rond de opening te voorzien.
De opening rond de klep wordt afgedicht met 2 harde steenwolplaten van 50 mm die eenzijdig voorzien zijn van 1 mm brandwerende coating (type PROMASTOP-CB 50 / PROMASTOP-CB/CC 50 / HILTI CFS-CT B / Mulcol Multimastic FB1 / PYRO-SAFE® FLAMMOTECT-A).
Deze platen moeten geschrankt geplaatst worden en de voegen moeten rondom rond bedekt worden met vulpasta (type PROMASTOP-CC / HILTI CFS-S-ACR / Mulcol Multimastic SP / PYRO-SAFE® FLAMMOTECT-A).
De brandklep moet niet centraal in de opening (met maximale afmetingen brandklep + 600 mm) geplaatst worden. De afstand tussen de brandklep en de rand van de opening is maximaal 400 mm.
De brandkleppen mogen geïnstalleerd worden op een kortere afstand (≥ 30 mm) van een wand of van een andere klep.
Monteer de lichte wand en voorzie horizontale en verticale studs waar nodig rond de opening.
Bij plaatsing van één enkele brandklep op kortere afstand van het plafond, is het, vanuit brandtechnisch oogpunt, niet noodzakelijk om studs rond de opening te voorzien.
Installeer de brandkleppen in de opening.
Bij plaatsing van één enkele brandklep op kortere afstand van het plafond, is het, vanuit brandtechnisch oogpunt, niet noodzakelijk om studs rond de opening te voorzien.
Installeer de brandkleppen in de opening.
Dicht de opening aan de zijde met minimale afstanden af met harde steenwolplaten (≥ 150 kg/m³) over een diepte van 400 mm (150 mm aan de mechanismezijde van de wand).
De oppervlakte van deze afdichting wordt bepaald tussen de centrale assen van de kleppen.
Opgelet: de opening wordt afgedicht volgens de bestaande classificatie (zie het volgende punt) in het geval dat: - Twee brandkleppen worden geplaatst op minimale afstand van elkaar, maar op een standaard afstand van de wand/vloer. - Één enkele brandklep wordt geplaatst op minimale afstand (≤ 75 mm) van een wand of vloer.
De oppervlakte van deze afdichting wordt bepaald tussen de centrale assen van de kleppen.
Opgelet: de opening wordt afgedicht volgens de bestaande classificatie (zie het volgende punt) in het geval dat: - Twee brandkleppen worden geplaatst op minimale afstand van elkaar, maar op een standaard afstand van de wand/vloer. - Één enkele brandklep wordt geplaatst op minimale afstand (≤ 75 mm) van een wand of vloer.
Plaatsing in massieve vloer, afdichting met harde steenwolplaten met coating
Het product werd getest en goedgekeurd in:
- Cellenbeton ≥ 150 mm | EI 90 (ho i o) S - (300 Pa) | Gecoate steenwol + coating ≥ 140 kg/m³ | CR60 | Installatiemethode: ingebouwd, 0-360°. Minimum afstand toegestaan. | Ø 100-315 mm
De opening rond de klep wordt afgedicht met 2 harde steenwolplaten van 50 mm die eenzijdig voorzien zijn van 1 mm brandwerende coating (type PROMASTOP-CB 50 / PROMASTOP-CB/CC 50 / HILTI CFS-CT B).
Deze platen moeten geschrankt geplaatst worden en de voegen moeten rondom rond bedekt worden met vulpasta (type PROMASTOP-CC / HILTI CFS-S-ACR).
De brandklep moet niet centraal in de opening (met maximale afmetingen brandklep + 600 mm) geplaatst worden. De afstand tussen de brandklep en de rand van de opening is maximaal 400 mm.
Plaatsing op afstand van de wand, afdichting en isolatie met harde steenwolplaten met coating
Het product werd getest en goedgekeurd in:
- Cellenbeton ≥ 100 mm | EI 60 (ve i o) S - (300 Pa) | Gegalvaniseerd kanaal + gecoate steenwol ≥ 140 kg/m³ 1x60 mm | CR60 | Installatiemethode: montage op afstand, 0/180°. Minimum afstand toegestaan. | Ø 100-315 mm
- Cellenbeton ≥ 100 mm | EI 90 (ve i o) S - (300 Pa) | Gegalvaniseerd kanaal + gecoate steenwol ≥ 140 kg/m³ 2x50 mm | CR60 | Installatiemethode: montage op afstand, 0/180°. Minimum afstand toegestaan. | Ø 100-315 mm
- Metal stud gipsplatenwand Type F (EN 520) ≥ 100 mm | EI 90 (ve i o) S - (300 Pa) | Gegalvaniseerd kanaal + gecoate steenwol ≥ 140 kg/m³ 2x50 mm | CR60 | Installatiemethode: montage op afstand, 0/180°. Minimum afstand toegestaan. | Ø 100-315 mm
- Metal stud gipsplatenwand Type A (EN 520) ≥ 100 mm | EI 60 (ve i o) S - (300 Pa) | Gegalvaniseerd kanaal + gecoate steenwol ≥ 140 kg/m³ 1x60 mm | CR60 | Installatiemethode: montage op afstand, 0/180°. Minimum afstand toegestaan. | Ø 100-315 mm
In de wand wordt een opening met maximale afmetingen « A » voorzien.
Voor een lichte wand dient de wand opgebouwd te worden volgens « Plaatsing in flexibele en massieve wand – afdichting met brandwerende steenwolplaten » hier voorafgaand.
De brandklep wordt aangesloten op een metalen kanaal en ondersteund door een klembeugel. De ophanging bestaat uit draadstangen « C » en stalen U-profielen « D ». Er is een afstand van ongeveer 25 mm tussen de draadstangen en de verticale wanden van de omkasting uit gecoate steenwolplaten « B ».
Voor een lichte wand dient de wand opgebouwd te worden volgens « Plaatsing in flexibele en massieve wand – afdichting met brandwerende steenwolplaten » hier voorafgaand.
De brandklep wordt aangesloten op een metalen kanaal en ondersteund door een klembeugel. De ophanging bestaat uit draadstangen « C » en stalen U-profielen « D ». Er is een afstand van ongeveer 25 mm tussen de draadstangen en de verticale wanden van de omkasting uit gecoate steenwolplaten « B ».
De opening rond het kanaal in de wand wordt afgedicht met gecoate steenwol platen type Promastop CB(/CC) / Hilti CFS-CT B « G ». De randen worden afgedicht met PROMASTOP-CC / HILTI CFS-S ACR coating waardoor de platen vast zitten.
Het kanaal wordt over zijn gehele lengte voorzien van gecoate steenwol platen type Promastop CB(/CC) / Hilti CFS-CT B « G ». Om de platen te bevestigen aan het kanaal worden ze aan één kant voorzien van brandwerende vulpasta en bevestigd met bouten en rondellen « E ».
De tunnel van de klep wordt ook beschermd met gecoate steenwol platen type Promastop CB(/CC) / Hilti CFS-CT B « G » over een lengte van 171 mm. Er dient een vrije ruimte voorzien te worden ter hoogte van het mechanisme om toegang hiertoe te garanderen.
De resterende opening tussen de tunnel van de brandklep en de steenwolplaten wordt eveneens opgevuld met gecoate steenwolplaten « G ».
De tunnel van de klep wordt ook beschermd met gecoate steenwol platen type Promastop CB(/CC) / Hilti CFS-CT B « G » over een lengte van 171 mm. Er dient een vrije ruimte voorzien te worden ter hoogte van het mechanisme om toegang hiertoe te garanderen.
De resterende opening tussen de tunnel van de brandklep en de steenwolplaten wordt eveneens opgevuld met gecoate steenwolplaten « G ».
De randen tussen de platen, tussen de wand en de platen, de bouten en rondellen worden voorzien van een coating type PROMASTOP-CC / HILTI CFS-S ACR.
De brandkleppen mogen geïnstalleerd worden op een kortere afstand van een wand of van een andere klep.
Dicht de opening aan de zijde met minimale afstanden af met harde steenwolplaten (150 kg/m³) over een diepte van 250 mm (dikte van de wand + bijkomend aan de achterzijde van de wand).
Wanneer de afstand tussen de klep en de wand groter is dan 75 mm, wordt de afdichting van de opening tussen klep en wand uitgevoerd volgens de reeds bestaande classificaties.
Wanneer de afstand tussen de klep en de wand groter is dan 75 mm, wordt de afdichting van de opening tussen klep en wand uitgevoerd volgens de reeds bestaande classificaties.
Plaatsing op afstand van de wand, afdichting met mortel en isolatie met harde steenwolplaten met coating
Het product werd getest en goedgekeurd in:
- Cellenbeton ≥ 100 mm | EI 90 (ve i o) S - (300 Pa) | Gegalvaniseerd kanaal + gecoate steenwol ≥ 140 kg/m³ 2x50 mm + mortel | Installatiemethode: montage op afstand, 0/180°. Minimum afstand toegestaan. | Ø 100-315 mm
In de wand wordt een opening met maximale afmetingen « A » voorzien.
De brandklep wordt aangesloten op een metalen kanaal en ondersteund door een klembeugel. De ophanging bestaat uit draadstangen « C » en stalen U-profielen « D ». Er is een afstand van ongeveer 25 mm tussen de draadstangen en de verticale wanden van de omkasting uit gecoate steenwolplaten « B ».
De brandklep wordt aangesloten op een metalen kanaal en ondersteund door een klembeugel. De ophanging bestaat uit draadstangen « C » en stalen U-profielen « D ». Er is een afstand van ongeveer 25 mm tussen de draadstangen en de verticale wanden van de omkasting uit gecoate steenwolplaten « B ».
Het kanaal wordt over zijn gehele lengte voorzien van gecoate steenwol platen type Promastop CB(/CC) / Hilti CFS-CT B « G ». Om de platen te bevestigen aan het kanaal worden ze aan één kant voorzien van brandwerende vulpasta en bevestigd met bouten en rondellen « E ».
De tunnel van de klep wordt ook beschermd met gecoate steenwol platen type Promastop CB(/CC) / Hilti CFS-CT B « G » over een lengte van 171 mm. Er dient een vrije ruimte voorzien te worden ter hoogte van het mechanisme om toegang hiertoe te garanderen.
De resterende opening tussen de tunnel van de brandklep en de steenwolplaten wordt eveneens opgevuld met gecoate steenwolplaten « G ».
De tunnel van de klep wordt ook beschermd met gecoate steenwol platen type Promastop CB(/CC) / Hilti CFS-CT B « G » over een lengte van 171 mm. Er dient een vrije ruimte voorzien te worden ter hoogte van het mechanisme om toegang hiertoe te garanderen.
De resterende opening tussen de tunnel van de brandklep en de steenwolplaten wordt eveneens opgevuld met gecoate steenwolplaten « G ».
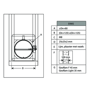
Plaatsing op afstand van de wand + GEOFLAM
Het product werd getest en goedgekeurd in:
- Cellenbeton ≥ 100 mm | EI 90 (ve i o) S - (500 Pa) | Gegalvaniseerd kanaal + GEOFLAM® F 45 mm + mortel | Installatiemethode: montage op afstand, 0/180°. Minimum afstand toegestaan. | Ø 100-315 mm
- Cellenbeton ≥ 100 mm | EI 90 (ve i o) S - (500 Pa) | Gegalvaniseerd kanaal + GEOFLAM® Light 35 mm + mortel | Installatiemethode: montage op afstand, 0/180°. Minimum afstand toegestaan. | Ø 100-315 mm
De brandklep wordt op afstand gemonteerd tussen een metalen kanaal. Het kanaal wordt elke 1000 mm ondersteund.
De ophanging bestaat uit draadstangen « C » en stalen U-profielen « D ». Er is een afstand van ongeveer 25 mm tussen de draadstangen en de verticale wanden van de omkasting « B ».
De ophanging bestaat uit draadstangen « C » en stalen U-profielen « D ». Er is een afstand van ongeveer 25 mm tussen de draadstangen en de verticale wanden van de omkasting « B ».
De opening rond het kanaal in de wand wordt afgedicht met standaard mortel. Het kanaal wordt over zijn gehele lengte voorzien van staff platen type GEOFLAM F met dikte 45 mm of GEOFLAM Light met dikte 35 mm « G ».
De platen worden afgedicht met lijm en plaaster met vezels « E ». De tunnel van de klep wordt ook beschermd over een lengte van 171 mm.
De platen worden afgedicht met lijm en plaaster met vezels « E ». De tunnel van de klep wordt ook beschermd over een lengte van 171 mm.
De bescherming in staff GEOFLAM F / GEOFLAM Light stopt op 20 mm van de muur. De vrije ruimte tussen de muur en de omkasting uit staff wordt opgevuld met plaaster en vezels.
Deze opvulling wordt ook toegepast op de scheiding tussen de omkasting en de tunnel van de brandklep.
Deze opvulling wordt ook toegepast op de scheiding tussen de omkasting en de tunnel van de brandklep.
De draadstangen worden beschermd door ½ schelpen uit staff Ø 90 mm en bevestigd tussen hun door lijm en plaaster met vezels.
De profielen worden beschermd door een beschermend U-profiel uit GEOFLAM van 100 x 60 mm, gelijmd aan de onderzijde van de omkasting met lijmplaaster GEOCOL (GEOSTAFF).
De profielen worden beschermd door een beschermend U-profiel uit GEOFLAM van 100 x 60 mm, gelijmd aan de onderzijde van de omkasting met lijmplaaster GEOCOL (GEOSTAFF).
De brandkleppen mogen geïnstalleerd worden op een kortere afstand van een wand of van een andere klep.
Dicht de opening aan de zijde met minimale afstanden af met harde steenwolplaten (150 kg/m³) over een diepte van 250 mm (dikte van de wand + bijkomend aan de achterzijde van de wand).
Inspectie van de klep via optie UL of via de smeltloodopening van het ONE mechanisme
Via een inspectieopening (enkel beschikbaar bij bestelling van de optie ‘UL’) kan de stand en toestand van de klep visueel met een endoscoop vastgesteld worden. Bij brandkleppen die uitgerust zijn met het ONE mechanisme is het ook mogelijk om deze camera-inspectie via de opening van het smeltlood uit te voeren.
Optie UL:
Verwijder het luchtdichte afsluitstuk van de klep.
Optie UL:
Verwijder het luchtdichte afsluitstuk van de klep.
Breng de endoscoop camera (bijvoorbeeld Inspecam Rf-t) in de opening en controleer de binnenzijde van de klep.
Plaats na inspectie het afsluitstuk correct terug op zijn plaats. De juiste positie is belangrijk voor het behoud van de luchtdichtheid van de klep.
Trek gelijktijdig het smeltlood met zijn rubber dop uit het mechanisme.
Breng de endoscoop camera (bijvoorbeeld Inspecam Rf-t) in de opening en controleer de binnenzijde van de klep.
Schuif het smeltlood terug in het mechanisme totdat deze vastklikt. Sluit het batterijcompartiment af met de rubberen dop.
Breng de endoscoop camera (bijvoorbeeld Inspecam Rf-t) in de opening en controleer de binnenzijde van de klep.
Schuif het smeltlood terug in het mechanisme totdat deze vastklikt. Sluit het batterijcompartiment af met de rubberen dop.
Algemene opmerkingen
- De plaatsing dient steeds te gebeuren conform het installatievoorschrift en het classificatierapport.
- As oriëntatie: zie prestatieverklaring.
- Vermijd obstructie van aansluitende kanalen.
- Inbouw van het product: altijd met gesloten klepblad.
- Kijk na of het klepblad vrij kan bewegen.
- Bij montage dienen de veiligheidsafstanden t.o.v. andere constructie-elementen gerespecteerd te worden. Het bedieningsmechanisme moet ook toegankelijk zijn: voorzie een speling van 200 mm rond de behuizing.
- De klasse van luchtdichtheid blijft behouden indien de installatie van de brandklep gebeurt conform de installatievoorschriften
- Rf-t brandkleppen worden steeds getest in gestandaardiseerde draagconstructies volgens EN 1366-2. De behaalde resultaten gelden voor gelijksoortige draagconstructies met een brandweerstand, dikte en dichtheid gelijk aan of groter dan de draagconstructie van de test.
- Als de wanddikte groter is dan de minimale dikte aangegeven in onze installatievoorschriften, gelden volgende voorwaarden voor de afdichtdiepte: - Bij flexibele wanden en sandwichpaneelsysteemwanden moet de afdichting steeds over de volledige diepte van de wand aangebracht worden. - Bij massieve wanden, massieve vloeren en gipsblokkenwanden volstaat de minimale afdichtdiepte zoals aangeduid in onze installatievoorschriften (vaak gelijk aan de minimale wanddikte). Afdichting aan te brengen ter hoogte van het klepblad (vanaf de wall limit aanduiding/inbouwaanslag).
- Bij inbouw van een brandklep in een flexibele metal stud wand is het bij sommige installatiemethodes vanuit brandtechnisch oogpunt niet noodzakelijk om versterkingsprofielen rond de wandopening aan te brengen (zie verder). Hou voor opbouw van dit type wanden steeds rekening met de algemene instructies van de producent van deze wandsystemen.
- De klep moet bereikbaar zijn voor inspectie en onderhoud.
- Minstens 2 visuele controles per jaar zijn aangewezen.