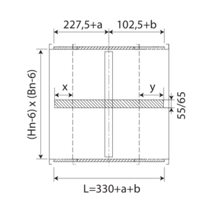
CU2-15 - Rechthoekige brandklep 120' bij 1500 Pa

Rechthoekige brandklep met een brandweerstand van 120 minuten in een betonwand bij luchtdruk tot 1500 Pascal.

CU2-15

Rechthoekige brandklep met een brandweerstand van 120 minuten in een betonwand bij luchtdruk tot 1500 Pascal.

voordelen

  • Brandweerstand getest bij een onderdruk van 1500 Pa
Naar dit product configureer

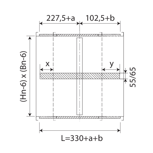
CU2-15L

Klep waarvan de tunnel langs één of beide zijden verlengd is zodat het klepblad niet voorbij de tunnel komt. Deze variante laat toe om bijvoorbeeld een rooster of een bocht rechtstreeks aan het kader aan te sluiten of een ronde aansluiting te voorzien.

voordelen

  • Brandweerstand getest bij een onderdruk van 1500 Pa
Naar dit product configureer