- Home
- Producten
- Brandwerende kleppen
- CU4
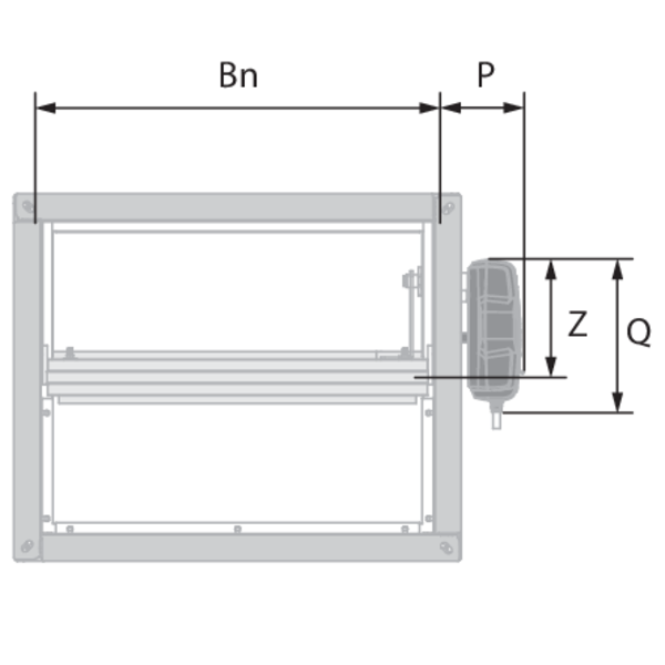
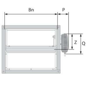
- Afmetingen
CU4 - Afmetingen
Gamma en afmetingen
| ≥ | ≤ | |
|---|---|---|
| Hn\Bn [mm] | 200x200 | 1200x800 |
- Bn/Hn per stap van 50 mm; tussenmaten kunnen mits meerprijs (hoogtes tussen ≥ 275 en ≤ 299 mm zijn niet mogelijk).
- Uitsteken klepblad: X = langs de mechanisme zijde, Y = langs de muurzijde
X = Hn/2 – 275 mm
Y = Hn/2 – 149 mm
| Hn [mm] | 300 | 350 | 400 | 450 | 500 | 550 | 600 | 650 | 700 | 750 | 800 |
|---|---|---|---|---|---|---|---|---|---|---|---|
| X | - | - | - | - | - | - | 25 | 50 | 75 | 100 | 125 |
| Y | 1 | 26 | 51 | 51 | 101 | 126 | 151 | 176 | 201 | 226 | 251 |
Gewichten Scroll naar rechts/beneden om de volledige tabel te zien
| Hn\Bn [mm] | 200 | 250 | 300 | 350 | 400 | 450 | 500 | 550 | 600 | 650 | 700 | 750 | 800 | 850 | 900 | 950 | 1000 | 1050 | 1100 | 1150 | 1200 | |
|---|---|---|---|---|---|---|---|---|---|---|---|---|---|---|---|---|---|---|---|---|---|---|
| 200 | kg | 9,3 | 10,5 | 11,7 | 13,0 | 14,2 | 15,4 | 16,6 | 17,9 | 19,1 | 20,3 | 21,5 | 22,7 | 24,0 | 25,2 | 26,4 | 27,6 | 28,9 | 30,1 | 31,3 | 32,5 | 33,7 |
| 250 | kg | 10,5 | 11,9 | 13,2 | 14,5 | 15,9 | 17,2 | 18,6 | 19,9 | 21,3 | 22,6 | 23,9 | 25,3 | 26,6 | 28,0 | 29,3 | 30,7 | 32,0 | 33,3 | 34,7 | 36,0 | 37,4 |
| 300 | kg | 11,7 | 13,2 | 14,7 | 16,1 | 17,6 | 19,1 | 20,5 | 22,0 | 23,4 | 24,9 | 26,4 | 27,8 | 29,3 | 30,7 | 32,2 | 33,7 | 35,1 | 36,6 | 38,1 | 39,5 | 41,0 |
| 350 | kg | 13,0 | 14,5 | 16,1 | 17,7 | 19,3 | 20,9 | 22,5 | 24,0 | 25,6 | 27,2 | 28,8 | 30,4 | 31,9 | 33,5 | 35,1 | 36,7 | 38,3 | 39,9 | 41,4 | 43,0 | 44,6 |
| 400 | kg | 14,2 | 15,9 | 17,6 | 19,3 | 21,0 | 22,7 | 24,4 | 26,1 | 27,8 | 29,5 | 31,2 | 32,9 | 34,6 | 36,3 | 38,0 | 39,7 | 41,4 | 43,1 | 44,8 | 46,5 | 48,2 |
| 450 | kg | 15,4 | 17,2 | 19,1 | 20,9 | 22,7 | 24,5 | 26,3 | 28,2 | 30,0 | 31,8 | 33,6 | 35,4 | 37,3 | 39,1 | 40,9 | 42,7 | 44,5 | 46,4 | 48,2 | 50,0 | 51,8 |
| 500 | kg | 16,6 | 18,6 | 20,5 | 22,5 | 24,4 | 26,3 | 28,3 | 30,2 | 32,2 | 34,1 | 36,0 | 38,0 | 39,9 | 41,9 | 43,8 | 45,7 | 47,7 | 49,6 | 51,6 | 53,5 | 55,4 |
| 550 | kg | 17,9 | 19,9 | 22,0 | 24,0 | 26,1 | 28,2 | 30,2 | 32,3 | 34,3 | 36,4 | 38,5 | 40,5 | 42,6 | 44,6 | 46,7 | 48,8 | 50,8 | 52,9 | 54,9 | 57,0 | 59,1 |
| 600 | kg | 19,1 | 21,3 | 23,4 | 25,6 | 27,8 | 30,0 | 32,2 | 34,3 | 36,5 | 38,7 | 40,9 | 43,1 | 45,2 | 47,4 | 49,6 | 51,8 | 54,0 | 56,1 | 58,3 | 60,5 | 62,7 |
| 650 | kg | 20,3 | 22,6 | 24,9 | 27,2 | 29,5 | 31,8 | 34,1 | 36,4 | 38,7 | 41,0 | 43,3 | 45,6 | 47,9 | 50,2 | 52,5 | 54,8 | 57,1 | 59,4 | 61,7 | 64,0 | 66,3 |
| 700 | kg | 21,5 | 23,9 | 26,4 | 28,8 | 31,2 | 33,6 | 36,0 | 38,5 | 40,9 | 43,3 | 45,7 | 48,1 | 50,5 | 53,0 | 55,4 | 57,8 | 60,2 | 62,6 | 65,1 | 67,5 | 69,9 |
| 750 | kg | 22,7 | 25,3 | 27,8 | 30,4 | 32,9 | 35,4 | 38,0 | 40,5 | 43,1 | 45,6 | 48,1 | 50,7 | 53,2 | 55,7 | 58,3 | 60,8 | 63,4 | 65,9 | 68,4 | 71,0 | 73,5 |
| 800 | kg | 24,0 | 26,6 | 29,3 | 31,9 | 34,6 | 37,3 | 39,9 | 42,6 | 45,2 | 47,9 | 50,5 | 53,2 | 55,9 | 58,5 | 61,2 | 63,8 | 66,5 | 69,2 | 71,8 | 74,5 | 77,1 |