- Home
- Producten
- Brandwerende kleppen
- CU2
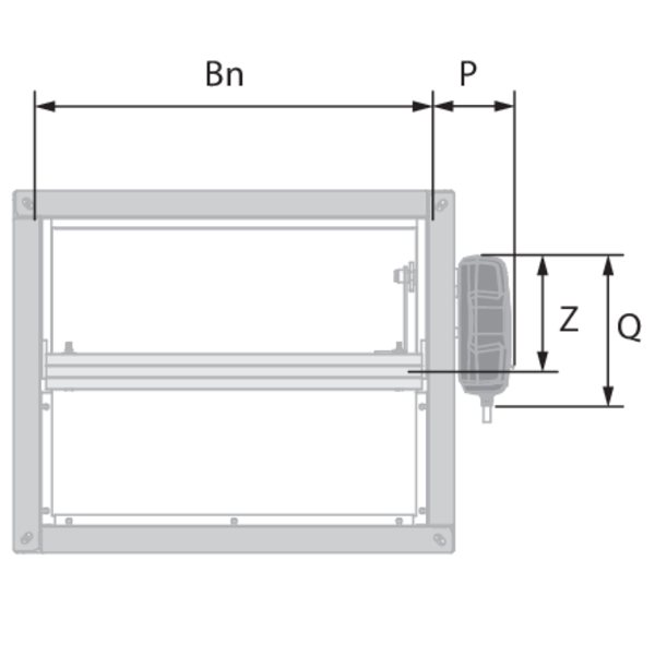
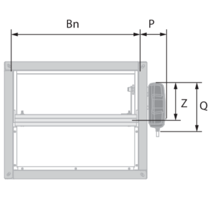
- Afmetingen
CU2 - Afmetingen
Gamma en afmetingen
| ≥ | ≤ | |
|---|---|---|
| Hn\Bn [mm] | 200x200 | 1500x1000 |
- Bn/Hn per stap van 50 mm; tussenmaten kunnen mits meerprijs (hoogtes tussen ≥ 275 en ≤ 299 mm zijn niet mogelijk).
- Uitsteken klepblad: X = langs de mechanisme zijde, Y = langs de muurzijde
X = Hn/2 – 274 mm
Y = Hn/2 – 148 mm
| Hn [mm] | 300 | 350 | 400 | 450 | 500 | 550 | 600 | 650 | 700 | 750 | 800 | 850 | 900 | 950 | 1000 |
|---|---|---|---|---|---|---|---|---|---|---|---|---|---|---|---|
| X | - | - | - | - | - | 1 | 26 | 51 | 76 | 101 | 126 | 151 | 176 | 201 | 226 |
| Y | 2 | 27 | 52 | 77 | 102 | 127 | 152 | 177 | 202 | 227 | 252 | 277 | 302 | 327 | 352 |
Gewichten Scroll naar rechts/beneden om de volledige tabel te zien
| Hn\Bn [mm] | 200 | 250 | 300 | 350 | 400 | 450 | 500 | 550 | 600 | 650 | 700 | 750 | 800 | 850 | 900 | 950 | 1000 | 1050 | 1100 | 1150 | 1200 | 1250 | 1300 | 1350 | 1400 | 1450 | 1500 | |
|---|---|---|---|---|---|---|---|---|---|---|---|---|---|---|---|---|---|---|---|---|---|---|---|---|---|---|---|---|
| 200 | kg | 9,0 | 10,1 | 11,1 | 12,2 | 13,2 | 14,3 | 15,3 | 16,4 | 17,5 | 18,5 | 19,6 | 20,6 | 21,7 | 22,7 | 23,8 | 24,9 | 25,9 | 25,4 | 26,4 | 27,5 | 28,5 | 29,6 | 30,7 | 31,7 | 32,8 | 33,8 | 34,9 |
| 250 | kg | 10,0 | 11,1 | 12,2 | 13,4 | 14,5 | 15,6 | 16,7 | 17,9 | 19,0 | 20,1 | 21,2 | 22,4 | 23,5 | 24,6 | 25,7 | 26,8 | 26,4 | 27,5 | 28,6 | 29,7 | 30,9 | 32,0 | 33,1 | 34,2 | 35,3 | 36,5 | 37,6 |
| 300 | kg | 11,0 | 12,2 | 13,4 | 14,6 | 15,8 | 16,9 | 18,1 | 19,3 | 20,5 | 21,7 | 22,9 | 24,1 | 25,3 | 26,5 | 27,6 | 27,2 | 28,4 | 29,6 | 30,8 | 32,0 | 33,2 | 34,4 | 35,5 | 36,7 | 37,9 | 39,1 | 40,3 |
| 350 | kg | 12,0 | 13,3 | 14,5 | 15,8 | 17,0 | 18,3 | 19,5 | 20,8 | 22,0 | 23,3 | 24,5 | 25,8 | 27,1 | 28,3 | 28,0 | 29,2 | 30,5 | 31,7 | 33,0 | 34,2 | 35,5 | 36,7 | 38,0 | 39,2 | 40,5 | 41,7 | 43,0 |
| 400 | kg | 13,0 | 14,3 | 15,7 | 17,0 | 18,3 | 19,6 | 20,9 | 22,2 | 23,6 | 24,9 | 26,2 | 27,5 | 28,8 | 28,6 | 29,9 | 31,2 | 32,5 | 33,8 | 35,1 | 36,5 | 37,8 | 39,1 | 40,4 | 41,7 | 43,1 | 44,4 | 45,7 |
| 450 | kg | 14,0 | 15,4 | 16,8 | 18,2 | 19,6 | 20,9 | 22,3 | 23,7 | 25,1 | 26,5 | 27,9 | 29,2 | 29,0 | 30,4 | 31,8 | 33,2 | 34,6 | 35,9 | 37,3 | 38,7 | 40,1 | 41,5 | 42,9 | 44,2 | 45,6 | 47,0 | 48,4 |
| 500 | kg | 15,0 | 16,5 | 17,9 | 19,4 | 20,8 | 22,3 | 23,7 | 25,2 | 26,6 | 28,1 | 29,5 | 29,4 | 30,8 | 32,3 | 33,7 | 35,2 | 36,6 | 38,1 | 39,5 | 41,0 | 42,4 | 43,9 | 45,3 | 46,8 | 48,2 | 49,6 | 51,1 |
| 550 | kg | 16,0 | 17,5 | 19,1 | 20,6 | 22,1 | 23,6 | 25,1 | 26,6 | 28,1 | 29,7 | 29,6 | 31,1 | 32,6 | 34,1 | 35,6 | 37,1 | 38,7 | 40,2 | 41,7 | 43,2 | 44,7 | 46,2 | 47,7 | 49,3 | 50,8 | 52,3 | 53,8 |
| 600 | kg | 17,0 | 18,6 | 20,2 | 21,8 | 23,4 | 24,9 | 26,5 | 28,1 | 29,7 | 29,7 | 31,2 | 32,8 | 34,4 | 36,0 | 37,5 | 39,1 | 40,7 | 42,3 | 43,9 | 45,4 | 47,0 | 48,6 | 50,2 | 51,8 | 53,3 | 54,9 | 56,5 |
| 650 | kg | 18,0 | 19,7 | 21,3 | 23,0 | 24,6 | 26,3 | 27,9 | 29,6 | 29,6 | 31,2 | 32,9 | 34,5 | 36,2 | 37,8 | 39,5 | 41,1 | 42,8 | 44,4 | 46,0 | 47,7 | 49,3 | 51,0 | 52,6 | 54,3 | 55,9 | 57,6 | 59,2 |
| 700 | kg | 19,0 | 20,8 | 22,5 | 24,2 | 25,9 | 27,6 | 29,3 | 29,4 | 31,1 | 32,8 | 34,5 | 36,3 | 38,0 | 39,7 | 41,4 | 43,1 | 44,8 | 46,5 | 48,2 | 49,9 | 51,6 | 53,4 | 55,1 | 56,8 | 58,5 | 60,2 | 61,9 |
| 750 | kg | 20,1 | 21,8 | 23,6 | 25,4 | 27,2 | 28,9 | 29,1 | 30,9 | 32,7 | 34,4 | 36,2 | 38,0 | 39,8 | 41,5 | 43,3 | 45,1 | 46,9 | 48,6 | 50,4 | 52,2 | 54,0 | 55,7 | 57,5 | 59,3 | 61,1 | 62,8 | 64,6 |
| 800 | kg | 21,1 | 22,9 | 24,7 | 26,6 | 28,4 | 28,7 | 30,5 | 32,3 | 34,2 | 36,0 | 37,9 | 39,7 | 41,5 | 43,4 | 45,2 | 47,1 | 48,9 | 50,7 | 52,6 | 54,4 | 56,3 | 58,1 | 59,9 | 61,8 | 63,6 | 65,5 | 67,3 |
| 850 | kg | 22,1 | 24,0 | 25,9 | 27,8 | 28,1 | 30,0 | 31,9 | 33,8 | 35,7 | 37,6 | 39,5 | 41,4 | 43,3 | 45,2 | 47,1 | 49,0 | 51,0 | 52,9 | 54,8 | 56,7 | 58,6 | 60,5 | 62,4 | 64,3 | 66,2 | 68,1 | 70,0 |
| 900 | kg | 23,1 | 25,0 | 27,0 | 27,4 | 29,4 | 31,3 | 33,3 | 35,3 | 37,2 | 39,2 | 41,2 | 43,1 | 45,1 | 47,1 | 49,1 | 51,0 | 53,0 | 55,0 | 56,9 | 58,9 | 60,9 | 62,9 | 64,8 | 66,8 | 68,8 | 70,7 | 72,7 |
| 950 | kg | 24,1 | 26,1 | 26,5 | 28,6 | 30,6 | 32,7 | 34,7 | 36,7 | 38,8 | 40,8 | 42,8 | 44,9 | 46,9 | 48,9 | 51,0 | 53,0 | 55,1 | 57,1 | 59,1 | 61,2 | 63,2 | 65,2 | 67,3 | 69,3 | 71,3 | 73,4 | 75,4 |
| 1000 | kg | 25,1 | 25,6 | 27,7 | 29,8 | 31,9 | 34,0 | 36,1 | 38,2 | 40,3 | 42,4 | 44,5 | 46,6 | 48,7 | 50,8 | 52,9 | 55,0 | 57,1 | 59,2 | 61,3 | 63,4 | 65,5 | 67,6 | 69,7 | 71,8 | 73,9 | 76,0 | 78,1 |