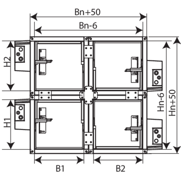
CU2/B - Afmetingen

Gamma en afmetingen

Hn\Bn [mm]200x2001500x800
  • Bn/Hn per stap van 50 mm; tussenmaten kunnen mits meerprijs (hoogtes tussen ≥ 275 en ≤ 299 mm zijn niet mogelijk).
  • Uitsteken klepblad: X = langs de mechanisme zijde, Y = langs de muurzijde
Hn [mm]300350400450500550600650700750800
X-----1265176101126
Y2275277102127152177202227252
  • Het hierboven beschreven gamma en de afmetingen gelden voor 1 deelklep.
  • Mogelijke configuraties voor de batterij-samenstelling: B12, B21, B22 (aantal kleppen in de breedte / aantal kleppen in de hoogte)
  • Breedte:
  • B veelvoud van 100: B1 = (Bn-100)/2, B2 = Bn/2;
  • B eindigend op 50: B1 = B2 = (Bn-50)/2.
  • Hoogte:
  • H veelvoud van 100: H1 = (Hn-100)/2, H2 = Hn/2;
  • H eindigend op 50: H1 = H2 = (Hn-50)/2.

Gewichten Scroll naar rechts/beneden om de volledige tabel te zien

Hn\Bn [mm]20025030035040045050055060065070075080085090095010001050110011501200125013001350140014501500
200kg9,010,111,112,213,214,315,316,417,518,519,620,621,722,723,824,925,925,426,427,528,529,630,731,732,833,834,9
250kg10,011,112,213,414,515,616,717,919,020,121,222,423,524,625,726,826,427,528,629,730,932,033,134,235,336,537,6
300kg11,012,213,414,615,816,918,119,320,521,722,924,125,326,527,627,228,429,630,832,033,234,435,536,737,939,140,3
350kg12,013,314,515,817,018,319,520,822,023,324,525,827,128,328,029,230,531,733,034,235,536,738,039,240,541,743,0
400kg13,014,315,717,018,319,620,922,223,624,926,227,528,828,629,931,232,533,835,136,537,839,140,441,743,144,445,7
450kg14,015,416,818,219,620,922,323,725,126,527,929,229,030,431,833,234,635,937,338,740,141,542,944,245,647,048,4
500kg15,016,517,919,420,822,323,725,226,628,129,529,430,832,333,735,236,638,139,541,042,443,945,346,848,249,651,1
550kg16,017,519,120,622,123,625,126,628,129,729,631,132,634,135,637,138,740,241,743,244,746,247,749,350,852,353,8
600kg17,018,620,221,823,424,926,528,129,729,731,232,834,436,037,539,140,742,343,945,447,048,650,251,853,354,956,5
650kg18,019,721,323,024,626,327,929,629,631,232,934,536,237,839,541,142,844,446,047,749,351,052,654,355,957,659,2
700kg19,020,822,524,225,927,629,329,431,132,834,536,338,039,741,443,144,846,548,249,951,653,455,156,858,560,261,9
750kg20,121,823,625,427,228,929,130,932,734,436,238,039,841,543,345,146,948,650,452,254,055,757,559,361,162,864,6
800kg21,122,924,726,628,428,730,532,334,236,037,939,741,543,445,247,148,950,752,654,456,358,159,961,863,665,567,3