- Home
- Producten
- Rookbeheersingskleppen
- KAMOUFLAGE 1V120
- Afmetingen
KAMOUFLAGE 1V120 - Afmetingen
Gamma en afmetingen
| ≥ | ≤ | |
|---|---|---|
| Hn\Bn [mm] | 300x385 | 700x1075 |
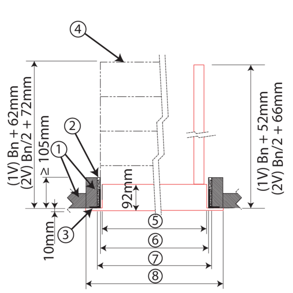
- 1. Vuurvast materiaal (kanaal)
- 2. Afdichting indien inbouwkader
- 3. Inbouwkader EASY-KAP (optie)
- 4. Inbouwkader met valbeveiliging EASY-KGC (optie)
- 5. Nominale afmetingen luik Bn x Hn
- 6. Inbouwafmetingen zonder inbouwkader (Bn+10) x (Hn+10)mm
- 7. Inbouwafmetingen met inbouwkader (Bn+20) x (Hn+20)mm
- 8. Buitenafmetingen van het luik (Bn+54) x (Hn+54)mm
Gewichten Scroll naar rechts/beneden om de volledige tabel te zien
| Hn\Bn [mm] | 300 | 330 | 350 | 380 | 400 | 430 | 450 | 480 | 500 | 530 | 550 | 580 | 600 | 630 | 650 | 680 | 700 | |
|---|---|---|---|---|---|---|---|---|---|---|---|---|---|---|---|---|---|---|
| 385 | kg | 7,2 | 7,7 | 8,0 | 8,4 | 8,6 | 9,0 | 9,3 | 9,7 | 10,0 | 10,4 | 10,7 | 11,1 | 11,4 | 11,8 | 12,1 | 12,5 | 12,7 |
| 415 | kg | 7,6 | 8,1 | 8,4 | 8,8 | 9,1 | 9,5 | 9,8 | 10,2 | 10,5 | 11,0 | 11,3 | 11,7 | 12,0 | 12,4 | 12,7 | 13,1 | 13,4 |
| 430 | kg | 7,8 | 8,3 | 8,6 | 9,0 | 9,3 | 9,7 | 10,0 | 10,5 | 10,8 | 11,2 | 11,5 | 12,0 | 12,3 | 12,7 | 13,0 | 13,5 | 13,8 |
| 445 | kg | 8,0 | 8,5 | 8,8 | 9,2 | 9,5 | 10,0 | 10,3 | 10,7 | 11,1 | 11,5 | 11,8 | 12,3 | 12,6 | 13,0 | 13,3 | 13,8 | 14,1 |
| 475 | kg | 8,4 | 8,8 | 9,2 | 9,6 | 10,0 | 10,4 | 10,8 | 11,3 | 11,6 | 12,1 | 12,4 | 12,9 | 13,2 | 13,7 | 14,0 | 14,5 | 14,8 |
| 480 | kg | 8,4 | 8,9 | 9,2 | 9,7 | 10,0 | 10,5 | 10,8 | 11,3 | 11,7 | 12,1 | 12,5 | 13,0 | 13,3 | 13,8 | 14,1 | 14,6 | 14,9 |
| 505 | kg | 8,7 | 9,2 | 9,6 | 10,1 | 10,4 | 10,9 | 11,3 | 11,8 | 12,1 | 12,6 | 12,9 | 13,4 | 13,8 | 14,3 | 14,6 | 15,1 | 15,5 |
| 530 | kg | 9,0 | 9,5 | 9,9 | 10,4 | 10,8 | 11,3 | 11,7 | 12,2 | 12,5 | 13,1 | 13,4 | 13,9 | 14,3 | 14,8 | 15,2 | 15,7 | 16,0 |
| 535 | kg | 9,1 | 9,6 | 10,0 | 10,5 | 10,8 | 11,4 | 11,7 | 12,3 | 12,6 | 13,1 | 13,5 | 14,0 | 14,4 | 14,9 | 15,3 | 15,8 | 16,2 |
| 565 | kg | 9,4 | 10,0 | 10,4 | 10,9 | 11,3 | 11,8 | 12,2 | 12,8 | 13,1 | 13,7 | 14,1 | 14,6 | 15,0 | 15,5 | 15,9 | 16,5 | 16,8 |
| 580 | kg | 9,6 | 10,2 | 10,6 | 11,1 | 11,5 | 12,1 | 12,5 | 13,0 | 13,4 | 14,0 | 14,3 | 14,9 | 15,3 | 15,9 | 16,2 | 16,8 | 17,2 |
| 595 | kg | 9,8 | 10,4 | 10,8 | 11,3 | 11,7 | 12,3 | 12,7 | 13,3 | 13,7 | 14,2 | 14,6 | 15,2 | 15,6 | 16,2 | 16,6 | 17,1 | 17,5 |
| 625 | kg | 10,2 | 10,8 | 11,2 | 11,8 | 12,2 | 12,8 | 13,2 | 13,8 | 14,2 | 14,8 | 15,2 | 15,8 | 16,2 | 16,8 | 17,2 | 17,8 | 18,2 |
| 630 | kg | 10,2 | 10,8 | 11,2 | 11,8 | 12,2 | 12,9 | 13,3 | 13,9 | 14,3 | 14,9 | 15,3 | 15,9 | 16,3 | 16,9 | 17,3 | 17,9 | 18,3 |
| 655 | kg | 10,5 | 11,2 | 11,6 | 12,2 | 12,6 | 13,2 | 13,7 | 14,3 | 14,7 | 15,3 | 15,7 | 16,4 | 16,8 | 17,4 | 17,8 | 18,5 | 18,9 |
| 680 | kg | 10,8 | 11,5 | 11,9 | 12,6 | 13,0 | 13,6 | 14,1 | 14,7 | 15,1 | 15,8 | 16,2 | 16,9 | 17,3 | 17,9 | 18,4 | 19,0 | 19,4 |
| 685 | kg | 10,9 | 11,5 | 12,0 | 12,6 | 13,1 | 13,7 | 14,1 | 14,8 | 15,2 | 15,9 | 16,3 | 17,0 | 17,4 | 18,0 | 18,5 | 19,1 | 19,6 |
| 715 | kg | 11,2 | 11,9 | 12,4 | 13,0 | 13,5 | 14,2 | 14,6 | 15,3 | 15,7 | 16,4 | 16,9 | 17,5 | 18,0 | 18,7 | 19,1 | 19,8 | 20,2 |
| 730 | kg | 11,4 | 12,1 | 12,6 | 13,3 | 13,7 | 14,4 | 14,9 | 15,5 | 16,0 | 16,7 | 17,2 | 17,8 | 18,3 | 19,0 | 19,4 | 20,1 | 20,6 |
| 745 | kg | 11,6 | 12,3 | 12,8 | 13,5 | 13,9 | 14,6 | 15,1 | 15,8 | 16,3 | 17,0 | 17,4 | 18,1 | 18,6 | 19,3 | 19,8 | 20,5 | 20,9 |
| 775 | kg | 12,0 | 12,7 | 13,2 | 13,9 | 14,4 | 15,1 | 15,6 | 16,3 | 16,8 | 17,5 | 18,0 | 18,7 | 19,2 | 19,9 | 20,4 | 21,1 | 21,6 |
| 780 | kg | 12,0 | 12,8 | 13,2 | 14,0 | 14,5 | 15,2 | 15,7 | 16,4 | 16,9 | 17,6 | 18,1 | 18,8 | 19,3 | 20,0 | 20,5 | 21,2 | 21,7 |
| 805 | kg | 12,3 | 13,1 | 13,6 | 14,3 | 14,8 | 15,6 | 16,1 | 16,8 | 17,3 | 18,1 | 18,6 | 19,3 | 19,8 | 20,5 | 21,0 | 21,8 | 22,3 |
| 830 | kg | 12,6 | 13,4 | 13,9 | 14,7 | 15,2 | 16,0 | 16,5 | 17,2 | 17,7 | 18,5 | 19,0 | 19,8 | 20,3 | 21,1 | 21,6 | 22,3 | 22,9 |
| 835 | kg | 12,7 | 13,5 | 14,0 | 14,8 | 15,3 | 16,0 | 16,5 | 17,3 | 17,8 | 18,6 | 19,1 | 19,9 | 20,4 | 21,2 | 21,7 | 22,5 | 23,0 |
| 865 | kg | 13,1 | 13,9 | 14,4 | 15,2 | 15,7 | 16,5 | 17,0 | 17,8 | 18,4 | 19,1 | 19,7 | 20,5 | 21,0 | 21,8 | 22,3 | 23,1 | 23,6 |
| 880 | kg | 13,2 | 14,0 | 14,6 | 15,4 | 15,9 | 16,7 | 17,3 | 18,1 | 18,6 | 19,4 | 20,0 | 20,8 | 21,3 | 22,1 | 22,6 | 23,5 | 24,0 |
| 895 | kg | 13,4 | 14,2 | 14,8 | 15,6 | 16,1 | 17,0 | 17,5 | 18,3 | 18,9 | 19,7 | 20,2 | 21,1 | 21,6 | 22,4 | 23,0 | 23,8 | 24,3 |
| 925 | kg | 13,8 | 14,6 | 15,2 | 16,0 | 16,6 | 17,4 | 18,0 | 18,8 | 19,4 | 20,2 | 20,8 | 21,6 | 22,2 | 23,0 | 23,6 | 24,5 | 25,0 |
| 955 | kg | 14,1 | 15,0 | 15,6 | 16,5 | 17,0 | 17,9 | 18,5 | 19,3 | 19,9 | 20,8 | 21,4 | 22,2 | 22,8 | 23,7 | 24,3 | 25,1 | 25,7 |
| 985 | kg | 14,5 | 15,4 | 16,0 | 16,9 | 17,5 | 18,4 | 19,0 | 19,8 | 20,4 | 21,3 | 21,9 | 22,8 | 23,4 | 24,3 | 24,9 | 25,8 | 26,4 |
| 1015 | kg | 14,9 | 15,8 | 16,4 | 17,3 | 17,9 | 18,8 | 19,4 | 20,4 | 21,0 | 21,9 | 22,5 | 23,4 | 24,0 | 24,9 | 25,5 | 26,4 | 27,1 |
| 1045 | kg | 15,2 | 16,2 | 16,8 | 17,7 | 18,4 | 19,3 | 19,9 | 20,9 | 21,5 | 22,4 | 23,0 | 24,0 | 24,6 | 25,6 | 26,2 | 27,1 | 27,7 |
| 1075 | kg | 15,6 | 16,6 | 17,2 | 18,2 | 18,8 | 19,8 | 20,4 | 21,4 | 22,0 | 23,0 | 23,6 | 24,6 | 25,2 | 26,2 | 26,8 | 27,8 | 28,4 |