KAMOUFLAGE 1V120 - Dimensions

Gamme et dimensions

Hn\Ln [mm]300x385700x1075
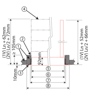
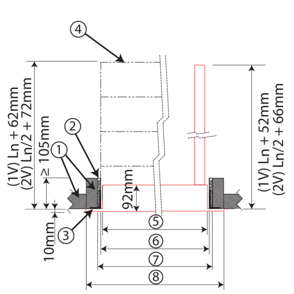
  • 1. Matériau réfractaire (conduit)
  • 2. Calfeutrement si utilisation précadre
  • 3. Précadre EASY-KAP (option)
  • 4. Précadre avec anti-chute EASY-KGC (option)
  • 5. Dimensions nominales du volet Ln x Hn
  • 6. Cotes d'encastrement sans précadre (Ln+10) x (Hn+10)mm
  • 7. Cotes d'encastrement avec précadre (Ln+20) x (Hn+20)mm
  • 8. Dimensions extérieures du volet (Ln+54) x (Hn+54)mm

Poids Faire défiler vers le bas/la droite pour voir tout le tableau

Hn\Ln [mm]300330350380400430450480500530550580600630650680700
385kg7,27,78,08,48,69,09,39,710,010,410,711,111,411,812,112,512,7
415kg7,68,18,48,89,19,59,810,210,511,011,311,712,012,412,713,113,4
430kg7,88,38,69,09,39,710,010,510,811,211,512,012,312,713,013,513,8
445kg8,08,58,89,29,510,010,310,711,111,511,812,312,613,013,313,814,1
475kg8,48,89,29,610,010,410,811,311,612,112,412,913,213,714,014,514,8
480kg8,48,99,29,710,010,510,811,311,712,112,513,013,313,814,114,614,9
505kg8,79,29,610,110,410,911,311,812,112,612,913,413,814,314,615,115,5
530kg9,09,59,910,410,811,311,712,212,513,113,413,914,314,815,215,716,0
535kg9,19,610,010,510,811,411,712,312,613,113,514,014,414,915,315,816,2
565kg9,410,010,410,911,311,812,212,813,113,714,114,615,015,515,916,516,8
580kg9,610,210,611,111,512,112,513,013,414,014,314,915,315,916,216,817,2
595kg9,810,410,811,311,712,312,713,313,714,214,615,215,616,216,617,117,5
625kg10,210,811,211,812,212,813,213,814,214,815,215,816,216,817,217,818,2
630kg10,210,811,211,812,212,913,313,914,314,915,315,916,316,917,317,918,3
655kg10,511,211,612,212,613,213,714,314,715,315,716,416,817,417,818,518,9
680kg10,811,511,912,613,013,614,114,715,115,816,216,917,317,918,419,019,4
685kg10,911,512,012,613,113,714,114,815,215,916,317,017,418,018,519,119,6
715kg11,211,912,413,013,514,214,615,315,716,416,917,518,018,719,119,820,2
730kg11,412,112,613,313,714,414,915,516,016,717,217,818,319,019,420,120,6
745kg11,612,312,813,513,914,615,115,816,317,017,418,118,619,319,820,520,9
775kg12,012,713,213,914,415,115,616,316,817,518,018,719,219,920,421,121,6
780kg12,012,813,214,014,515,215,716,416,917,618,118,819,320,020,521,221,7
805kg12,313,113,614,314,815,616,116,817,318,118,619,319,820,521,021,822,3
830kg12,613,413,914,715,216,016,517,217,718,519,019,820,321,121,622,322,9
835kg12,713,514,014,815,316,016,517,317,818,619,119,920,421,221,722,523,0
865kg13,113,914,415,215,716,517,017,818,419,119,720,521,021,822,323,123,6
880kg13,214,014,615,415,916,717,318,118,619,420,020,821,322,122,623,524,0
895kg13,414,214,815,616,117,017,518,318,919,720,221,121,622,423,023,824,3
925kg13,814,615,216,016,617,418,018,819,420,220,821,622,223,023,624,525,0
955kg14,115,015,616,517,017,918,519,319,920,821,422,222,823,724,325,125,7
985kg14,515,416,016,917,518,419,019,820,421,321,922,823,424,324,925,826,4
1015kg14,915,816,417,317,918,819,420,421,021,922,523,424,024,925,526,427,1
1045kg15,216,216,817,718,419,319,920,921,522,423,024,024,625,626,227,127,7
1075kg15,616,617,218,218,819,820,421,422,023,023,624,625,226,226,827,828,4