CU2L - Afmetingen

Gamma en afmetingen

Hn\Bn [mm]200x2001500x1000
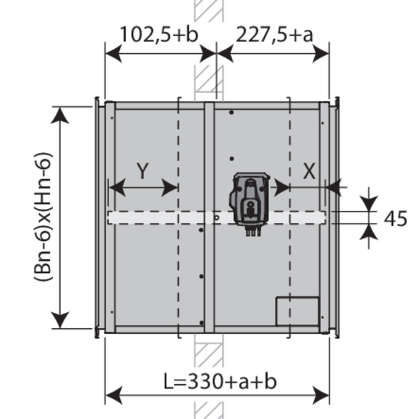
  • Verlenging: a = Hn/2-230 mm (langs de mechanisme zijde); b = Hn/2-100 mm (langs de muurzijde)
  • X = Hn/2 – 274 mm
    Y = Hn/2 – 148 mm

  • Hn < 300 mm
  CFTH ONE(X) BFLT E/RMEX(T)
P 78 104 96 118
Q 180 191 110 95
Z 62 47 74 72,5
  • Hn ≥ 300 mm
  CFTH ONE(X) BFLT BFNT E/RMEX(T)
P 78 104 96 100 118
Q 180 191 110 110 95
Z 157 147 180 180 167,5

Gewichten Scroll naar rechts/beneden om de volledige tabel te zien

Hn\Bn [mm]20025030035040045050055060065070075080085090095010001050110011501200125013001350140014501500
200kg9,010,111,112,213,214,315,316,417,518,519,620,621,722,723,824,925,925,426,427,528,529,630,731,732,833,834,9
250kg10,011,112,213,414,515,616,717,919,020,121,222,423,524,625,726,826,427,528,629,730,932,033,134,235,336,537,6
300kg11,012,213,414,615,816,918,119,320,521,722,924,125,326,527,627,228,429,630,832,033,234,435,536,737,939,140,3
350kg12,213,514,816,017,318,619,821,122,423,624,926,227,428,728,429,630,932,233,434,736,037,238,539,841,042,343,6
400kg13,915,316,718,019,420,822,123,524,826,227,628,930,330,131,432,834,235,536,938,239,641,042,343,745,146,447,8
450kg15,717,218,720,121,623,124,526,027,428,930,431,831,733,234,636,137,539,040,541,943,444,846,347,849,250,752,2
500kg17,719,220,822,423,925,527,128,630,231,733,333,234,836,437,939,541,142,644,245,747,348,850,452,053,555,156,6
550kg19,821,423,124,726,428,129,731,433,034,734,736,438,139,741,443,044,746,348,049,751,353,054,656,358,059,661,3
600kg22,023,725,527,229,030,732,534,336,036,237,939,741,443,244,946,748,550,252,053,755,557,259,060,762,564,366,0
650kg24,326,228,029,931,733,635,437,337,539,441,243,144,946,848,750,552,454,256,157,959,861,663,565,367,269,070,9
700kg26,828,730,732,634,636,538,538,840,842,744,746,648,650,552,554,456,458,360,362,264,266,268,170,172,074,075,9
750kg29,431,433,535,537,639,640,142,144,246,248,350,352,454,456,558,560,662,664,766,768,870,872,974,976,979,081,0
800kg32,134,236,438,540,741,243,445,547,749,852,054,156,358,460,662,764,967,069,171,373,475,677,779,982,084,286,3
850kg35,037,239,441,742,344,646,849,151,353,655,858,160,362,564,867,069,371,573,876,078,380,582,785,087,289,591,7
900kg37,940,342,643,445,748,150,452,755,157,459,862,164,566,869,171,573,876,278,580,983,285,587,990,292,694,997,3
950kg41,143,544,346,849,251,754,156,559,061,463,966,368,871,273,676,178,581,083,485,888,390,793,295,698,0100,5102,9
1000kg44,345,347,850,352,955,457,960,563,065,668,170,673,275,778,380,883,385,988,490,993,596,098,6101,1103,6106,2108,7