- Home
- Products
- Fire dampers
- CU2L
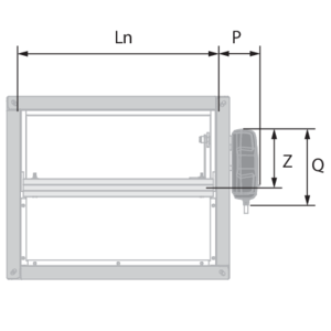
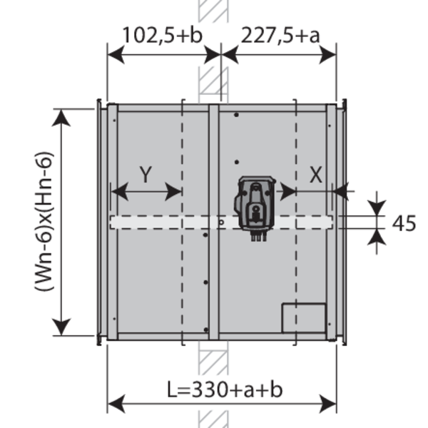
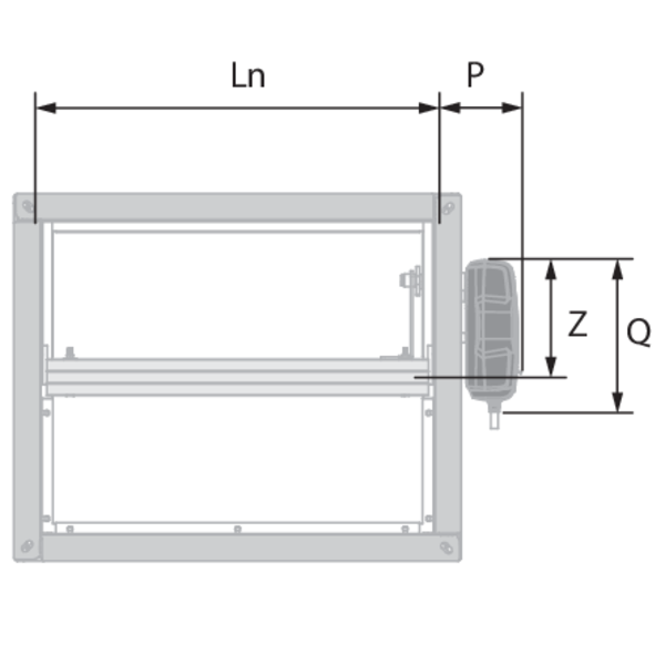
- Dimensions
CU2L - Dimensions
Range and dimensions
Weights Scroll down/right to view the entire table
| Hn\Wn [mm] | 200 | 250 | 300 | 350 | 400 | 450 | 500 | 550 | 600 | 650 | 700 | 750 | 800 | 850 | 900 | 950 | 1000 | 1050 | 1100 | 1150 | 1200 | 1250 | 1300 | 1350 | 1400 | 1450 | 1500 | |
|---|---|---|---|---|---|---|---|---|---|---|---|---|---|---|---|---|---|---|---|---|---|---|---|---|---|---|---|---|
| 200 | kg | 9,0 | 10,1 | 11,1 | 12,2 | 13,2 | 14,3 | 15,3 | 16,4 | 17,5 | 18,5 | 19,6 | 20,6 | 21,7 | 22,7 | 23,8 | 24,9 | 25,9 | 25,4 | 26,4 | 27,5 | 28,5 | 29,6 | 30,7 | 31,7 | 32,8 | 33,8 | 34,9 |
| 250 | kg | 10,0 | 11,1 | 12,2 | 13,4 | 14,5 | 15,6 | 16,7 | 17,9 | 19,0 | 20,1 | 21,2 | 22,4 | 23,5 | 24,6 | 25,7 | 26,8 | 26,4 | 27,5 | 28,6 | 29,7 | 30,9 | 32,0 | 33,1 | 34,2 | 35,3 | 36,5 | 37,6 |
| 300 | kg | 11,0 | 12,2 | 13,4 | 14,6 | 15,8 | 16,9 | 18,1 | 19,3 | 20,5 | 21,7 | 22,9 | 24,1 | 25,3 | 26,5 | 27,6 | 27,2 | 28,4 | 29,6 | 30,8 | 32,0 | 33,2 | 34,4 | 35,5 | 36,7 | 37,9 | 39,1 | 40,3 |
| 350 | kg | 12,2 | 13,5 | 14,8 | 16,0 | 17,3 | 18,6 | 19,8 | 21,1 | 22,4 | 23,6 | 24,9 | 26,2 | 27,4 | 28,7 | 28,4 | 29,6 | 30,9 | 32,2 | 33,4 | 34,7 | 36,0 | 37,2 | 38,5 | 39,8 | 41,0 | 42,3 | 43,6 |
| 400 | kg | 13,9 | 15,3 | 16,7 | 18,0 | 19,4 | 20,8 | 22,1 | 23,5 | 24,8 | 26,2 | 27,6 | 28,9 | 30,3 | 30,1 | 31,4 | 32,8 | 34,2 | 35,5 | 36,9 | 38,2 | 39,6 | 41,0 | 42,3 | 43,7 | 45,1 | 46,4 | 47,8 |
| 450 | kg | 15,7 | 17,2 | 18,7 | 20,1 | 21,6 | 23,1 | 24,5 | 26,0 | 27,4 | 28,9 | 30,4 | 31,8 | 31,7 | 33,2 | 34,6 | 36,1 | 37,5 | 39,0 | 40,5 | 41,9 | 43,4 | 44,8 | 46,3 | 47,8 | 49,2 | 50,7 | 52,2 |
| 500 | kg | 17,7 | 19,2 | 20,8 | 22,4 | 23,9 | 25,5 | 27,1 | 28,6 | 30,2 | 31,7 | 33,3 | 33,2 | 34,8 | 36,4 | 37,9 | 39,5 | 41,1 | 42,6 | 44,2 | 45,7 | 47,3 | 48,8 | 50,4 | 52,0 | 53,5 | 55,1 | 56,6 |
| 550 | kg | 19,8 | 21,4 | 23,1 | 24,7 | 26,4 | 28,1 | 29,7 | 31,4 | 33,0 | 34,7 | 34,7 | 36,4 | 38,1 | 39,7 | 41,4 | 43,0 | 44,7 | 46,3 | 48,0 | 49,7 | 51,3 | 53,0 | 54,6 | 56,3 | 58,0 | 59,6 | 61,3 |
| 600 | kg | 22,0 | 23,7 | 25,5 | 27,2 | 29,0 | 30,7 | 32,5 | 34,3 | 36,0 | 36,2 | 37,9 | 39,7 | 41,4 | 43,2 | 44,9 | 46,7 | 48,5 | 50,2 | 52,0 | 53,7 | 55,5 | 57,2 | 59,0 | 60,7 | 62,5 | 64,3 | 66,0 |
| 650 | kg | 24,3 | 26,2 | 28,0 | 29,9 | 31,7 | 33,6 | 35,4 | 37,3 | 37,5 | 39,4 | 41,2 | 43,1 | 44,9 | 46,8 | 48,7 | 50,5 | 52,4 | 54,2 | 56,1 | 57,9 | 59,8 | 61,6 | 63,5 | 65,3 | 67,2 | 69,0 | 70,9 |
| 700 | kg | 26,8 | 28,7 | 30,7 | 32,6 | 34,6 | 36,5 | 38,5 | 38,8 | 40,8 | 42,7 | 44,7 | 46,6 | 48,6 | 50,5 | 52,5 | 54,4 | 56,4 | 58,3 | 60,3 | 62,2 | 64,2 | 66,2 | 68,1 | 70,1 | 72,0 | 74,0 | 75,9 |
| 750 | kg | 29,4 | 31,4 | 33,5 | 35,5 | 37,6 | 39,6 | 40,1 | 42,1 | 44,2 | 46,2 | 48,3 | 50,3 | 52,4 | 54,4 | 56,5 | 58,5 | 60,6 | 62,6 | 64,7 | 66,7 | 68,8 | 70,8 | 72,9 | 74,9 | 76,9 | 79,0 | 81,0 |
| 800 | kg | 32,1 | 34,2 | 36,4 | 38,5 | 40,7 | 41,2 | 43,4 | 45,5 | 47,7 | 49,8 | 52,0 | 54,1 | 56,3 | 58,4 | 60,6 | 62,7 | 64,9 | 67,0 | 69,1 | 71,3 | 73,4 | 75,6 | 77,7 | 79,9 | 82,0 | 84,2 | 86,3 |
| 850 | kg | 35,0 | 37,2 | 39,4 | 41,7 | 42,3 | 44,6 | 46,8 | 49,1 | 51,3 | 53,6 | 55,8 | 58,1 | 60,3 | 62,5 | 64,8 | 67,0 | 69,3 | 71,5 | 73,8 | 76,0 | 78,3 | 80,5 | 82,7 | 85,0 | 87,2 | 89,5 | 91,7 |
| 900 | kg | 37,9 | 40,3 | 42,6 | 43,4 | 45,7 | 48,1 | 50,4 | 52,7 | 55,1 | 57,4 | 59,8 | 62,1 | 64,5 | 66,8 | 69,1 | 71,5 | 73,8 | 76,2 | 78,5 | 80,9 | 83,2 | 85,5 | 87,9 | 90,2 | 92,6 | 94,9 | 97,3 |
| 950 | kg | 41,1 | 43,5 | 44,3 | 46,8 | 49,2 | 51,7 | 54,1 | 56,5 | 59,0 | 61,4 | 63,9 | 66,3 | 68,8 | 71,2 | 73,6 | 76,1 | 78,5 | 81,0 | 83,4 | 85,8 | 88,3 | 90,7 | 93,2 | 95,6 | 98,0 | 100,5 | 102,9 |
| 1000 | kg | 44,3 | 45,3 | 47,8 | 50,3 | 52,9 | 55,4 | 57,9 | 60,5 | 63,0 | 65,6 | 68,1 | 70,6 | 73,2 | 75,7 | 78,3 | 80,8 | 83,3 | 85,9 | 88,4 | 90,9 | 93,5 | 96,0 | 98,6 | 101,1 | 103,6 | 106,2 | 108,7 |