- Home
- Producten
- Brandwerende kleppen
- CU2-L500
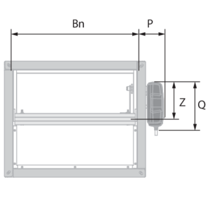
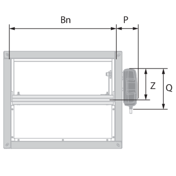
- Afmetingen
CU2-L500 - Afmetingen
Gamma en afmetingen
Gewichten Scroll naar rechts/beneden om de volledige tabel te zien
| Hn\Bn [mm] | 200 | 250 | 300 | 350 | 400 | 450 | 500 | 550 | 600 | 650 | 700 | 750 | 800 | 850 | 900 | 950 | 1000 | 1050 | 1100 | 1150 | 1200 | 1250 | 1300 | 1350 | 1400 | 1450 | 1500 | |
|---|---|---|---|---|---|---|---|---|---|---|---|---|---|---|---|---|---|---|---|---|---|---|---|---|---|---|---|---|
| 200 | kg | 8,9 | 10,1 | 11,4 | 12,7 | 13,9 | 15,2 | 16,5 | 17,7 | 19,0 | 20,3 | 21,5 | 22,8 | 24,1 | 25,3 | 26,6 | 27,9 | 29,1 | 30,4 | 31,7 | 33,0 | 34,2 | 35,5 | 36,8 | 38,0 | 39,3 | 40,6 | 41,8 |
| 250 | kg | 10,1 | 11,4 | 12,8 | 14,1 | 15,5 | 16,8 | 18,1 | 19,5 | 20,8 | 22,2 | 23,5 | 24,8 | 26,2 | 27,5 | 28,8 | 30,2 | 31,5 | 32,9 | 34,2 | 35,5 | 36,9 | 38,2 | 39,6 | 40,9 | 42,2 | 43,6 | 44,9 |
| 300 | kg | 11,3 | 12,7 | 14,2 | 15,6 | 17,0 | 18,4 | 19,8 | 21,2 | 22,6 | 24,0 | 25,4 | 26,8 | 28,3 | 29,7 | 31,1 | 32,5 | 33,9 | 35,3 | 36,7 | 38,1 | 39,5 | 41,0 | 42,4 | 43,8 | 45,2 | 46,6 | 48,0 |
| 350 | kg | 12,6 | 14,1 | 15,5 | 17,0 | 18,5 | 20,0 | 21,5 | 22,9 | 24,4 | 25,9 | 27,4 | 28,9 | 30,3 | 31,8 | 33,3 | 34,8 | 36,3 | 37,8 | 39,2 | 40,7 | 42,2 | 43,7 | 45,2 | 46,6 | 48,1 | 49,6 | 51,1 |
| 400 | kg | 13,8 | 15,4 | 16,9 | 18,5 | 20,0 | 21,6 | 23,1 | 24,7 | 26,2 | 27,8 | 29,3 | 30,9 | 32,4 | 34,0 | 35,5 | 37,1 | 38,7 | 40,2 | 41,8 | 43,3 | 44,9 | 46,4 | 48,0 | 49,5 | 51,1 | 52,6 | 54,2 |
| 450 | kg | 15,0 | 16,7 | 18,3 | 19,9 | 21,5 | 23,2 | 24,8 | 26,4 | 28,0 | 29,7 | 31,3 | 32,9 | 34,5 | 36,2 | 37,8 | 39,4 | 41,0 | 42,7 | 44,3 | 45,9 | 47,5 | 49,1 | 50,8 | 52,4 | 54,0 | 55,6 | 57,3 |
| 500 | kg | 16,3 | 18,0 | 19,7 | 21,4 | 23,1 | 24,8 | 26,4 | 28,1 | 29,8 | 31,5 | 33,2 | 34,9 | 36,6 | 38,3 | 40,0 | 41,7 | 43,4 | 45,1 | 46,8 | 48,5 | 50,2 | 51,9 | 53,6 | 55,3 | 57,0 | 58,7 | 60,4 |
| 550 | kg | 17,5 | 19,3 | 21,0 | 22,8 | 24,6 | 26,3 | 28,1 | 29,9 | 31,6 | 33,4 | 35,2 | 36,9 | 38,7 | 40,5 | 42,2 | 44,0 | 45,8 | 47,5 | 49,3 | 51,1 | 52,8 | 54,6 | 56,4 | 58,1 | 59,9 | 61,7 | 63,4 |
| 600 | kg | 18,7 | 20,6 | 22,4 | 24,3 | 26,1 | 27,9 | 29,8 | 31,6 | 33,4 | 35,3 | 37,1 | 39,0 | 40,8 | 42,6 | 44,5 | 46,3 | 48,2 | 50,0 | 51,8 | 53,7 | 55,5 | 57,3 | 59,2 | 61,0 | 62,9 | 64,7 | 66,5 |
| 650 | kg | 20,0 | 21,9 | 23,8 | 25,7 | 27,6 | 29,5 | 31,4 | 33,3 | 35,3 | 37,2 | 39,1 | 41,0 | 42,9 | 44,8 | 46,7 | 48,6 | 50,5 | 52,4 | 54,3 | 56,3 | 58,2 | 60,1 | 62,0 | 63,9 | 65,8 | 67,7 | 69,6 |
| 700 | kg | 21,2 | 23,2 | 25,2 | 27,2 | 29,1 | 31,1 | 33,1 | 35,1 | 37,1 | 39,0 | 41,0 | 43,0 | 45,0 | 47,0 | 48,9 | 50,9 | 52,9 | 54,9 | 56,9 | 58,8 | 60,8 | 62,8 | 64,8 | 66,8 | 68,7 | 70,7 | 72,7 |
| 750 | kg | 22,4 | 24,5 | 26,6 | 28,6 | 30,7 | 32,7 | 34,8 | 36,8 | 38,9 | 40,9 | 43,0 | 45,0 | 47,1 | 49,1 | 51,2 | 53,2 | 55,3 | 57,3 | 59,4 | 61,4 | 63,5 | 65,5 | 67,6 | 69,6 | 71,7 | 73,7 | 75,8 |
| 800 | kg | 23,7 | 25,8 | 27,9 | 30,1 | 32,2 | 34,3 | 36,4 | 38,5 | 40,7 | 42,8 | 44,9 | 47,0 | 49,2 | 51,3 | 53,4 | 55,5 | 57,7 | 59,8 | 61,9 | 64,0 | 66,1 | 68,3 | 70,4 | 72,5 | 74,6 | 76,8 | 78,9 |
| 850 | kg | 24,9 | 27,1 | 29,3 | 31,5 | 33,7 | 35,9 | 38,1 | 40,3 | 42,5 | 44,7 | 46,9 | 49,1 | 51,3 | 53,4 | 55,6 | 57,8 | 60,0 | 62,2 | 64,4 | 66,6 | 68,8 | 71,0 | 73,2 | 75,4 | 77,6 | 79,8 | 82,0 |
| 900 | kg | 26,2 | 28,4 | 30,7 | 32,9 | 35,2 | 37,5 | 39,7 | 42,0 | 44,3 | 46,5 | 48,8 | 51,1 | 53,3 | 55,6 | 57,9 | 60,1 | 62,4 | 64,7 | 66,9 | 69,2 | 71,5 | 73,7 | 76,0 | 78,3 | 80,5 | 82,8 | 85,1 |
| 950 | kg | 27,4 | 29,7 | 32,1 | 34,4 | 36,7 | 39,1 | 41,4 | 43,7 | 46,1 | 48,4 | 50,8 | 53,1 | 55,4 | 57,8 | 60,1 | 62,4 | 64,8 | 67,1 | 69,5 | 71,8 | 74,1 | 76,5 | 78,8 | 81,1 | 83,5 | 85,8 | 88,2 |
| 1000 | kg | 28,6 | 31,0 | 33,4 | 35,8 | 38,3 | 40,7 | 43,1 | 45,5 | 47,9 | 50,3 | 52,7 | 55,1 | 57,5 | 59,9 | 62,3 | 64,7 | 67,2 | 69,6 | 72,0 | 74,4 | 76,8 | 79,2 | 81,6 | 84,0 | 86,4 | 88,8 | 91,2 |