Open to innovation, closed to fire
terug
Home
Producten
Brandwerende kleppen
Vlinderkleppen
Rookbeheersingskleppen
Transfertluik
Controllers
Brandwerende roosters
Brandwerende manchetten
Afdichtingsmateriaal
Brandveiligheid
Compartimentering
Rook- en warmteafvoer
Wettelijke context
Handboek basisnormen
Brandkleppen en HVAC
Over Rf-Technologies
Rf-Technologies
Kwaliteit
Klantenreferenties
Vacatures
FAQ
My Rf-t
Aanmelden
Maak een account aan
Wachtwoord vergeten?
BIM
Rekenhulpmiddelen
Prestatieverklaringen
Contact
Adres en wegbeschrijving
Login aanvragen
Verkoopteam
Na verkoop
Nederlands (change language)
België
Belgique
Deutschland
United Kingdom
France
Italia
Nederland
Schweiz
Suisse
Svenska
Europe (English)
©2025 Rf-Technologies NV/SA. Alle rechten voorbehouden.
Privacy & Disclaimer
Algemene verkoopsvoorwaarden
Site-overzicht
Open to innovation, closed to fire
België
Choose your language:
België
Belgique
Deutschland
United Kingdom
France
Italia
Nederland
Schweiz
Suisse
Svenska
Europe (English)
Inloggen
Configurator
Vacatures
Contacteer ons
Open to innovation, closed to fire
CRS60
Kenmerken
Afmetingen
Selectiegegevens
Installatie
Classificatie
Documenten
Mechanismen
Opties en kits
Home
Producten
Brandwerende kleppen
CRS60
Afmetingen
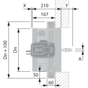
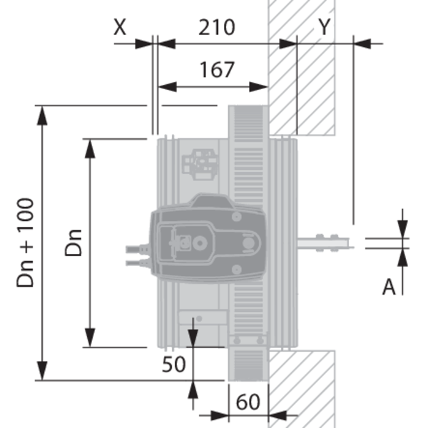
CRS60 - Afmetingen
Gamma en afmetingen
ØDn [mm]
100
125
160
200
250
315
400
500
630
Uitsteken klepblad: X = langs de mechanisme zijde, Y = langs de muurzijde
ØDn [mm]
100
125
160
200
250
315
400
500
630
X
-
-
-
-
-
23
66
116
181
Y
-
-
10
30
55
88
130
180
245
A
15
15
15
15
15
15
27
27
27
CRS60 + ONE L
ONE
BFNT
BFLT
P
141
134.8
130
Q
136
98
80
Z
60.8
49
40
Gewichten
Scroll naar rechts/beneden om de volledige tabel te zien
ØDn [mm]
100
125
160
200
250
315
400
500
630
kg
2,5
2,9
3,5
4,2
5,5
7,0
12,5
12,7
18,5
Kenmerken
Afmetingen
Selectiegegevens
Installatie
Classificatie
Documenten
Mechanismen
Opties en kits
To top