Open to innovation, closed to fire
back
Home
Products
Fire dampers
Fire damper cartridges
Smoke control dampers
Transfer shutter
Controllers
Fire resistant grilles
Fire resistant collars
Sealing material
Fire safety
Compartmentation
Smoke control
Legal context
Fire dampers and HVAC
About Rf-Technologies
Rf-Technologies
Quality
References
Career
FAQ
My Rf-t
Sign in
Create your account
Forgot your password?
BIM
Calculation Tools
Declarations of performance
Contact
Address and route description
Login request
Sales team
After sales
English (change language)
België
Belgique
Deutschland
United Kingdom
France
Italia
Nederland
Schweiz
Suisse
Svenska
Europe (English)
©2025 Rf-Technologies NV/SA. All rights reserved.
Privacy & Disclaimer
General terms and conditions
Sitemap
Open to innovation, closed to fire
Europe (English)
Choose your language:
België
Belgique
Deutschland
United Kingdom
France
Italia
Nederland
Schweiz
Suisse
Svenska
Europe (English)
Log in
Configurator
About us
Contact us
Open to innovation, closed to fire
CRS60
Features
Dimensions
Selection data
Installation
Classification
Documents
Mechanisms
Options and kits
Home
Products
Fire dampers
CRS60
Dimensions
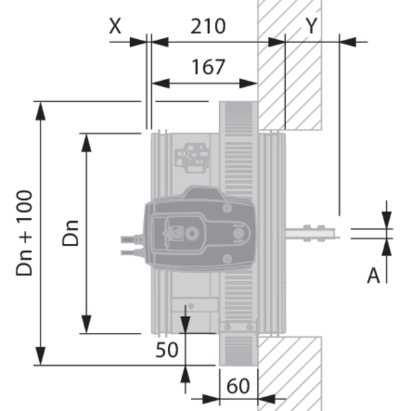
CRS60 - Dimensions
Range and dimensions
ØDn [mm]
100
125
160
200
250
315
400
500
630
Exceeding blade: X = on the mechanism side, Y = on the wall side
ØDn [mm]
100
125
160
200
250
315
400
500
630
X
-
-
-
-
-
23
66
116
181
Y
-
-
10
30
55
88
130
180
245
A
15
15
15
15
15
15
27
27
27
CRS60 + ONE L
ONE
BFNT
BFLT
P
141
134.8
130
Q
136
98
80
Z
60.8
49
40
Weights
Scroll down/right to view the entire table
ØDn [mm]
100
125
160
200
250
315
400
500
630
kg
2,5
2,9
3,5
4,2
5,5
7,0
12,5
12,7
18,5
Features
Dimensions
Selection data
Installation
Classification
Documents
Mechanisms
Options and kits
To top