Open to innovation, closed to fire
terug
Home
Producten
Brandwerende kleppen
Vlinderkleppen
Rookbeheersingskleppen
Transfertluik
Controllers
Brandwerende roosters
Brandwerende manchetten
Afdichtingsmateriaal
Brandveiligheid
Compartimentering
Rook- en warmteafvoer
Wettelijke context
Handboek basisnormen
Brandkleppen en HVAC
Over Rf-Technologies
Rf-Technologies
Kwaliteit
Klantenreferenties
Vacatures
FAQ
My Rf-t
Aanmelden
Maak een account aan
Wachtwoord vergeten?
BIM
Rekenhulpmiddelen
Prestatieverklaringen
Contact
Adres en wegbeschrijving
Login aanvragen
Verkoopteam
Na verkoop
Nederlands (change language)
België
Belgique
Deutschland
United Kingdom
France
Italia
Nederland
Schweiz
Suisse
Svenska
Europe (English)
©2025 Rf-Technologies NV/SA. Alle rechten voorbehouden.
Privacy & Disclaimer
Algemene verkoopsvoorwaarden
Site-overzicht
Open to innovation, closed to fire
België
Choose your language:
België
Belgique
Deutschland
United Kingdom
France
Italia
Nederland
Schweiz
Suisse
Svenska
Europe (English)
Inloggen
Configurator
Vacatures
Contacteer ons
Open to innovation, closed to fire
CR120-L500
Kenmerken
Afmetingen
Selectiegegevens
Installatie
Classificatie
Documenten
Mechanismen
Opties en kits
Home
Producten
Brandwerende kleppen
CR120-L500
Afmetingen
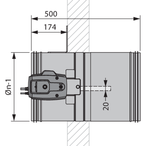
CR120-L500 - Afmetingen
Gamma en afmetingen
ØDn [mm]
100
125
150
160
180
200
250
300
315
L [mm]
500
500
500
500
500
500
500
500
500
MFUS
ONE (X)
BFLT
P
72
80
63
Q
123
136
100
Z
70
75
58
Gewichten
Scroll naar rechts/beneden om de volledige tabel te zien
ØDn [mm]
100
125
150
160
180
200
250
300
315
kg
1,5
1,9
2,2
2,3
2,8
3,0
3,8
4,9
5,0
Kenmerken
Afmetingen
Selectiegegevens
Installatie
Classificatie
Documenten
Mechanismen
Opties en kits
To top