Open to innovation, closed to fire
back
Home
Prodotti
Serrande tagliafuoco
Cartucce serrande tagliafuoco
Serrande tagliafumo
Griglie tagliafuoco
My RF-T
Accedi
Crea account
Password dimenticata?
BIM
Calculation Tools
Declarations of performance
Contatto
Indirizzo
Crea account
Team di vendita
Assistenza post-vendita
Italiano (change language)
België
Belgique
Deutschland
United Kingdom
France
Italia
Nederland
Schweiz
Suisse
Svenska
Europe (English)
©2025 Rf-Technologies NV/SA. Tutti i diritti riservati.
Privacy & Disclaimer
Algemene verkoopsvoorwaarden
Site-overzicht
Open to innovation, closed to fire
Italia
Choose your language:
België
Belgique
Deutschland
United Kingdom
France
Italia
Nederland
Schweiz
Suisse
Svenska
Europe (English)
Accedi
Configurator
Contatto
Open to innovation, closed to fire
CR120-L500
Caratteristiche
Dimensioni
Dati di selezione
Installazione
Classificazione
Documenti
Meccanismi
Opzioni e kit
Home
Prodotti
Serrande tagliafuoco
CR120-L500
Dimensioni
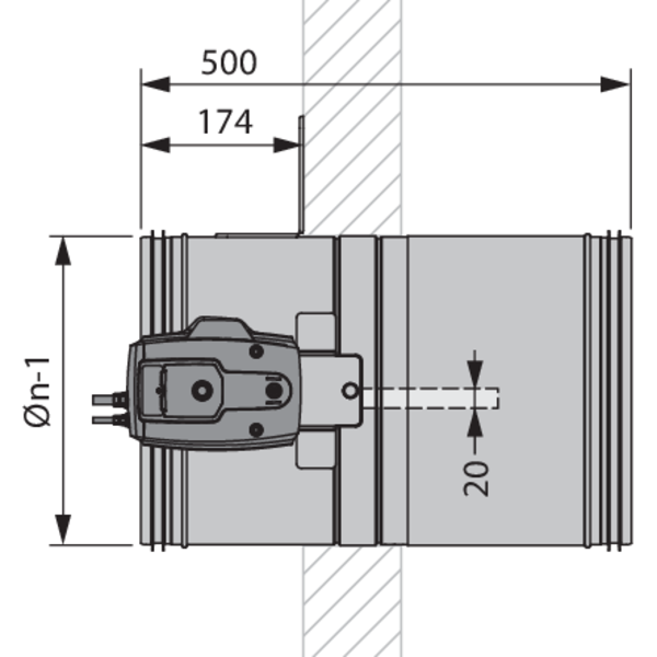
CR120-L500 - Dimensioni
Gamma e dimensioni
ØDn [mm]
100
125
150
160
180
200
250
300
315
L [mm]
500
500
500
500
500
500
500
500
500
MFUS
ONE (X)
BFLT
P
72
80
63
Q
123
136
100
Z
70
75
58
Pesi
Scorri verso il basso/destra per visualizzare l'intera tabella
ØDn [mm]
100
125
150
160
180
200
250
300
315
kg
1,5
1,9
2,2
2,3
2,8
3,0
3,8
4,9
5,0
Caratteristiche
Dimensioni
Dati di selezione
Installazione
Classificazione
Documenti
Meccanismi
Opzioni e kit
To top