Open to innovation, closed to fire
back
Home
Produkter
Brand/brandgasspjäll
Brandspjäll med smältsäkring
Rökkontrollspjäll
Controllers
Brandsäkerhet
Brandcellsindelning
Rökevakuering
Rättsligt sammanhang
Brandspjäll och klimatanläggningar
Om Rf-Technologies
Rf-Technologies
Kvalitet
Referenser
Karriär
Vanliga frågor
Min Rf-t
Logga in
Skapa ditt konto
Glömt ditt lösenord?
BIM
Calculation Tools
Prestandadeklarationer
Kontakt
Adress och vägbeskrivning
Inloggning
Säljteam
Efterförsäljning
Svenska (ändra språk)
België
Belgique
Deutschland
United Kingdom
France
Italia
Nederland
Schweiz
Suisse
Svenska
Europe (English)
©2025 Rf-Technologies NV/SA. Alla rättigheter förbehållna.
Sekretess och ansvarsfriskrivning
Allmänna villkor
Platskarta
Open to innovation, closed to fire
Svenska
Choose your language:
België
Belgique
Deutschland
United Kingdom
France
Italia
Nederland
Schweiz
Suisse
Svenska
Europe (English)
Logga in
Configurator
Om oss
Kontakta oss
Open to innovation, closed to fire
VRE
Funktioner och komponenter
Dimensioner
Urval data
Montering
Klassificering
Dokument
Mekanismer
Tillbehör och kits
Home
Produkter
Rökkontrollspjäll
VRE
Dimensioner
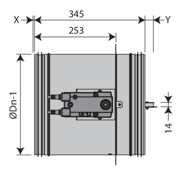
VRE - Dimensioner
Storlek och dimensioner
ØDn [mm]
100
125
160
200
250
315
400
500
630
Utstickande blad: X = på mekanismsidan, Y = på väggsidan
ØDn [mm]
250
315
400
500
630
X
-
-
-
30
95
Y
2
35
77
127
192
VRE + BEN/BEE
BEN
BEE
P
119
123
Q
80
98
Z
40
49
Vikter
Scrolla ned/höger för att se hela tabellen
ØDn [mm]
100
125
160
200
250
315
400
500
630
kg
2,5
3,0
3,7
4,5
5,5
6,9
8,6
10,6
13,2
Funktioner och komponenter
Dimensioner
Urval data
Montering
Klassificering
Dokument
Mekanismer
Tillbehör och kits
To top