- Home
- Produits
- Volets de désenfumage
- KAMOUFLAGE H 1V60 P
- Installation
KAMOUFLAGE H 1V60 P - Installation
Commande : ouverture manuelle
Retirez le bouchon de finition du vantail. Utilisez pour ceci l’outil ôte-bouchon fourni avec le produit. Cet outil peut éventuellement être attaché à la clé grâce à son anneau sans fin.
Commande : fermeture manuelle
Réarmement 1V
Retirez le bouchon de finition du vantail. Utilisez pour ceci l’outil ôte-bouchon fourni avec le produit. Cet outil peut éventuellement être attaché à la clé grâce à son anneau sans fin.
Retirez le bouchon de finition du vantail. Utilisez pour ceci l’outil ôte-bouchon fourni avec le produit. Cet outil peut éventuellement être attaché à la clé grâce à son anneau sans fin.
Insérez la clé dans la serrure. Tournez la clé à 15° dans le sens horaire. La clé se bloque dans la serrure et sert de poignée. Note : gardez toujours la clé « tournée » pour bien accrocher le portillon jusqu’à la fin du réarmement (fermeture du vantail).
Poussez sur l'anti-retour.
Fermez le vantail en tirant par la clé.
Tournez la clé à 15° dans le sens horaire, la clé se débloque dans la serrure. Retirez la clé.
Fermez le vantail en tirant par la clé.
Tournez la clé à 15° dans le sens horaire, la clé se débloque dans la serrure. Retirez la clé.
Réarmement 2V
Déverrouillez le système de blocage des 2 anti-retours en faisant glisser la languette.
Déverrouillez le système de blocage des 2 anti-retours en faisant glisser la languette.
Retirez le bouchon de finition du vantail. Utilisez pour ceci l’outil ôte-bouchon fourni avec le produit. Cet outil peut éventuellement être attaché à la clé grâce à son anneau sans fin.
Insérez la clé dans la serrure du vantail ‘maître’. Tournez la clé à 15° dans le sens horaire. La clé se bloque dans la serrure et sert de poignée. Note: gardez toujours la clé « tournée » pour bien accrocher le portillon jusqu’à la fin du réarmement.
Fermez les 2 vantaux en même temps en tirant par la clé et par la ficelle. Veillez à ce que les 2 vantaux s'insèrent l'un dans l'autre comme illustré (le vantail 'esclave' s'insère dans le vantail 'maître'). Tirez le vantail 'maître' jusqu’au "clic" confirmant la fermeture des 2 vantaux.
Tournez la clé à 15° dans le sens anti-horaire, la clé se débloque dans la serrure. Retirez la clé et replacez les bouchons de finition.
Câblage électrique
L'arrivée électrique pourra se faire par les 4 angles du volet (le plus simple étant l'angle au-dessus du boitier).
Percez le matériau réfractaire dans l'encoche dans l'angle/les angles choisi(s). La partie métallique à l'intérieur du volet est prépercée.
Attention : après avoir passé et fixé les câbles, il est nécessaire de reboucher la réservation percée dans le matériau réfractaire autour de l'arrivée électrique avec du mastic résistant au feu (BCM par ex.).
Attention : après avoir passé et fixé les câbles, il est nécessaire de reboucher la réservation percée dans le matériau réfractaire autour de l'arrivée électrique avec du mastic résistant au feu (BCM par ex.).
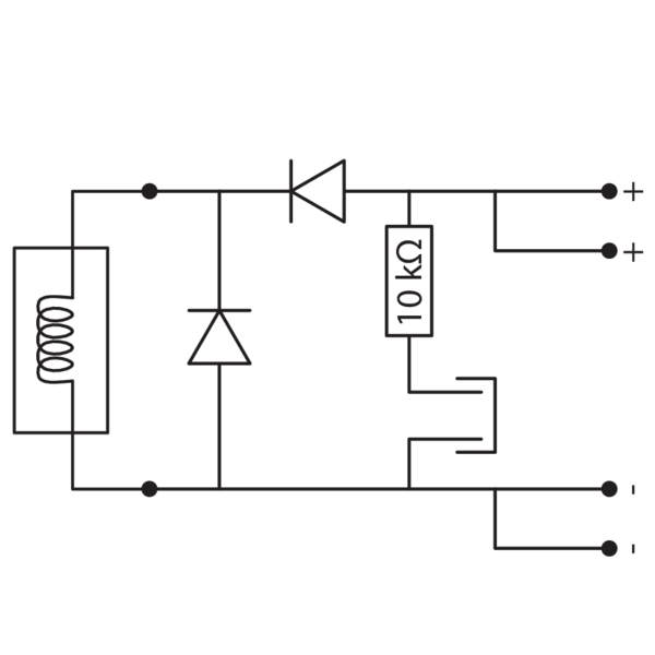
Faites passer les câbles par la réservation. Utilisez le manchon de protection (1), les clips de fixation (2) et le collier serre-câble (3) pour fixer les câbles au cadre. Introduisez les câbles dans la boîte de raccordement par le passe-fil (4) et raccordez selon le schéma de raccordement.
Le compartiment de raccordement contient une carte à circuit imprimé avec un circuit qui absorbe les pics de tension inductive lors du réarmement et du déclenchement de la serrure. En outre, le circuit imprimé comprend également une résistance pour "contrôle de ligne". Le cavalier doit être retiré de tous les volets à l'exception du volet monté à l'extrémité du circuit. NB: si le tableau de désenfumage est incompatible avec une résistance 10 kΩ, supprimez le circuit imprimé du volet et appliquez les consignes du fabricant de tableau.
Position dans le conduit
Installation horizontale avec précadre : généralités pour tous les types de conduits
Faites une baie aux dimensions (L+A) x (H+A) mm. A = 2 x épaisseur manchon (e) + 20 mm.
Posez un manchon de même type et épaisseur que le conduit (ép. e) de profondeur minimale 105 mm dans la baie.
Voir détails par type de conduit ci-après.
Posez un manchon de même type et épaisseur que le conduit (ép. e) de profondeur minimale 105 mm dans la baie.
Voir détails par type de conduit ci-après.
Fixez le précadre sur le manchon avec vis VBA (Ø 6 x e)mm. Deux pattes de fixation sont prévues en bas et en haut du précadre : repliez-les contre le manchon.
Prenez soin de ne pas déformer le précadre lors du vissage et/ou du colmatage. La baie finie doit être aux dimensions du précadre (L+10) x (H+10) mm.
Prenez soin de ne pas déformer le précadre lors du vissage et/ou du colmatage. La baie finie doit être aux dimensions du précadre (L+10) x (H+10) mm.
Installation horizontale en conduit PROMATECT L500 avec précadre
Le produit a été testé et approuvé en :
- Promatect L500 ≥ 30 mm | EI 60 (hod i o) S 1500 AA multi | Kamouflage H 60 P | Type de pose : monté sur conduit 0/90°/180°/270° | 430x530 mm
Installation horizontale en conduit GEOFLAM (LIGHT) / GEOTEC avec précadre
Le produit a été testé et approuvé en :
- Geoflam ≥ 30 mm | EI 60 (hod i o) S 1500 AA multi | Kamouflage H 60 P | Type de pose : monté sur conduit 0/90°/180°/270° | 430x530 mm
- Geotec ≥ 30 mm | EI 60 (hod i o) S 1500 AA multi | Kamouflage H 60 P | Type de pose : monté sur conduit 0/90°/180°/270° | 430x530 mm
Enduisez les feuillures de la réservation de plâtre colle de type PLACOL (en cas de Geoflam) ou GEOCOL (S) (en cas de Geotec).
En cas de Geotec vous pouvez aussi coller et visser les éléments du manchon entre eux puis coller et visser le manchon sur la paroi du conduit en utilisant des vis VBA Ø 5 x (2 x e) mm au pas de 100 mm.
Enduisez les jonctions (entre les montants et les traverses et entre le manchon et la paroi) de polochons en filasse végétale et plâtre ou de GEOCOL (S) (en cas de Geotec).
La baie finie doit être aux dimensions du précadre (L+10) x (H+10) mm. Deux pattes de fixation sont prévues en bas et en haut du précadre : repliez-les contre le manchon. Fixez le précadre au conduit par polochonnage (filasse végétale et plâtre) ou, pour le conduit Geotec, par plâtre colle type GEOCOL (S) et vis VBA de Ø 5 x e mm. Prenez soin de ne pas déformer le précadre.
En cas de Geotec vous pouvez aussi coller et visser les éléments du manchon entre eux puis coller et visser le manchon sur la paroi du conduit en utilisant des vis VBA Ø 5 x (2 x e) mm au pas de 100 mm.
Enduisez les jonctions (entre les montants et les traverses et entre le manchon et la paroi) de polochons en filasse végétale et plâtre ou de GEOCOL (S) (en cas de Geotec).
La baie finie doit être aux dimensions du précadre (L+10) x (H+10) mm. Deux pattes de fixation sont prévues en bas et en haut du précadre : repliez-les contre le manchon. Fixez le précadre au conduit par polochonnage (filasse végétale et plâtre) ou, pour le conduit Geotec, par plâtre colle type GEOCOL (S) et vis VBA de Ø 5 x e mm. Prenez soin de ne pas déformer le précadre.
Installation horizontale en conduit TECNIVER avec précadre
Le produit a été testé et approuvé en :
- Tecniver ≥ 35 mm | EI 60 (hod i o) S 1500 AA multi | Kamouflage H 60 P | Type de pose : monté sur conduit 0/90°/180°/270° | 430x530 mm
Enduisez les feuillures de la réservation, les traverses et les montants de colle de type CF GLUE.
Encollez les jonctions entre les montants et les traverses et entre le manchon et la paroi avec la colle CF GLUE. Vissez le manchon par des vis VBA Ø5 x 70mm positionnées au pas de 150 mm.
La baie finie doit être aux dimensions du précadre (L+10) x (H+10) mm. Deux pattes de fixation sont prévues en bas et en haut du précadre : repliez-les contre le manchon. Encollez les réservations d'abord avec la colle CF GLUE. Collez le précadre dans la réservation en prenant soin de ne pas le déformer.
Encollez les jonctions entre les montants et les traverses et entre le manchon et la paroi avec la colle CF GLUE. Vissez le manchon par des vis VBA Ø5 x 70mm positionnées au pas de 150 mm.
La baie finie doit être aux dimensions du précadre (L+10) x (H+10) mm. Deux pattes de fixation sont prévues en bas et en haut du précadre : repliez-les contre le manchon. Encollez les réservations d'abord avec la colle CF GLUE. Collez le précadre dans la réservation en prenant soin de ne pas le déformer.
Installation horizontale en conduit GLASROC F V500 avec précadre
Le produit a été testé et approuvé en :
- Glasroc F V500 ≥ 35 mm | EI 60 (hod i o) S 1500 AA multi | Kamouflage H 60 P | Type de pose : monté sur conduit 0/90°/180°/270° | 430x530 mm
Enduisez les feuillures de la réservation, les traverses et les montants de colle de type GLASROC F V500.
Encollez les jonctions entre les montants et les traverses et entre le manchon et la paroi avec la colle GLASROC F V500. Vissez le manchon par des vis VBA Ø5 x 70 mm positionnées au pas de 150 mm.
La baie finie doit être aux dimensions du précadre (L+10) x (H+10) mm. Deux pattes de fixation sont prévues en bas et en haut du précadre : repliez-les contre le manchon. Encollez les ouvertures d'abord avec la colle GLASROC F V500. Collez le précadre dans la réservation en prenant soin de ne pas le déformer.
Encollez les jonctions entre les montants et les traverses et entre le manchon et la paroi avec la colle GLASROC F V500. Vissez le manchon par des vis VBA Ø5 x 70 mm positionnées au pas de 150 mm.
La baie finie doit être aux dimensions du précadre (L+10) x (H+10) mm. Deux pattes de fixation sont prévues en bas et en haut du précadre : repliez-les contre le manchon. Encollez les ouvertures d'abord avec la colle GLASROC F V500. Collez le précadre dans la réservation en prenant soin de ne pas le déformer.
Installation horizontale en conduit DESENFIRE (HD/THD/STR) avec précadre
Le produit a été testé et approuvé en :
- Desenfire HD ≥ 25 mm HD | EI 60 (hod i o) S 1500 AA multi | Kamouflage H 60 P | Type de pose : monté sur conduit 0/90°/180°/270° | 430x530 mm
Enduisez les feuillures de la réservation de plâtre colle de type FACILIS.
Posez un manchon de même type et épaisseur que le conduit (ép. e) de profondeur minimale 105 mm dans la baie.
Colmatez les jonctions entre les montants et les traverses et entre le manchon et la paroi avec des polochons en filasse végétale et plâtre.
La baie finie doit être aux dimensions du précadre (L+10) x (H+10) mm. Préparez le précadre avant l'installation : deux pattes de fixation sont prévues en bas et en haut du précadre, repliez-les contre le manchon. Polochonez le précadre au conduit (mélange de filasse végétale et plâtre) en prenant soin de ne pas le déformer.
Posez un manchon de même type et épaisseur que le conduit (ép. e) de profondeur minimale 105 mm dans la baie.
Colmatez les jonctions entre les montants et les traverses et entre le manchon et la paroi avec des polochons en filasse végétale et plâtre.
La baie finie doit être aux dimensions du précadre (L+10) x (H+10) mm. Préparez le précadre avant l'installation : deux pattes de fixation sont prévues en bas et en haut du précadre, repliez-les contre le manchon. Polochonez le précadre au conduit (mélange de filasse végétale et plâtre) en prenant soin de ne pas le déformer.
Installation horizontale en conduit EXTHAMAT avec précadre
Le produit a été testé et approuvé en :
- Exthamat ≥ 25 mm | EI 60 (hod i o) S 1500 AA multi | Kamouflage H 60 P | Type de pose : monté sur conduit 0/90°/180°/270° | 430x530 mm
Enduisez les feuillures de la réservation de plâtre colle.
Colmatez les jonctions entre les montants et les traverses et entre le manchon et la paroi avec des polochons en filasse végétale et plâtre.
La baie finie doit être aux dimensions du précadre (L+10) x (H+10) mm. Préparez le précadre avant l'installation : deux pattes de fixation sont prévues en bas et en haut du précadre, repliez-les contre le manchon. Polochonez le précadre au conduit (mélange de filasse végétale et plâtre) en prenant soin de ne pas le déformer.
Colmatez les jonctions entre les montants et les traverses et entre le manchon et la paroi avec des polochons en filasse végétale et plâtre.
La baie finie doit être aux dimensions du précadre (L+10) x (H+10) mm. Préparez le précadre avant l'installation : deux pattes de fixation sont prévues en bas et en haut du précadre, repliez-les contre le manchon. Polochonez le précadre au conduit (mélange de filasse végétale et plâtre) en prenant soin de ne pas le déformer.
Finition
Finition standard du Kamouflage : la face supérieure du vantail est constituée d’une plaque de plâtre cartonné qui peut être décorée par vos soins de la même manière que la paroi dans laquelle le volet est fixé (peinture, papier peint).
Une couche de peinture peut être appliquée sur la face extérieure du vantail et du cadre; du papier peint peut être collé sur les vantaux.
Préparation de la plaque en plâtre cartonné : rebouchez les trous de vis avec un enduit adapté puis laissez sécher et poncez. Appliquez une peinture primaire adaptée au matériau.
Cadre en aluminium anodisé : appliquez une couche primaire adaptée au matériau (métal).
Lorsque la couche primaire est sèche, procédez à la finition (peinture ou papier peint).
Attention : ne rebouchez/recouvrez pas l'espace entre la plaque de couverture et le profil en aluminium afin de garantir la réservation du volet.
Les options ATOUT RAL9010 / ALU (ALU non disponible sur modèle Plafond) et PRIM facilitent la mise en esthétique du volet. L'option ATOUT RAL9010 / ALU propose un volet fini, aspect laqué blanc ou aluminium. Avec l'option PRIM, le cadre est couvert d'une couche d'apprêt.
Une couche de peinture peut être appliquée sur la face extérieure du vantail et du cadre; du papier peint peut être collé sur les vantaux.
Préparation de la plaque en plâtre cartonné : rebouchez les trous de vis avec un enduit adapté puis laissez sécher et poncez. Appliquez une peinture primaire adaptée au matériau.
Cadre en aluminium anodisé : appliquez une couche primaire adaptée au matériau (métal).
Lorsque la couche primaire est sèche, procédez à la finition (peinture ou papier peint).
Attention : ne rebouchez/recouvrez pas l'espace entre la plaque de couverture et le profil en aluminium afin de garantir la réservation du volet.
Les options ATOUT RAL9010 / ALU (ALU non disponible sur modèle Plafond) et PRIM facilitent la mise en esthétique du volet. L'option ATOUT RAL9010 / ALU propose un volet fini, aspect laqué blanc ou aluminium. Avec l'option PRIM, le cadre est couvert d'une couche d'apprêt.
Remarques générales
- L'installation doit être conforme au rapport de classement et à la notice technique.
- Le montage de le conduit de désenfumage doit être conforme au rapport de classement du fabricant.
- Orientation de l'axe: voir déclaration des performances.
- Évitez l’obstruction des conduits de désenfumage connectées.
- Vérifiez le libre mouvement de la lame mobile.
- Les volets de désenfumage Rf-t peuvent être appliqués à des conduits de désenfumage soumis à des essais conformément à l'EN 1366-8 et à l'EN 1366-9 selon le cas.
- Attention : lors de la pose, le produit doit être manipulé avec précaution et protégé de toute projection de produits de calfeutrement.
- Attention : à la mise en route de l'installation, nettoyez l'ensemble des poussières et salissures.
- Attention : pour le montage en conduit de désenfumage tenez compte du débattement du volet.