- Home
- Produits
- Volets de désenfumage
- KAMOUFLAGE H 2V60
- Dimensions
KAMOUFLAGE H 2V60 - Dimensions
Gamme et dimensions
| ≥ | ≤ | |
|---|---|---|
| Hn\Ln [mm] | 540x475 | 480x535 |
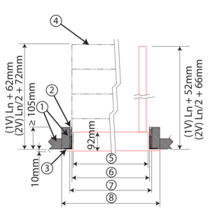
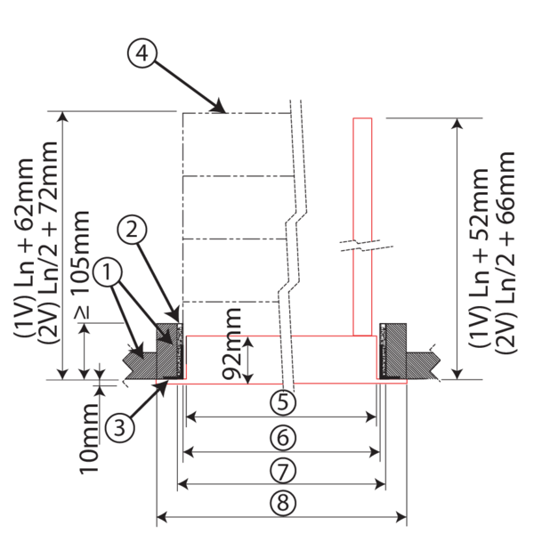
- 1. Matériau réfractaire
- 2. Calfeutrement si utilisation précadre
- 3. Précadre (option EASY-KAP / option KAP obligatoire pour modèle P)
- 4. Précadre avec anti-chute EASY-KGC (option)
- 5. Dimensions nominales du volet Ln x Hn
- 6. Cotes d'encastrement sans précadre (Ln+10) x (Hn+10)mm
- 7. Cotes d'encastrement avec précadre (Ln+20) x (Hn+20)mm
- 8. Dimensions extérieures du volet (Ln+54) x (Hn+54)mm
- Dimensions Kamouflage H
L (mm) |
H (mm) |
HSP mini (mm) |
prof. mini (mm) avec EASY-KAP |
prof. mini (mm) avec EASY-KGC |
|
|---|---|---|---|---|---|
| 1V | 380 | 595 | 2420 | 432 | 442 |
| 1V | 380 | 630 | 2455 | 432 | 442 |
| 2V | 540 | 475 | 2300 | 336 | 342 |
| 2V | 480 | 535 | 2360 | 306 | 312 |
| 1VP | 430 | 530 | - | - | - |
HSP = hauteur sous plafond
Poids Faire défiler vers le bas/la droite pour voir tout le tableau
| Hn\Ln [mm] | 480 | 540 | |
|---|---|---|---|
| 475 | kg | - | 12,5 |
| 535 | kg | 12,3 | - |