KAMOUFLAGE 1V120 P - Dimensions

Gamme et dimensions

Hn\Ln [mm]350x385550x1075
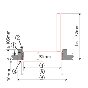
  • 1. Matériau réfractaire
  • 2. Calfeutrement précadre
  • 3. Précadre KAP (kit obligatoire)
  • 4. Dimensions nominales du volet Ln x Hn
  • 5. Cotes d'encastrement avec précadre (Ln+20) x (Hn+20)mm
  • 6. Dimensions extérieures du volet (Ln+54) x (Hn+54)mm

Poids Faire défiler vers le bas/la droite pour voir tout le tableau

Hn\Ln [mm]350400450500550600650700
385kg10,811,011,312,012,613,514,4-
415kg11,512,112,713,313,914,515,2-
445kg10,911,712,413,214,014,719,019,8
475kg11,212,012,813,614,415,219,520,3
505kg11,612,413,214,014,815,720,020,8
535kg12,313,214,115,116,020,521,422,3
565kg12,613,514,515,516,420,921,822,8
595kg13,014,014,915,916,921,322,323,3
625kg13,614,515,316,017,221,822,823,7
655kg13,914,815,616,421,222,223,224,2
685kg14,215,116,016,721,622,623,724,7
715kg14,115,216,317,021,923,024,126,3
745kg14,415,516,617,422,323,424,626,8
775kg14,715,817,021,222,723,925,027,3
805kg15,016,117,321,623,124,325,5-
835kg15,316,417,621,923,524,725,9-
865kg15,516,718,022,223,925,126,4-
895kg17,618,719,723,924,325,526,8-
925kg18,019,123,724,424,626,0--
955kg18,419,524,124,825,026,4--
985kg18,819,924,525,325,426,8--
1015kg19,220,325,025,725,827,2--
1045kg19,720,825,426,226,227,6--
1075kg20,121,225,926,629,2---