- Home
- Produits
- Clapets coupe-feu
- CU2 ATEX
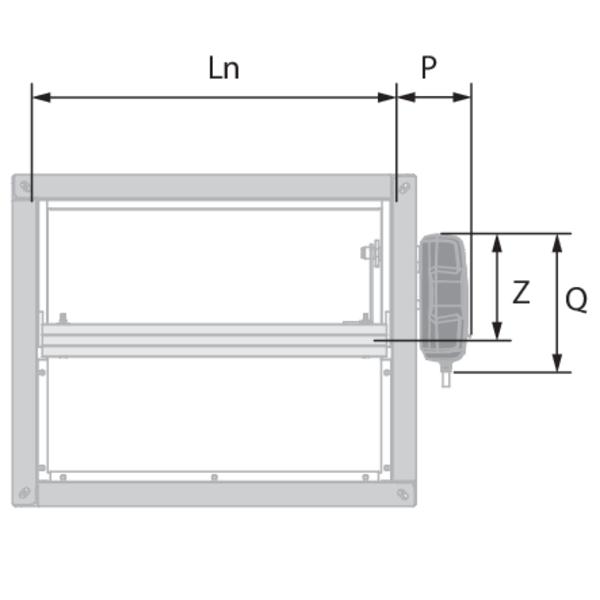
- Dimensions
CU2 ATEX - Dimensions
Gamme et dimensions
| ≥ | ≤ | |
|---|---|---|
| Hn\Ln [mm] | 200x200 | 1500x1000 |
- Ln/Hn par intervalle de 50 mm; dimensions intermédiaires disponibles sur demande, moyennant supplément (des hauteurs entre ≥ 275 et ≤ 299 mm ne sont pas possibles).
- Dépassement lame: X = du côté du mécanisme, Y = du côté mur
X = Hn/2 – 274 mm
Y = Hn/2 – 148 mm
| Hn [mm] | 300 | 350 | 400 | 450 | 500 | 550 | 600 | 650 | 700 | 750 | 800 | 850 | 900 | 950 | 1000 |
|---|---|---|---|---|---|---|---|---|---|---|---|---|---|---|---|
| X | - | - | - | - | - | 1 | 26 | 51 | 76 | 101 | 126 | 151 | 176 | 201 | 226 |
| Y | 2 | 27 | 52 | 77 | 102 | 127 | 152 | 177 | 202 | 227 | 252 | 277 | 302 | 327 | 352 |
Poids Faire défiler vers le bas/la droite pour voir tout le tableau
| Hn\Ln [mm] | 200 | 250 | 300 | 350 | 400 | 450 | 500 | 550 | 600 | 650 | 700 | 750 | 800 | 850 | 900 | 950 | 1000 | 1050 | 1100 | 1150 | 1200 | 1250 | 1300 | 1350 | 1400 | 1450 | 1500 | |
|---|---|---|---|---|---|---|---|---|---|---|---|---|---|---|---|---|---|---|---|---|---|---|---|---|---|---|---|---|
| 200 | kg | 8,1 | 9,3 | 10,4 | 11,6 | 12,8 | 13,9 | 15,1 | 16,2 | 17,4 | 18,6 | 19,7 | 20,9 | 22,0 | 23,2 | 24,4 | 25,5 | 26,7 | 27,8 | 29,0 | 30,2 | 31,3 | 32,5 | 33,6 | 34,8 | 36,0 | 37,1 | 38,3 |
| 250 | kg | 9,2 | 10,5 | 11,7 | 12,9 | 14,1 | 15,4 | 16,6 | 17,8 | 19,0 | 20,3 | 21,5 | 22,7 | 24,0 | 25,2 | 26,4 | 27,6 | 28,9 | 30,1 | 31,3 | 32,5 | 33,8 | 35,0 | 36,2 | 37,4 | 38,7 | 39,9 | 41,1 |
| 300 | kg | 10,4 | 11,7 | 13,0 | 14,2 | 15,5 | 16,8 | 18,1 | 19,4 | 20,7 | 22,0 | 23,3 | 24,6 | 25,9 | 27,2 | 28,4 | 29,7 | 31,0 | 32,3 | 33,6 | 34,9 | 36,2 | 37,5 | 38,8 | 40,1 | 41,4 | 42,6 | 43,9 |
| 350 | kg | 11,5 | 12,9 | 14,2 | 15,6 | 16,9 | 18,3 | 19,6 | 21,0 | 22,4 | 23,7 | 25,1 | 26,4 | 27,8 | 29,1 | 30,5 | 31,8 | 33,2 | 34,6 | 35,9 | 37,3 | 38,6 | 40,0 | 41,3 | 42,7 | 44,1 | 45,4 | 46,8 |
| 400 | kg | 12,6 | 14,1 | 15,5 | 16,9 | 18,3 | 19,7 | 21,2 | 22,6 | 24,0 | 25,4 | 26,8 | 28,3 | 29,7 | 31,1 | 32,5 | 34,0 | 35,4 | 36,8 | 38,2 | 39,6 | 41,1 | 42,5 | 43,9 | 45,3 | 46,8 | 48,2 | 49,6 |
| 450 | kg | 13,8 | 15,3 | 16,7 | 18,2 | 19,7 | 21,2 | 22,7 | 24,2 | 25,7 | 27,1 | 28,6 | 30,1 | 31,6 | 33,1 | 34,6 | 36,1 | 37,6 | 39,0 | 40,5 | 42,0 | 43,5 | 45,0 | 46,5 | 48,0 | 49,4 | 50,9 | 52,4 |
| 500 | kg | 14,9 | 16,4 | 18,0 | 19,6 | 21,1 | 22,7 | 24,2 | 25,8 | 27,3 | 28,9 | 30,4 | 32,0 | 33,5 | 35,1 | 36,6 | 38,2 | 39,7 | 41,3 | 42,8 | 44,4 | 45,9 | 47,5 | 49,0 | 50,6 | 52,1 | 53,7 | 55,2 |
| 550 | kg | 16,0 | 17,6 | 19,3 | 20,9 | 22,5 | 24,1 | 25,7 | 27,3 | 29,0 | 30,6 | 32,2 | 33,8 | 35,4 | 37,0 | 38,7 | 40,3 | 41,9 | 43,5 | 45,1 | 46,8 | 48,4 | 50,0 | 51,6 | 53,2 | 54,8 | 56,5 | 58,1 |
| 600 | kg | 17,2 | 18,8 | 20,5 | 22,2 | 23,9 | 25,6 | 27,3 | 28,9 | 30,6 | 32,3 | 34,0 | 35,7 | 37,3 | 39,0 | 40,7 | 42,4 | 44,1 | 45,8 | 47,4 | 49,1 | 50,8 | 52,5 | 54,2 | 55,9 | 57,5 | 59,2 | 60,9 |
| 650 | kg | 18,3 | 20,0 | 21,8 | 23,5 | 25,3 | 27,0 | 28,8 | 30,5 | 32,3 | 34,0 | 35,8 | 37,5 | 39,3 | 41,0 | 42,8 | 44,5 | 46,3 | 48,0 | 49,7 | 51,5 | 53,2 | 55,0 | 56,7 | 58,5 | 60,2 | 62,0 | 63,7 |
| 700 | kg | 19,4 | 21,2 | 23,0 | 24,9 | 26,7 | 28,5 | 30,3 | 32,1 | 33,9 | 35,7 | 37,5 | 39,4 | 41,2 | 43,0 | 44,8 | 46,6 | 48,4 | 50,2 | 52,1 | 53,9 | 55,7 | 57,5 | 59,3 | 61,1 | 62,9 | 64,7 | 66,6 |
| 750 | kg | 20,5 | 22,4 | 24,3 | 26,2 | 28,1 | 29,9 | 31,8 | 33,7 | 35,6 | 37,5 | 39,3 | 41,2 | 43,1 | 45,0 | 46,8 | 48,7 | 50,6 | 52,5 | 54,4 | 56,2 | 58,1 | 60,0 | 61,9 | 63,7 | 65,6 | 67,5 | 69,4 |
| 800 | kg | 21,7 | 23,6 | 25,6 | 27,5 | 29,5 | 31,4 | 33,3 | 35,3 | 37,2 | 39,2 | 41,1 | 43,1 | 45,0 | 46,9 | 48,9 | 50,8 | 52,8 | 54,7 | 56,7 | 58,6 | 60,5 | 62,5 | 64,4 | 66,4 | 68,3 | 70,3 | 72,2 |
| 850 | kg | 22,8 | 24,8 | 26,8 | 28,8 | 30,8 | 32,9 | 34,9 | 36,9 | 38,9 | 40,9 | 42,9 | 44,9 | 46,9 | 48,9 | 50,9 | 52,9 | 54,9 | 57,0 | 59,0 | 61,0 | 63,0 | 65,0 | 67,0 | 69,0 | 71,0 | 73,0 | 75,0 |
| 900 | kg | 23,9 | 26,0 | 28,1 | 30,2 | 32,2 | 34,3 | 36,4 | 38,5 | 40,5 | 42,6 | 44,7 | 46,8 | 48,8 | 50,9 | 53,0 | 55,0 | 57,1 | 59,2 | 61,3 | 63,3 | 65,4 | 67,5 | 69,6 | 71,6 | 73,7 | 75,8 | 77,9 |
| 950 | kg | 25,1 | 27,2 | 29,3 | 31,5 | 33,6 | 35,8 | 37,9 | 40,0 | 42,2 | 44,3 | 46,5 | 48,6 | 50,7 | 52,9 | 55,0 | 57,2 | 59,3 | 61,4 | 63,6 | 65,7 | 67,9 | 70,0 | 72,1 | 74,3 | 76,4 | 78,5 | 80,7 |
| 1000 | kg | 26,2 | 28,4 | 30,6 | 32,8 | 35,0 | 37,2 | 39,4 | 41,6 | 43,8 | 46,0 | 48,2 | 50,4 | 52,7 | 54,9 | 57,1 | 59,3 | 61,5 | 63,7 | 65,9 | 68,1 | 70,3 | 72,5 | 74,7 | 76,9 | 79,1 | 81,3 | 83,5 |