SC90 - Installation

Commande : ouverture manuelle

2
Poussez les deux pattes d'arrêts pour débloquer les lames.
3
Encliquetez le fusible dans le support pour verrouiller les lames.

Commande : fermeture manuelle

2
Déclenchez (fermez) les lames en les poussant l'une vers l'autre et en exerçant une pression légère sur le fusible.

Câblage électrique

1
Un contact de position fin de course électrique (FCU) peut être installé sur le corps en acier pour signaler la position de la lame à distance. 1mA...6A DC 5V....AC250V. COM : noir ; NF : gris ; NO : bleu. Tension d'utilisation: Max 250V; Courant d'utilisation: Max 6A; Dégré de protection: IP65; Longueur du câble: 500 mm.
Fixez la bande autocollante autour du collier assemblé.

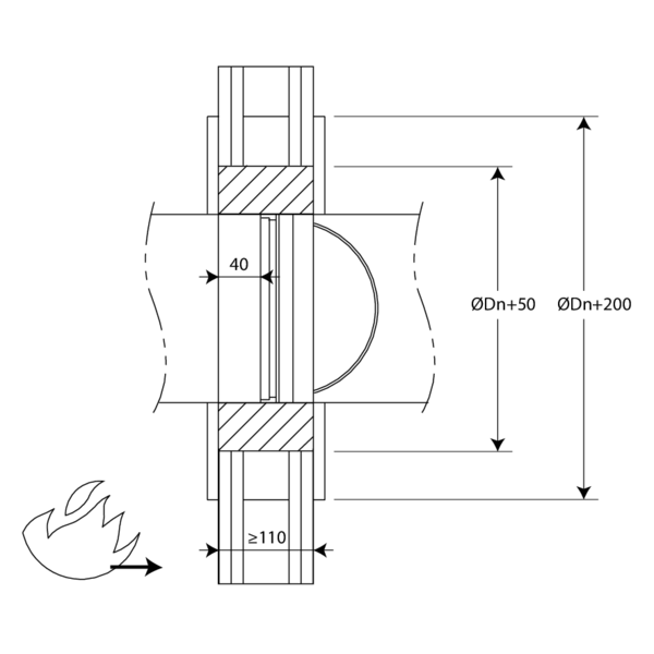
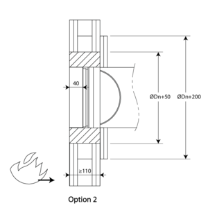
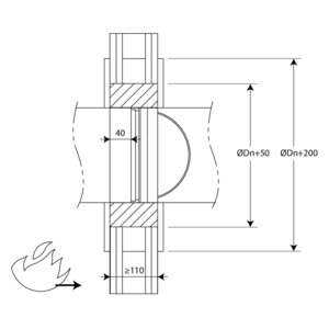
Montage en paroi et dalle massive

Le produit a été testé et approuvé en :
  • Béton armé ≥ 110 mm | EI 90 (ve o i) S - (300Pa) | Mortier | Type de pose : encastré en conduit traversant, 0-360°; Côté feu = côté opposé au fusible thermique | SC90 Ø 80-200 mm
  • Béton armé ≥ 150 mm | EI 90 (ho o i) S - (300Pa) | Mortier | Type de pose : encastré en conduit traversant, 0-360°; Côté feu = côté opposé au fusible thermique | SC(V)90

Montage en paroi flexible (ossature métallique et plaques de plâtre)

Le produit a été testé et approuvé en :
  • Ossature métallique et plaques de plâtre Type F (EN 520) ≥ 100 mm | EI 90 (ve o i) S - (300Pa) | Laine de roche ≥ 40 kg/m³ + talons | Type de pose : encastré en conduit traversant, 0-360°; Côté feu = côté opposé au fusible thermique | SC(V)90

Remarques générales

  • Vérifiez le libre mouvement de la lame mobile.
  • Le clapet terminal doit être accessible pour inspection et entretien.
  • Respectez les distances de sécurité par rapport aux autres éléments constructifs.

Remarques spécifiques aux produits

  • L'installation doit être conforme au rapport de classement et à la notice technique.
  • Les résultats obtenus dans les structures porteuses normalisées selon la norme EN 1366-2 s'appliquent également aux structures porteuses similaires dont la résistance au feu, l'épaisseur et la densité sont égales ou supérieures à celles de la structure porteuse de l'essai. Plus d'informations sur les structures porteuses normalisées : https://www.rft.eu/fr-fr/page/contexte-legal/reglementation-europeenne/parois-normalisees
  • Sens de montage: avec l'axe orienté de 0 à 360°
  • Direction du flux d'air: indifférent
  • Si les manipulations ne se déroulent pas conformément à la présente notice, Rf-Technologies ne peut pas être tenu responsable et les conditions de garantie ne seront pas d'application!