CU4L - Dimensions

Gamme et dimensions

Hn\Ln [mm]200x2001200x800
  • Ln/Hn par intervalle de 50 mm; dimensions intermédiaires disponibles sur demande, moyennant supplément (des hauteurs entre ≥ 275 et ≤ 299 mm ne sont pas possibles).
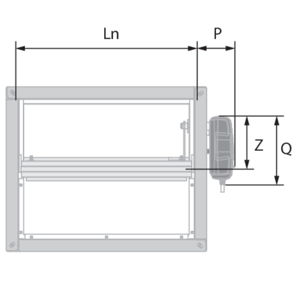
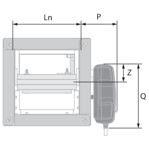
  • Dépassement lame: X = du côté du mécanisme, Y = du côté mur
  • X = Hn/2 – 275 mm
    Y = Hn/2 – 149 mm

  • Hn < 300 mm
  CFTH ONE (X) BFLT
P 78 104 96
Q 180 191 110
Z 62 47 74
  • Hn ≥ 300 mm
  CFTH ONE (X) BFLT BFNT
P 78 104 96 100
Q 180 191 110 110
Z 157 147 180 180

Poids Faire défiler vers le bas/la droite pour voir tout le tableau

Hn\Ln [mm]20025030035040045050055060065070075080085090095010001050110011501200
200kg---------------------
250kg---------------------
300kg---------------------
350kg---------------------
400kg---------------------
450kg---------------------
500kg---------------------
550kg---------------------
600kg---------------------
650kg---------------------
700kg---------------------
750kg---------------------
800kg---------------------